GM Service Manual Online
For 1990-2009 cars only
Makes
🢒
Pontiac
🢒
2007
🢒
Wave
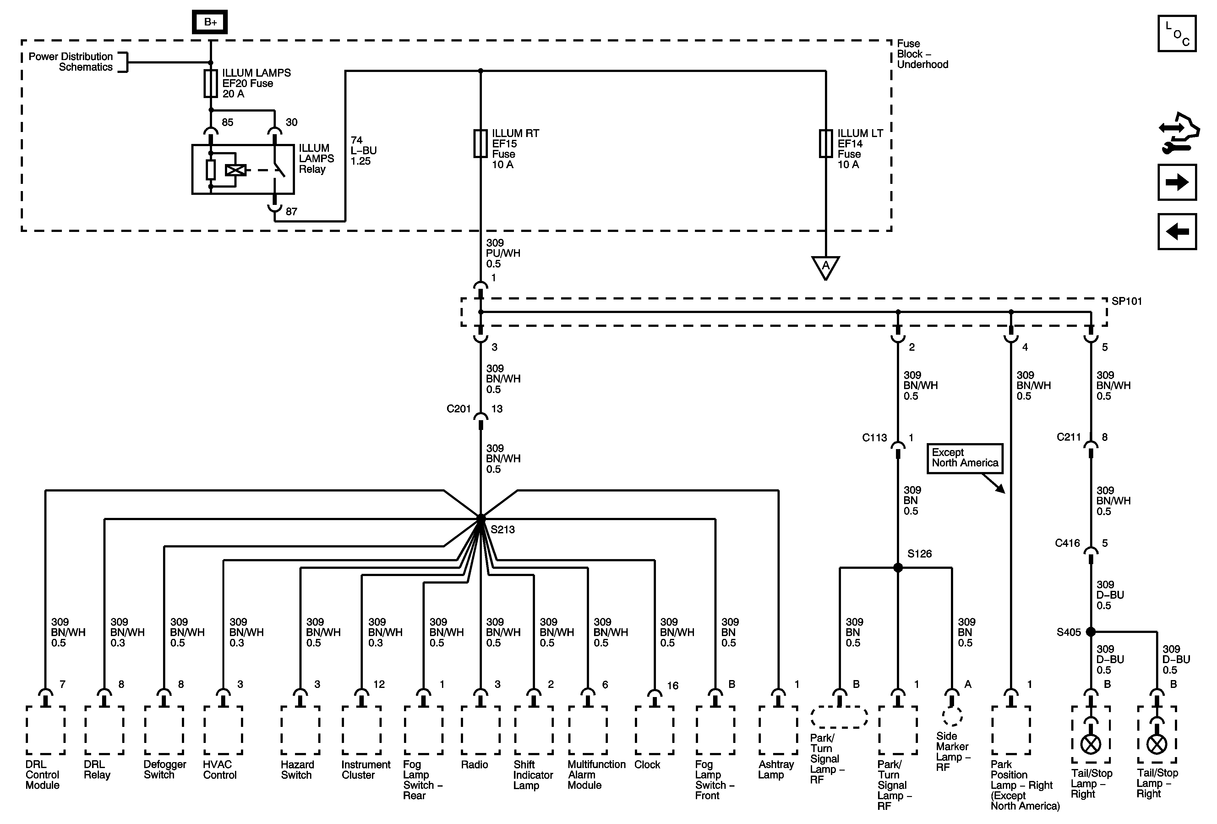
🢒 Power Distribution Fuse EF20, ILLUM Relay, EF14 - 1 of and EF15
Power Distribution Fuse EF20, ILLUM Relay, EF14 - 1 of and EF15
Fuse Block - Underhood EF14, EF15, EF20 Fuses and ILLUM LAMPS Relay
Master Electrical Component List (Hatchback)
Control Module References
Power Distribution Fuses EF14 - 2 of 2 EF9 and 22
Underhood EF13 and EF17 Fuses
Battery Feed
Power Distribution Fuses EF14 - 2 of 2 EF9 and 22