GM Service Manual Online
For 1990-2009 cars only
Makes
🢒
Pontiac
🢒
2007
🢒
Wave
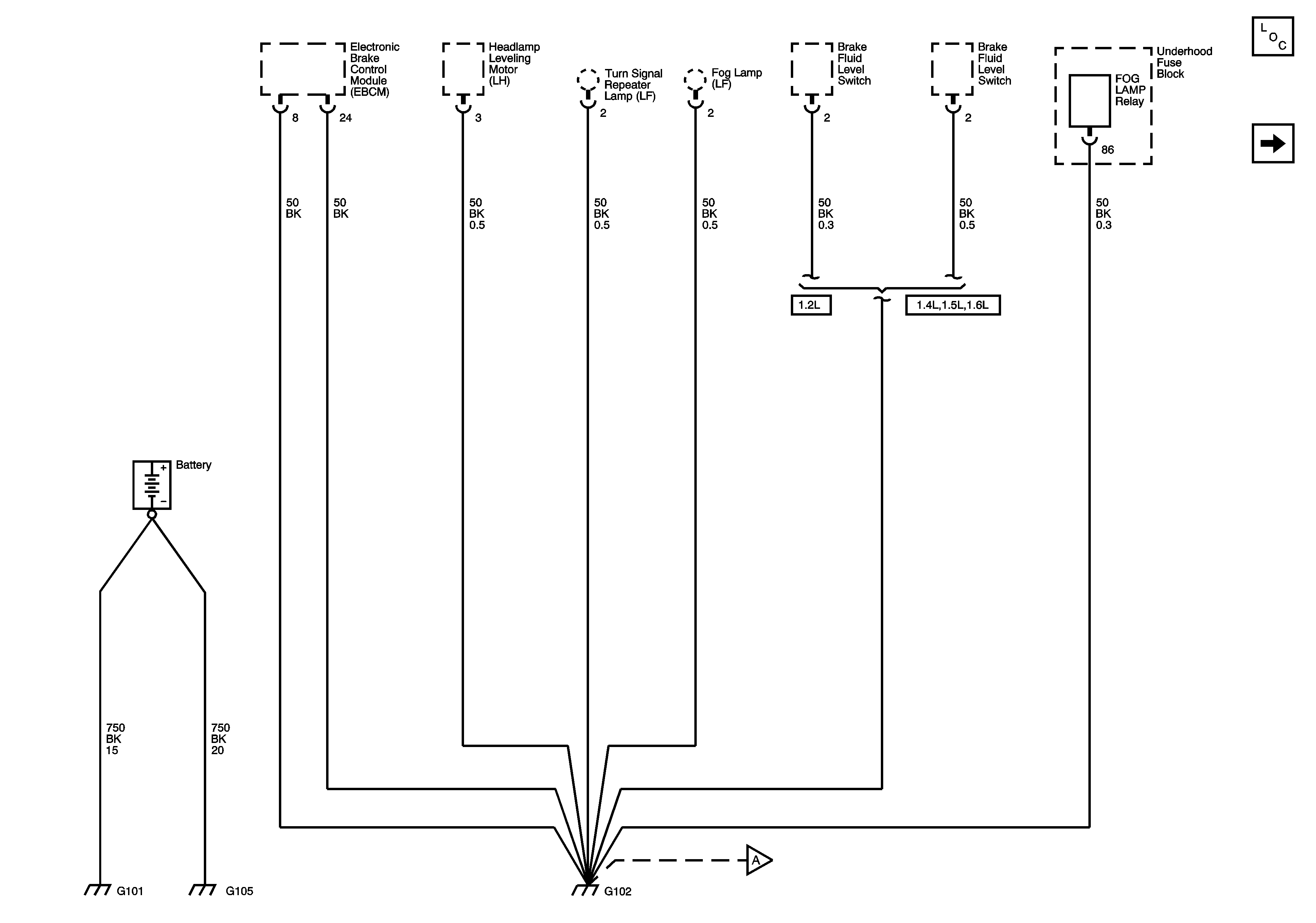
🢒 Ground Distribution G101, G102 - 1 of 2 and G105
Ground Distribution G101, G102 - 1 of 2 and G105
G101, G102 - 1 of 2 and G105
Master Electrical Component List (Hatchback)
G102 - 2 of 2
G102 - 2 of 2