GM Service Manual Online
For 1990-2009 cars only
Makes
🢒
Pontiac
🢒
2007
🢒
Wave
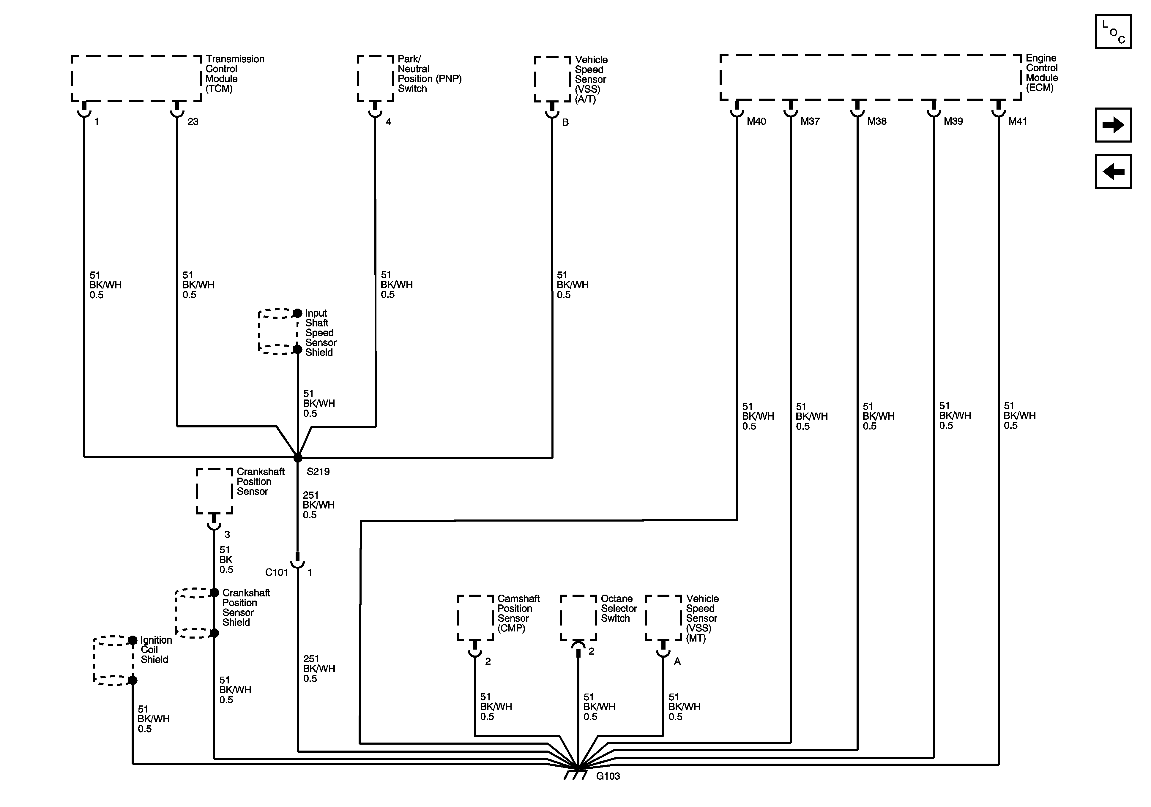
🢒 Ground Distribution G103 - 1.4L
Ground Distribution G103 - 1.4L
G103 - 1.4L
Master Electrical Component List (Hatchback)
Ground Distribution G103 - 1.5L
Ground Distrbution G103 - 1.2L