GM Service Manual Online
For 1990-2009 cars only
Makes
🢒
Pontiac
🢒
2007
🢒
Wave
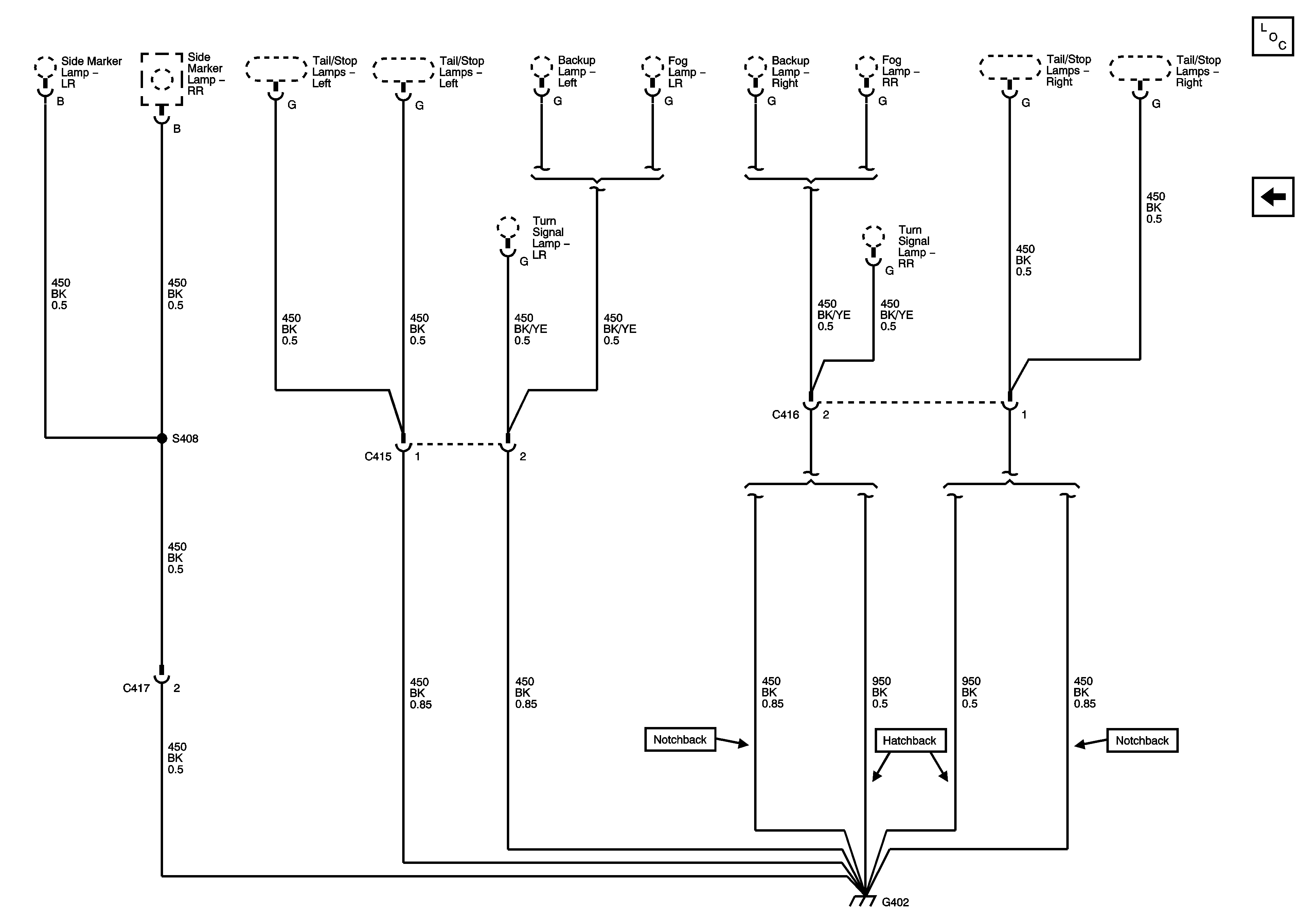
🢒 Ground Distribution G402
Ground Distribution G402
G402
Master Electrical Component List (Hatchback)
Ground Distribution G401, G901