GM Service Manual Online
For 1990-2009 cars only
Makes
🢒
Pontiac
🢒
2007
🢒
Wave
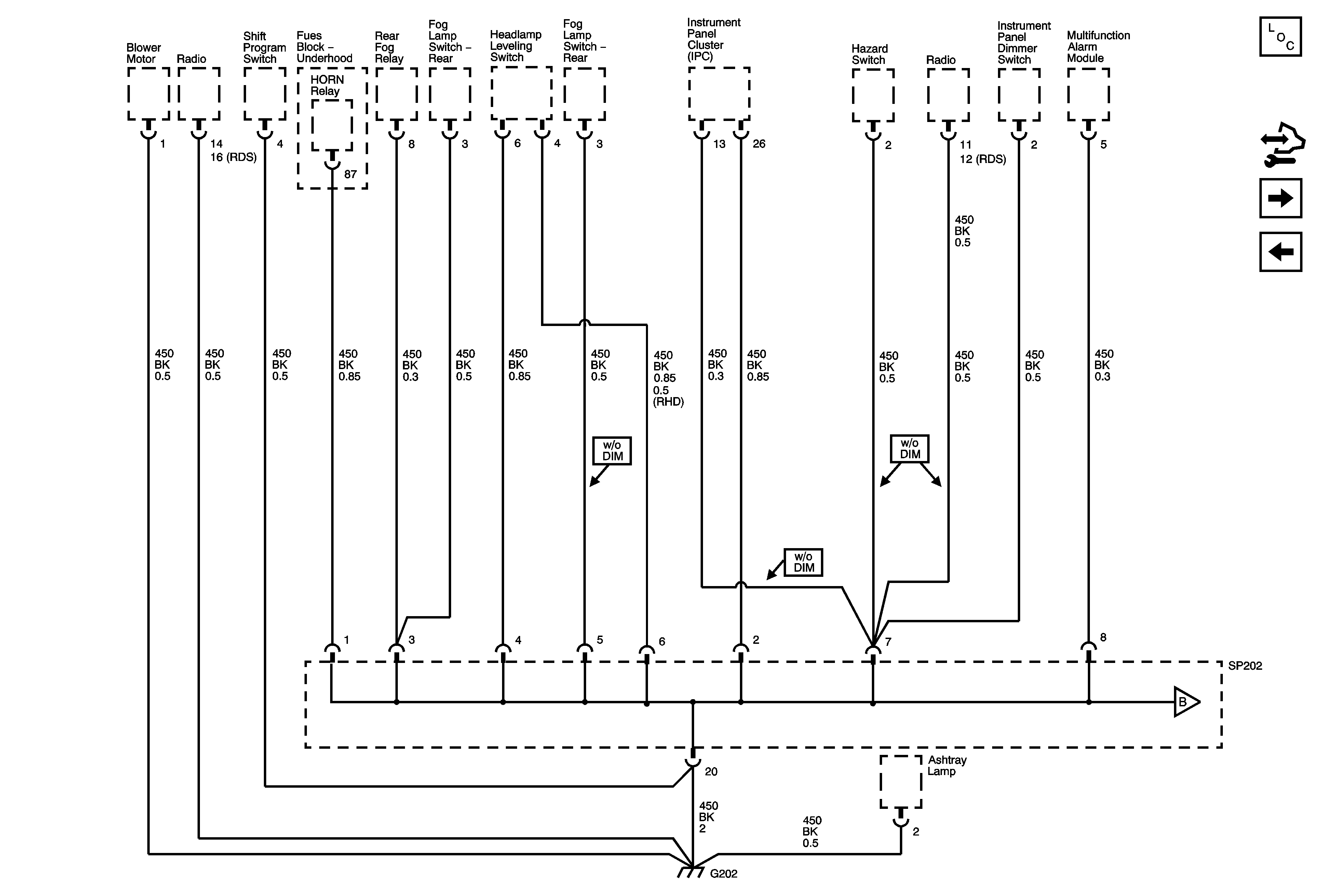
🢒 Ground Distribution G202 - 1 of 3
Ground Distribution G202 - 1 of 3
G202 - 1 of 3
Master Electrical Component List (Hatchback)
Control Module References
Ground Distribution G202 - 2 of 3
G104
Ground Distribution G202 - 2 of 3