GM Service Manual Online
For 1990-2009 cars only

Engine Controls Schematics Hatchback

Figure 1:

Power, Ground, MIL, Serial Data


Object Number: 1629955  Size: FS
Master Electrical Component List Hatchback
Data Sensor 1.4L SOHC
Battery Feed
Battery Feed
Battery Feed
Ground Distrbution G103 - 1.2L
Power and Grounds
Data Communications
Figure 2:

Engine Data Sensors - Pressure and Temperature


Object Number: 2040877  Size: FS
Master Electrical Component List Hatchback
Engine Control Module Description
Control Module References
Oxygen Sensors 1.4L SOHC
Battery Feed
Figure 3:

Engine Data Sensors - Oxygen Sensors


Object Number: 1629958  Size: FS
Master Electrical Component List Hatchback
Ignition System
Data Sensor 1.4L SOHC
Battery Feed
Battery Feed
Battery Feed
Figure 4:

Ignition Controls System


Object Number: 1629967  Size: FS
Master Electrical Component List Hatchback
Oxygen Sensors 1.4L SOHC
Ignition Sensors 1.4L SOHC
Instrument Cluster Gages 1.2L
Battery Feed
Battery Feed
Ground Distrbution G103 - 1.2L
Figure 5:

Ignition Controls - Sensors


Object Number: 2040881  Size: FS
Master Electrical Component List Hatchback
Electronic Ignition (EI) System Description
Control Module References
Fuel System 1.4L SOHC
Ignition System
Fuse Block - Underhood IGN 2 Fuse, Ignition Switch, Fuse Block - I/P, ABS, ALTERNATOR, ECM TCM, HVAC, WPR WSWA Fuses
Fuse Block - Underhood IGN 2 Fuse, Ignition Switch, Fuse Block - I/P, ABS, ALTERNATOR, ECM TCM, HVAC, WPR WSWA Fuses
SP201
G103 (1.4L)
Figure 6:

Fuel Pump Controls, Fuel Injectors


Object Number: 2040885  Size: FS
Master Electrical Component List Hatchback
Control Module References
EVAP, EGR, IAC and Octane Selector 1.4L SOHC
Ignition Controls - Sensors
Fuse Block - Underhood IGN 2 Fuse, Ignition Switch, Fuse Block - I/P, ABS, ALTERNATOR, ECM TCM, HVAC, WPR WSWA Fuses
Fuse Block - Underhood IGN 2 Fuse, Ignition Switch, Fuse Block - I/P, ABS, ALTERNATOR, ECM TCM, HVAC, WPR WSWA Fuses
SP201
Instrument Cluster Gages 1.4L, 1.5L
Ground Distribution G401
Ground Distribution G101, G102 - 1 of 2 and G105
Figure 7:

Fuel EVAP Controls, Device Controls, and Octane Selector


Object Number: 1630086  Size: FS
Master Electrical Component List Hatchback
Subsystem References 1.4L SOHC
Fuel System 1.4L SOHC
Battery Feed
Battery Feed
Battery Feed
Ground Distrbution G103 - 1.2L
Figure 8:

Controlled/Monitored Subsystem References


Object Number: 1456594  Size: FS
Master Electrical Component List Hatchback
EVAP, EGR, IAC and Octane Selector 1.4L SOHC
ABS Power, Ground and Inputs
Instrument Cluster Gages 1.2L
Engine Cooling 1.2L
Manual - Blower Controls

Engine Controls Schematics Notchback

Figure 1:

Engine Control Module (ECM) Power and Ground, Malfunction Indicator Lamp (MIL)


Object Number: 1736646  Size: FS
Master Electrical Component List Notchback
Engine Control Module Description
Control Module References
TP, ECT, IAT, Knock Sensors
SDM, EMS 1, EMS 2 Fuses
SDM, EMS 1, EMS 2 Fuses
ABS, HAZARD, ECU, FUEL PUMP Fuses
Charge, Brake, MIL, Seat Belt, Air Bag, Oil Pressure, HOLD, ABS, Door Open Indicators
G104
Transmission Control Module (TCM) Power and Ground Distribution, Serial Data and Shift Program Switch
Data Communication Schematics
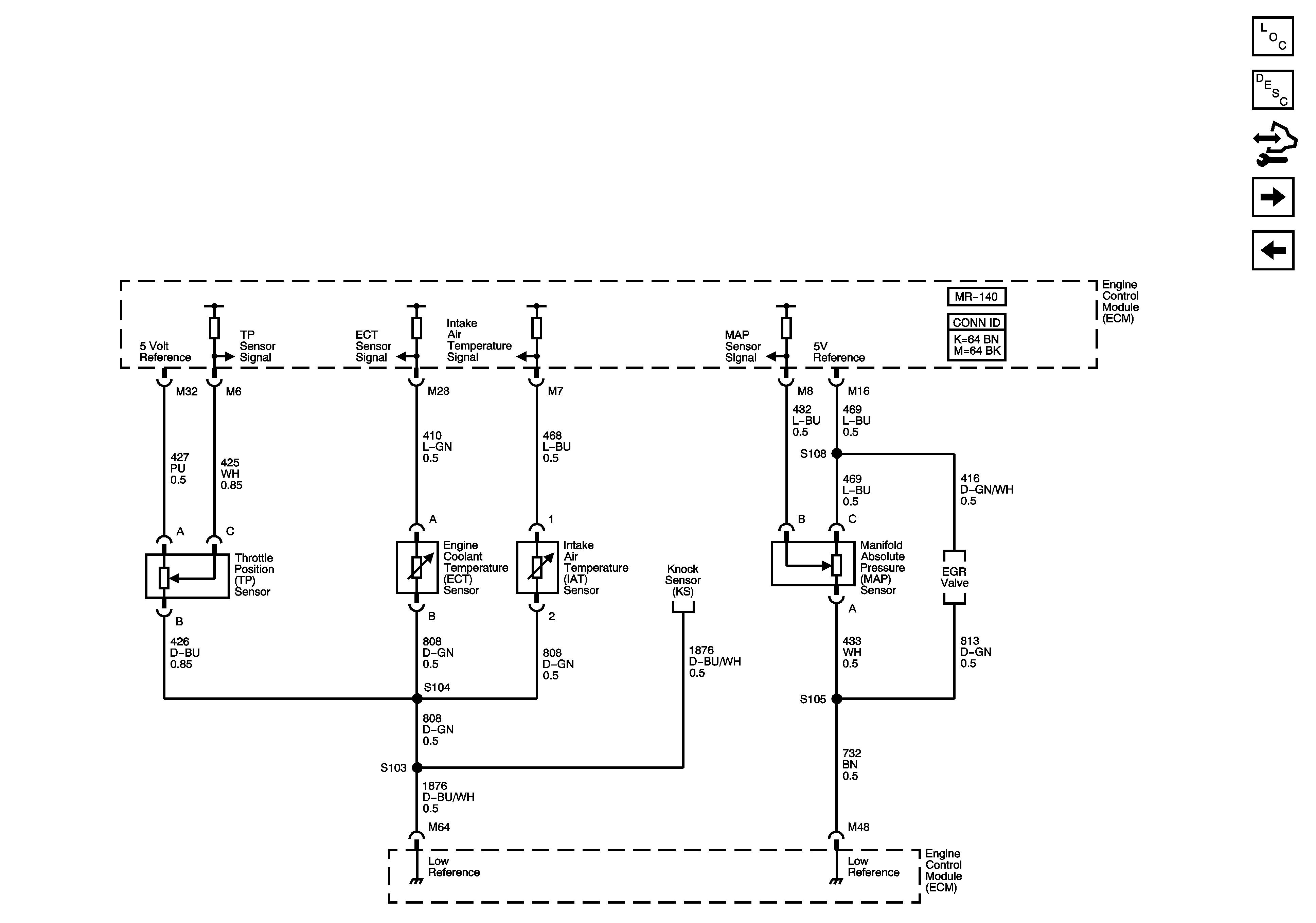
Figure 2:

TP, ECT, IAT, Knock Sensors


Object Number: 1736647  Size: FS
Master Electrical Component List Notchback
Control Module References
Ignition Coil Module
Engine Control Module (ECM) Power and Ground, Malfunction Indicator Lamp (MIL) and Serial Data
Manual Transaxle Schematics
Figure 3:

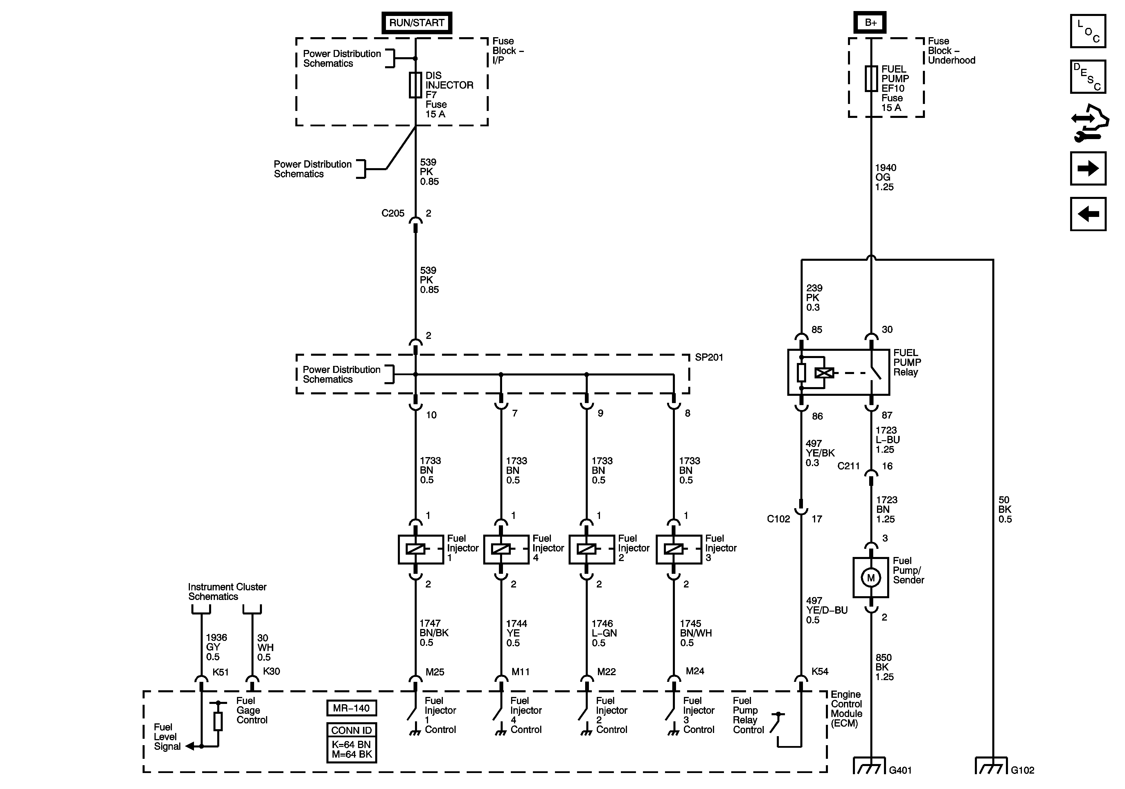
Fuel Pump Relay and Fuel Injectors


Object Number: 1736651  Size: FS
Master Electrical Component List Notchback
Control Module References
EVAP Canister Purge Solenoid Valve
CKP, CMP, A/C Refrigerant, Rough Road Sensors and Fuel Pump
SDM, EMS 1, EMS 2 Fuses
ABS, HAZARD, ECU, FUEL PUMP Fuses
SDM, EMS 1, EMS 2 Fuses
PK/LP Relay and Fuses
PK/LP Relay and Fuses
G401, G402
G104
Figure 4:

EVAP Canister Purge Solenoid Valve


Object Number: 1736652  Size: FS
Master Electrical Component List Notchback
Control Module References
IMT, EGR, IAC Valves, MAP Sensor and Octane Selector Switch
Fuel Pump Relay and Fuel Injectors
SDM, EMS 1, EMS 2 Fuses
SDM, EMS 1, EMS 2 Fuses
ABS, HAZARD, ECU, FUEL PUMP Fuses
Figure 5:

IMT, EGR, IAC Valves, Map Sensor and Octane Selector Switch


Object Number: 1736654  Size: FS
Master Electrical Component List Notchback
Control Module References
ABS, I/P, Engine Cooling and HVAC ECM Input/Outputs
EVAP Canister Purge Solenoid Valve
SDM, EMS 1, EMS 2 Fuses
SDM, EMS 1, EMS 2 Fuses
ABS, HAZARD, ECU, FUEL PUMP Fuses
G104
Figure 6:

CKP, CMP, A/C Refrigerant, Rough Road Sensors and Fuel Pump


Object Number: 1736650  Size: FS
Master Electrical Component List Notchback
Control Module References
Fuel Pump Relay and Fuel Injectors
Heated Oxygen Sensors
SDM, EMS 1, EMS 2 Fuses
ABS, HAZARD, ECU, FUEL PUMP Fuses
G104
Figure 7:

Heated Oxygen Sensors


Object Number: 1736649  Size: FS
Master Electrical Component List Notchback
Control Module References
CKP, CMP, A/C Refrigerant, Rough Road Sensors and Fuel Pump
Ignition Coil Module
SDM, EMS 1, EMS 2 Fuses
ABS, HAZARD, ECU, FUEL PUMP Fuses
Figure 8:

Ignition Coil Module


Object Number: 1736648  Size: FS
Master Electrical Component List Notchback
Control Module References
Heated Oxygen Sensors
TP, ECT, IAT, Knock Sensors
SDM, EMS 1, EMS 2 Fuses
Instrument Cluster Power and Ground, Ambient Temperature, Engine Temperature, Fuel, Speed Gages
ABS, HAZARD, ECU, FUEL PUMP Fuses
ABS, HAZARD, ECU, FUEL PUMP Fuses
Figure 9:

ABS, I/P, Engine Cooling, HVAC Input/Outputs


Object Number: 1736655  Size: FS
Master Electrical Component List Notchback
Control Module References
IMT, EGR, IAC Valves, MAP Sensor and Octane Selector Switch
Electronic Brake Control Module (EBCM) Power and Ground Distribution, Serial Data, Lamp Driver Module and Stop Lamp Switch
Instrument Cluster Power and Ground, Ambient Temperature, Engine Temperature, Fuel, Speed Gages
MR140, HV240
Blower Controls