GM Service Manual Online
For 1990-2009 cars only

Horn Schematics Hatchback


Object Number: 2000409  Size: FS
Master Electrical Component List (Hatchback)
Horns System Description and Operation
Control Module References
Battery Feed
Power Distribution Fuses EF4, 8, 11, 12 and 21
Power Distribution Fuses EF7,F12, 13, 14, 15, 16 and 23
SIR Caution for Zoning
Ground Distribution G202 - 1 of 3
Ground Distribution G202 - 1 of 3

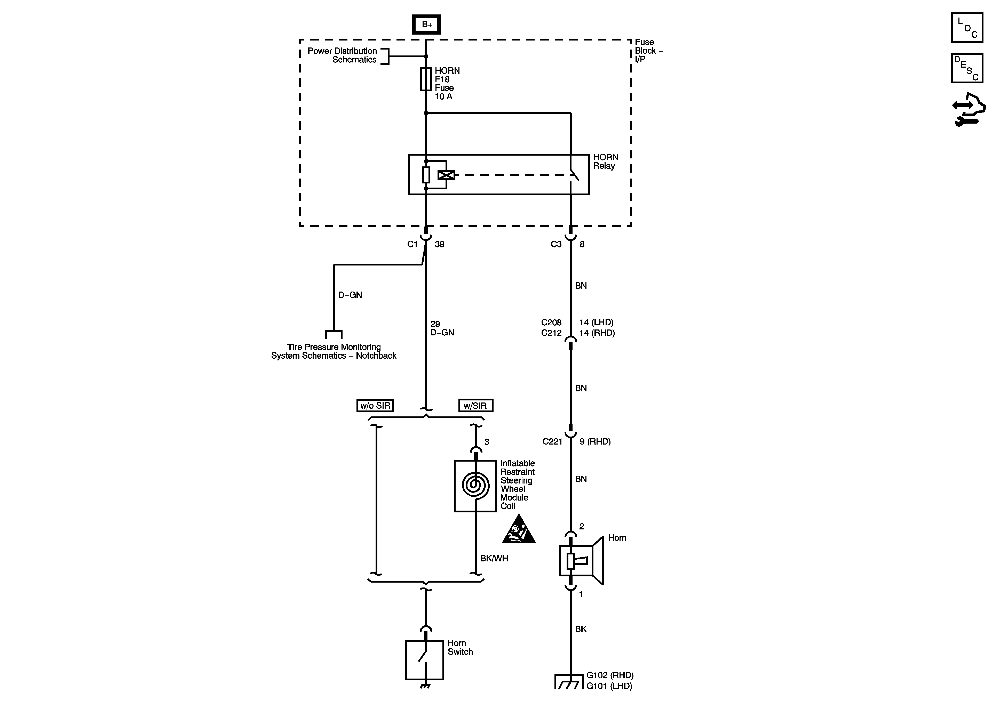
Horn Schematics Notchback


Object Number: 1945960  Size: FS
Master Electrical Component List Notchback
Horns System Description and Operation
Control Module References
HORN, WIPER, DOOR LOCK, RR FOG Fuses and Relays
Notchback
SIR Caution for Zoning
G102
G101, G103, G104