GM Service Manual Online
For 1990-2009 cars only

Ground Distribution Schematics Hatchback

Figure 1:

G101, G102 - 1 of 2 and G105


Object Number: 1679685  Size: FS
Master Electrical Component List Hatchback
G102 - 2 of 2
G102 - 2 of 2
Figure 2:

G102 - 2 of 2


Object Number: 1679688  Size: FS
Master Electrical Component List Hatchback
Ground Distrbution G103 - 1.2L
Ground Distribution G101, G102 - 1 of 2 and G105
Ground Distribution G101, G102 - 1 of 2 and G105
Figure 3:

G103 - 1.2L


Object Number: 1679691  Size: FS
Master Electrical Component List Hatchback
Ground Distribution G103 - 1.4L
G102 - 2 of 2
Figure 4:

G103 - 1.4L


Object Number: 1679756  Size: FS
Master Electrical Component List Hatchback
Ground Distribution G103 - 1.5L
Ground Distrbution G103 - 1.2L
Figure 5:

G103 - 1.5L


Object Number: 1679759  Size: FS
Master Electrical Component List Hatchback
Ground Distribution G103 - 1.6L
Ground Distribution G103 - 1.4L
Figure 6:

G103 - 1.6L


Object Number: 1679763  Size: FS
Master Electrical Component List Hatchback
G104
Ground Distribution G103 - 1.5L
Figure 7:

G104


Object Number: 1679764  Size: FS
Master Electrical Component List Hatchback
Ground Distribution G202 - 1 of 3
Ground Distribution G103 - 1.6L
Figure 8:

G202 - 1 of 3


Object Number: 1910600  Size: FS
Master Electrical Component List Hatchback
Control Module References
Ground Distribution G202 - 2 of 3
G104
Ground Distribution G202 - 2 of 3
Figure 9:

G202 - 2 of 3


Object Number: 1679792  Size: FS
Master Electrical Component List Hatchback
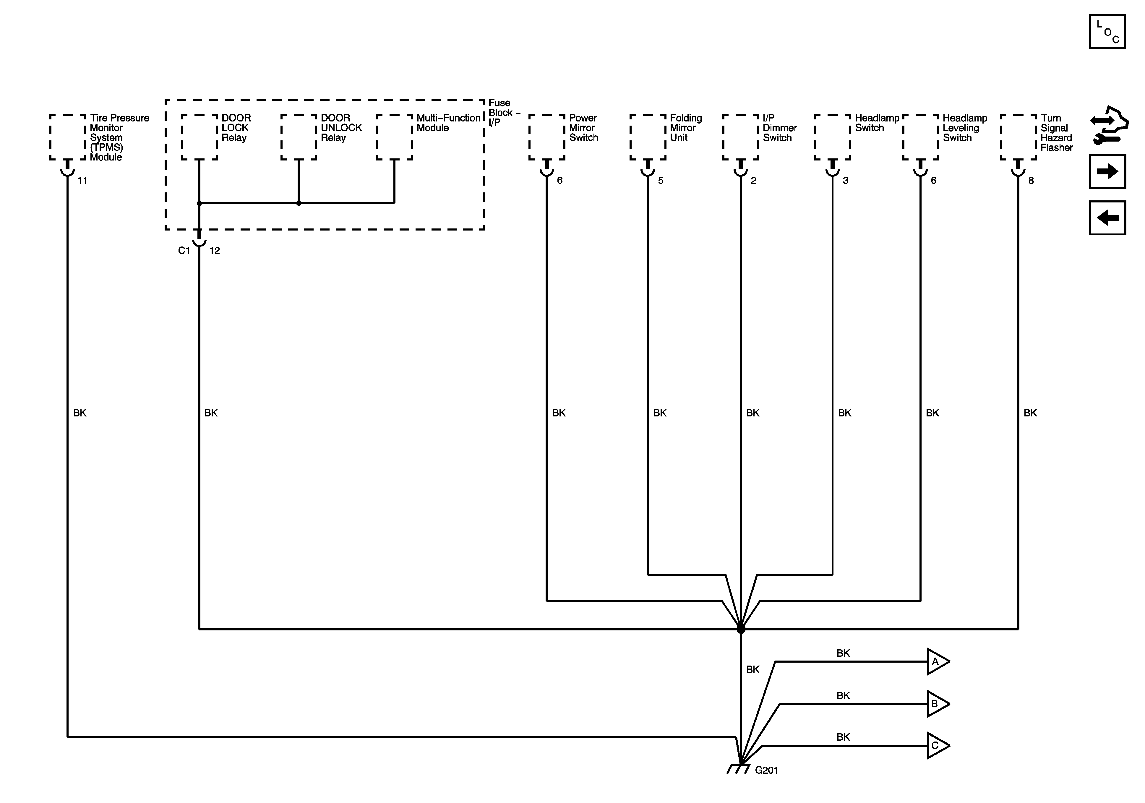
Ground Distribution G202 - 3 of 3, G201
Ground Distribution G202 - 1 of 3
Ground Distribution G202 - 3 of 3, G201
Ground Distribution G202 - 1 of 3
Figure 10:

G201, G202 (3 of 3)


Object Number: 2039315  Size: FS
Master Electrical Component List Hatchback
Control Module References
Ground Distribution G301
Ground Distribution G202 - 2 of 3
Ground Distribution G202 - 2 of 3
Figure 11:

G301


Object Number: 1679796  Size: FS
Master Electrical Component List Hatchback
Ground Distribution G401, G901
Ground Distribution G202 - 3 of 3, G201
Figure 12:

G401, G403


Object Number: 1999523  Size: FS
Master Electrical Component List Hatchback
Control Module References
Ground Distribution G402
Ground Distribution G301
Figure 13:

G402


Object Number: 1456553  Size: FS
Master Electrical Component List Hatchback
Ground Distribution G401, G901

Ground Distribution Schematics Notchback

Figure 1:

G101, G103, G104


Object Number: 1729709  Size: FS
Master Electrical Component List Notchback
Control Module References
G102
Figure 2:

G102


Object Number: 1729711  Size: FS
Master Electrical Component List Notchback
Control Module References
G104
G101, G103, G104
Figure 3:

G104


Object Number: 1729713  Size: FS
Master Electrical Component List Notchback
Control Module References
G102
G201 - 1 of 3
Figure 4:

G201 - 1 of 3


Object Number: 2039280  Size: FS
Master Electrical Component List Notchback
Control Module References
G201 - 2 of 3
G104
G201 - 2 of 3
G201 - 2 of 3
G201 - 3 of 3, G202
Figure 5:

G201 - 2 of 3


Object Number: 1729719  Size: FS
Master Electrical Component List Notchback
Control Module References
G201 - 3 of 3, G202
G201 - 1 of 3
G201 - 1 of 3
G201 - 1 of 3
Figure 6:

G201 - 3 of 3, G202


Object Number: 1729717  Size: FS
Master Electrical Component List Notchback
Control Module References
G203
G201 - 2 of 3
G201 - 1 of 3
Figure 7:

G203


Object Number: 1729722  Size: FS
Master Electrical Component List Notchback
Control Module References
G204, G301
G201 - 3 of 3, G202
Figure 8:

G204, G301


Object Number: 1729723  Size: FS
Master Electrical Component List Notchback
Control Module References
G401, G402
G203
Figure 9:

G401, G402


Object Number: 1729724  Size: FS
Master Electrical Component List Notchback
Control Module References
G204, G301