GM Service Manual Online
For 1990-2009 cars only
Makes
🢒
Pontiac
🢒
2008
🢒
Wave
🢒 Data Communication Schematics
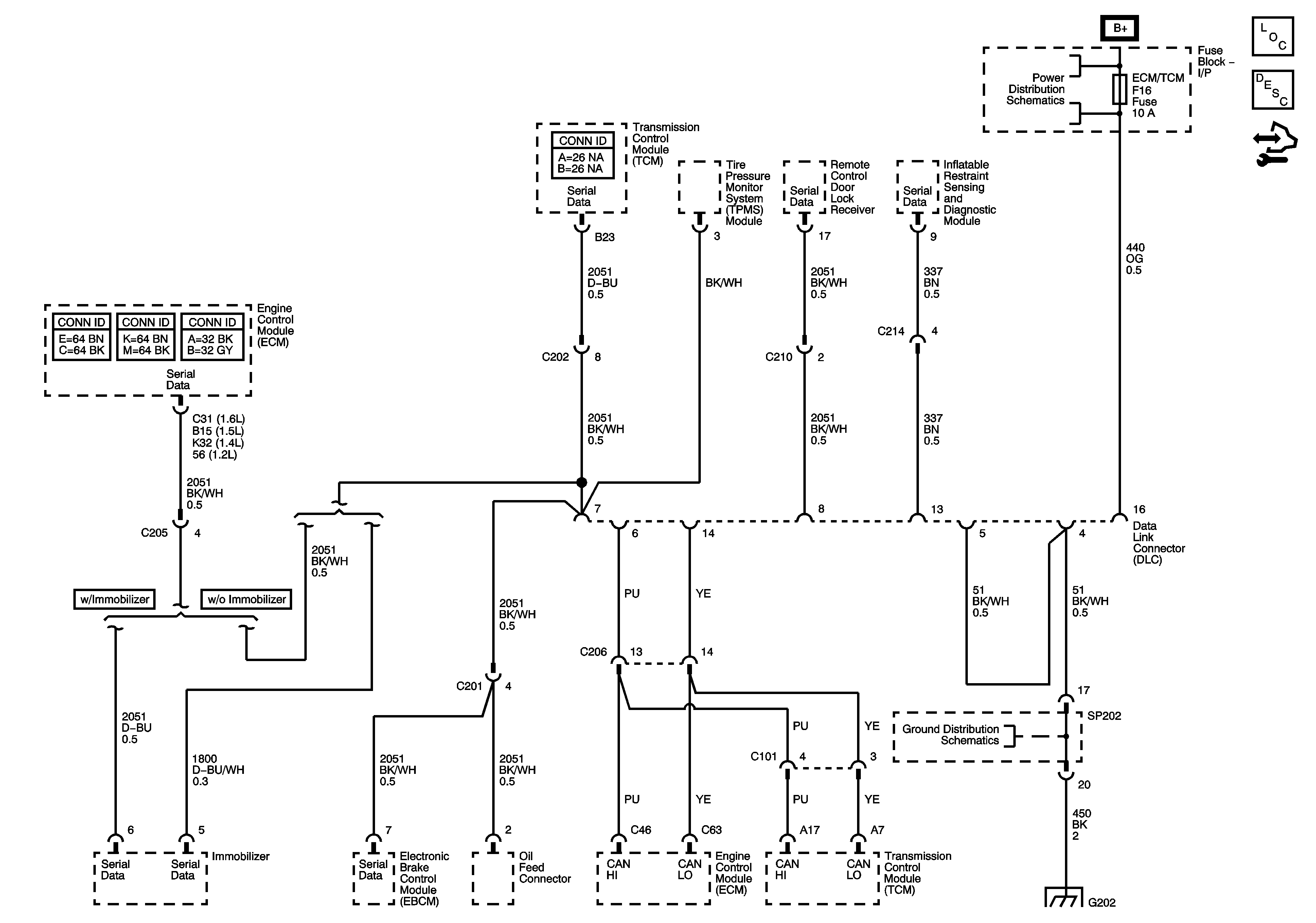
Data Communication Schematics
Master Electrical Component List Hatchback
Data Link Communications Description and Operation
Control Module References
Fuse Block - Underhood I/P Fuse, Fuse Block - I/P, CLK/RADIO, CLSTR HAZRD, DR/LCK, ECM TCM, HORN, REAR/FOG, STOP Fuses
Ground Distribution G202 - 3 of 3, G201
Ground Distribution G202 - 1 of 3