GM Service Manual Online
For 1990-2009 cars only
Makes
🢒
Pontiac
🢒
2008
🢒
Wave
🢒 Hatchback
Hatchback
Hatchback
Master Electrical Component List Hatchback
Hydraulic Brake System Description and Operation
Control Module References
Notchback
DRL - North America
Fuse Block - Underhood IGN 2 Fuse, Ignition Switch, Fuse Block - I/P, ABS, ALTERNATOR, ECM TCM, HVAC, WPR WSWA Fuses
Fuse Block - Underhood IGN 2 Fuse, Ignition Switch, Fuse Block - I/P, ABS, ALTERNATOR, ECM TCM, HVAC, WPR WSWA Fuses
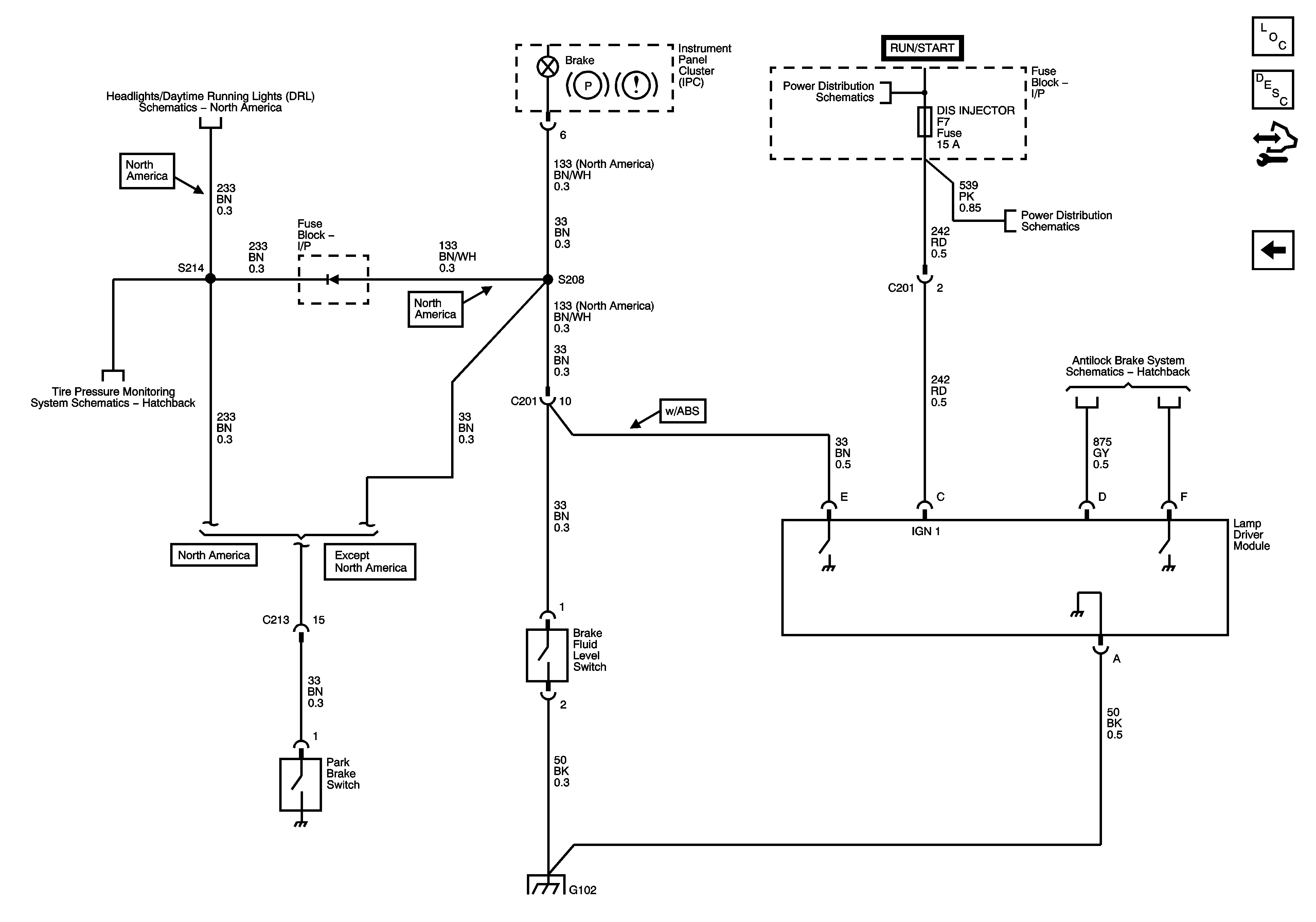
ABS Power, Ground and Inputs
Hatchback
Ground Distribution G101, G102 - 1 of 2 and G105