GM Service Manual Online
For 1990-2009 cars only
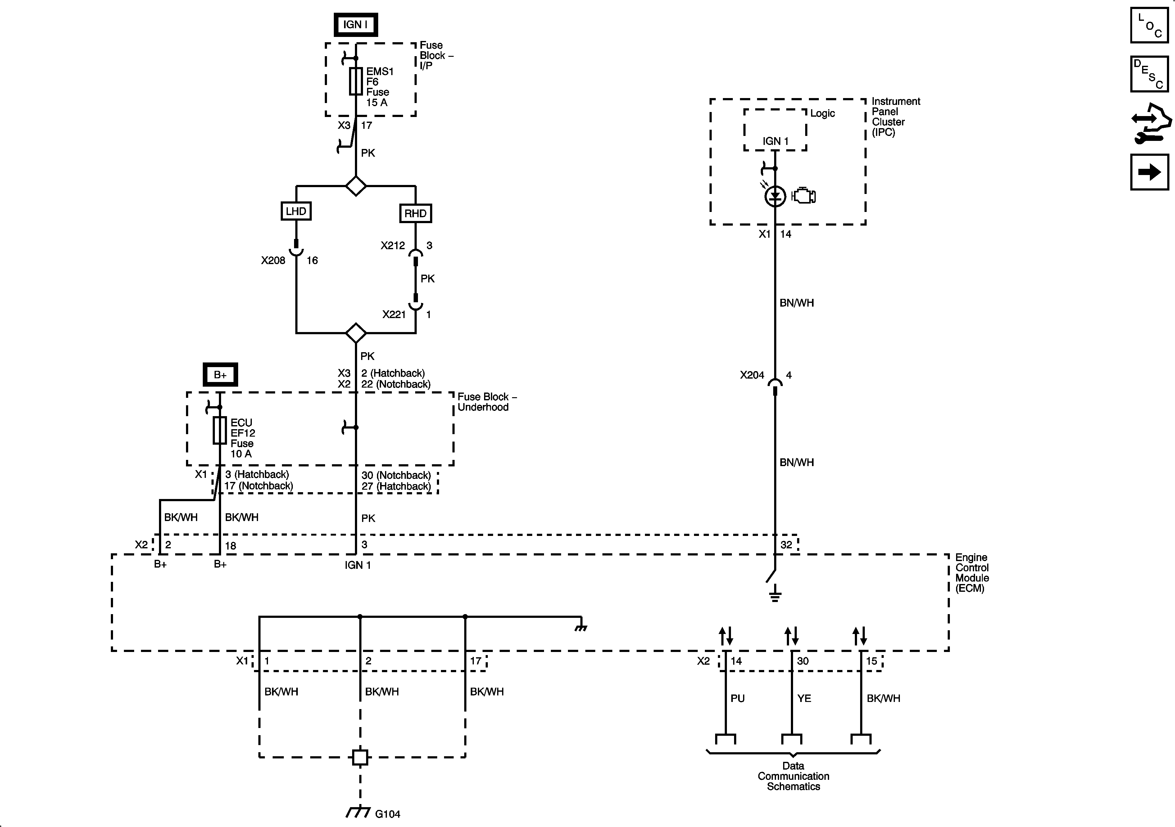
Figure 1:

Power, Ground, MIL, Serial Data


Object Number: 2044999  Size: FS
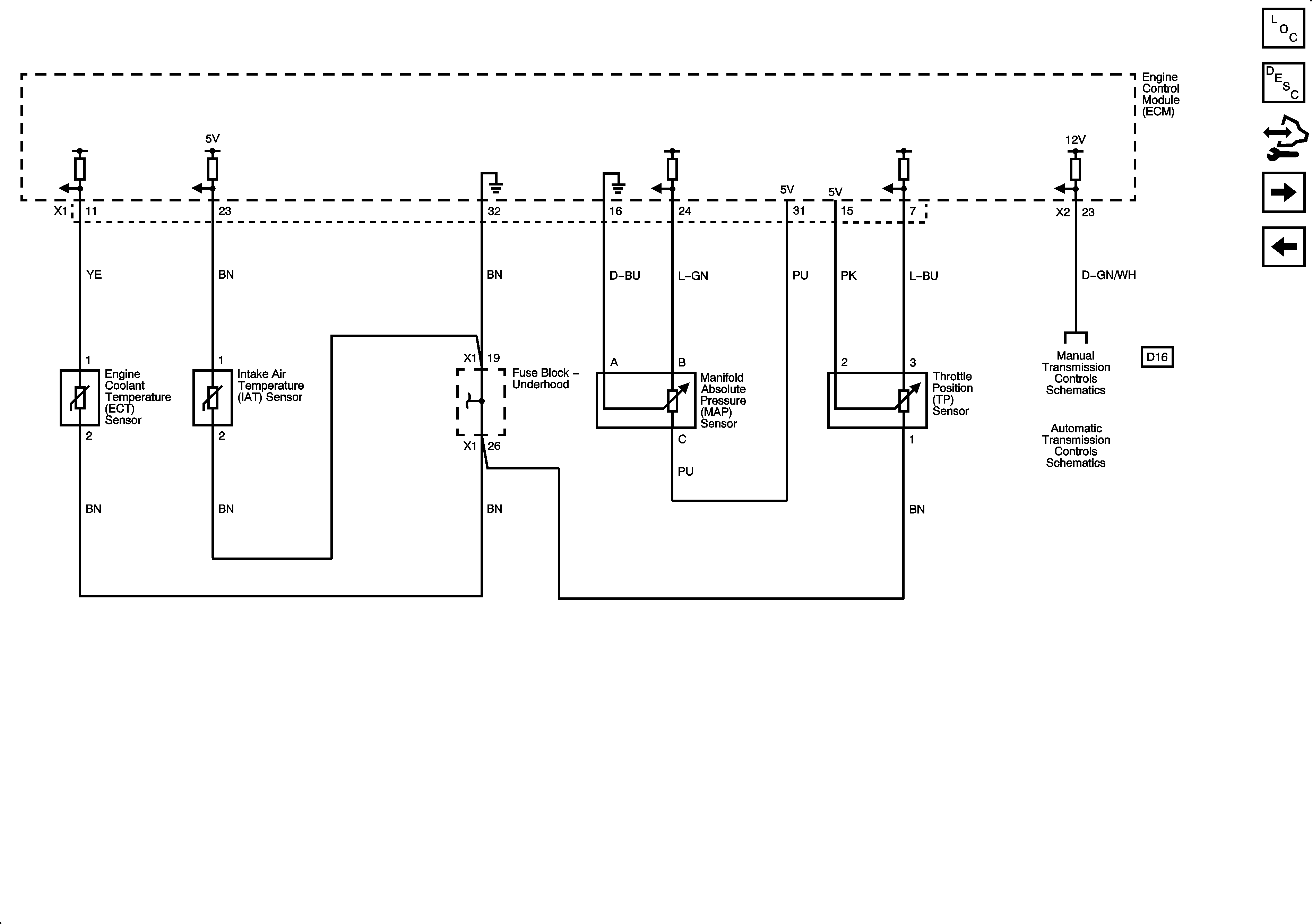
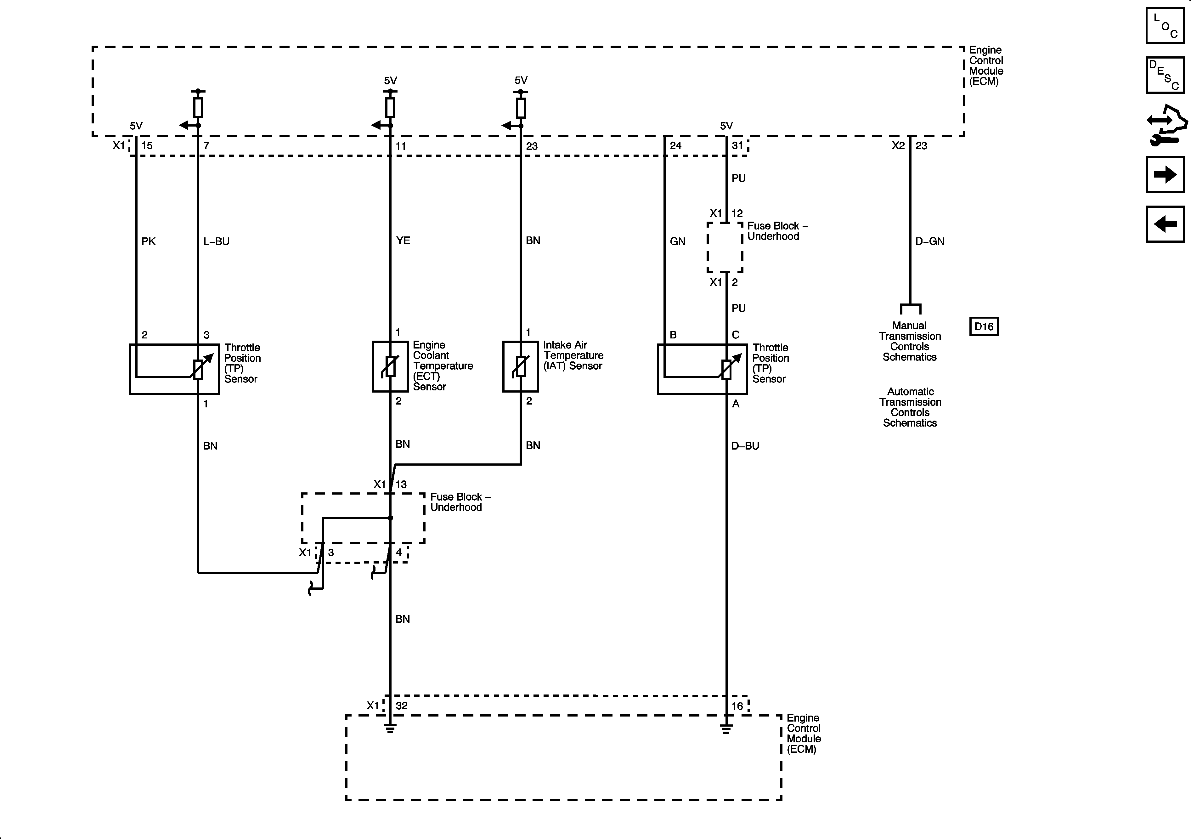
Figure 2:

Engine Data Sensors - Pressure and Temperature, VSS (Hatchback)


Object Number: 2045000  Size: FS
Figure 3:

Engine Data Sensors - Pressure and Temperature, VSS (Notchback)


Object Number: 2045001  Size: FS
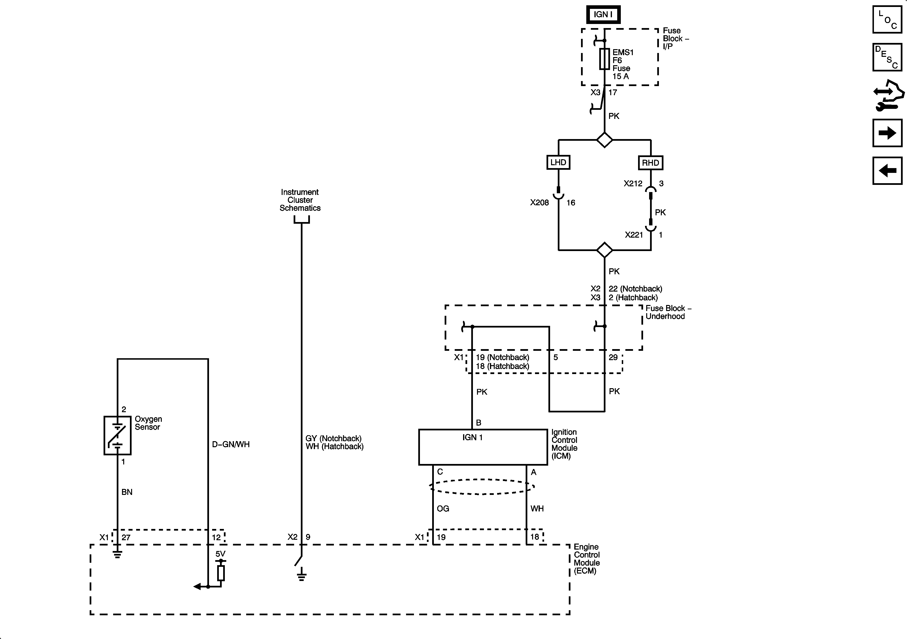
Figure 4:

Ignition System Controls, Oxygen Sensor


Object Number: 2045002  Size: FS
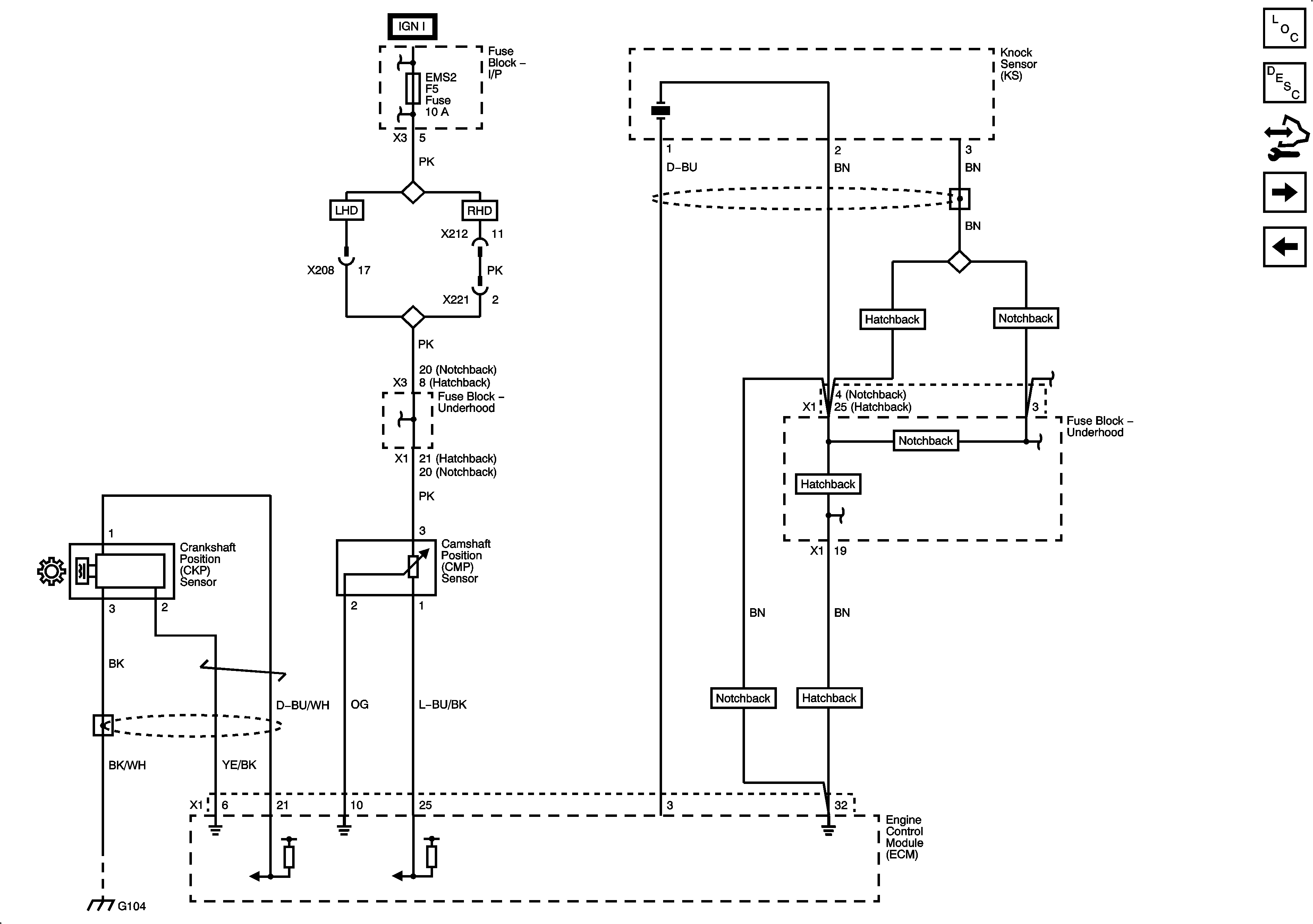
Figure 5:

Ignition Controls - Sensors


Object Number: 2045003  Size: FS
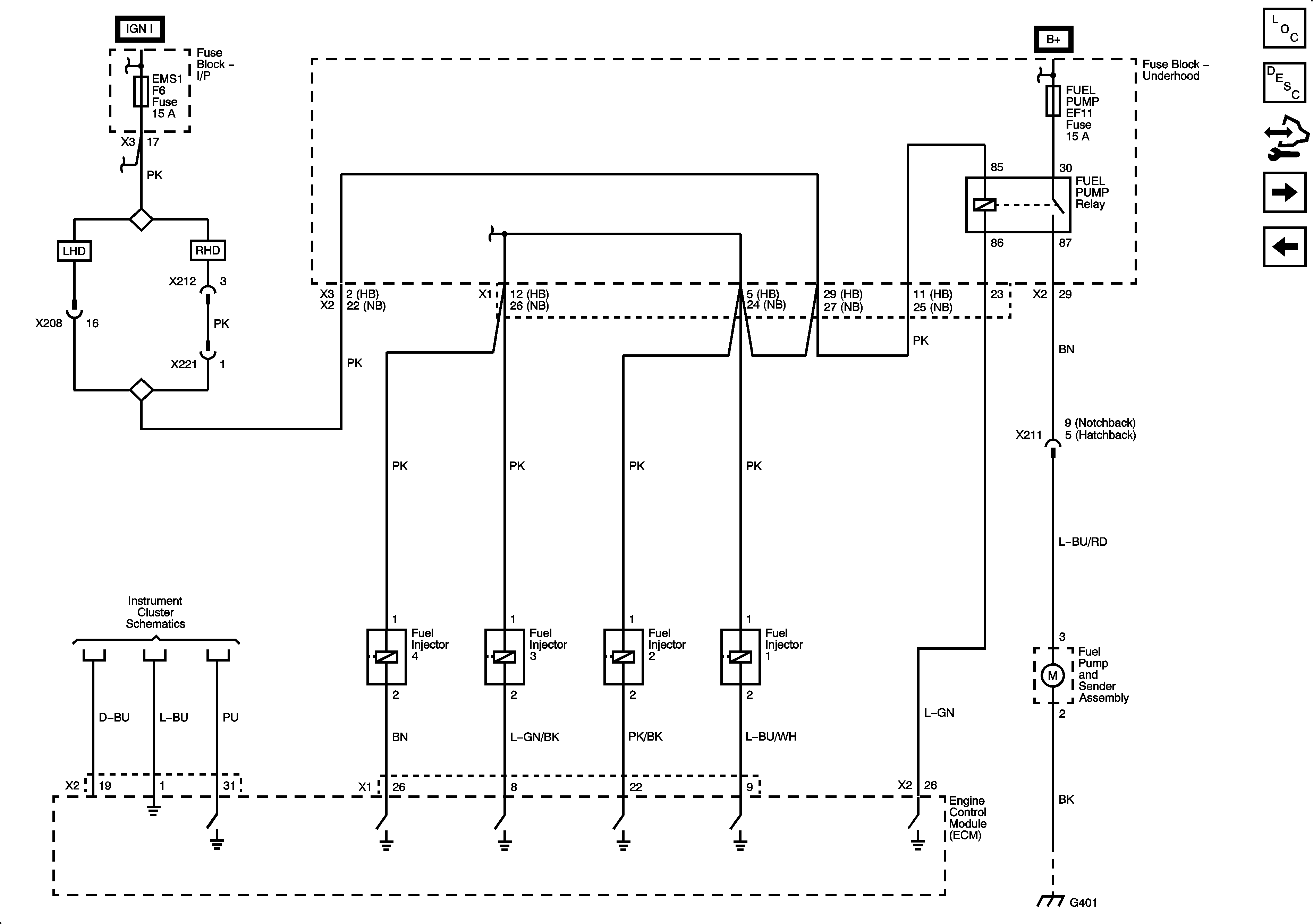
Figure 6:

Fuel Pump Controls and Injectors


Object Number: 2045004  Size: FS
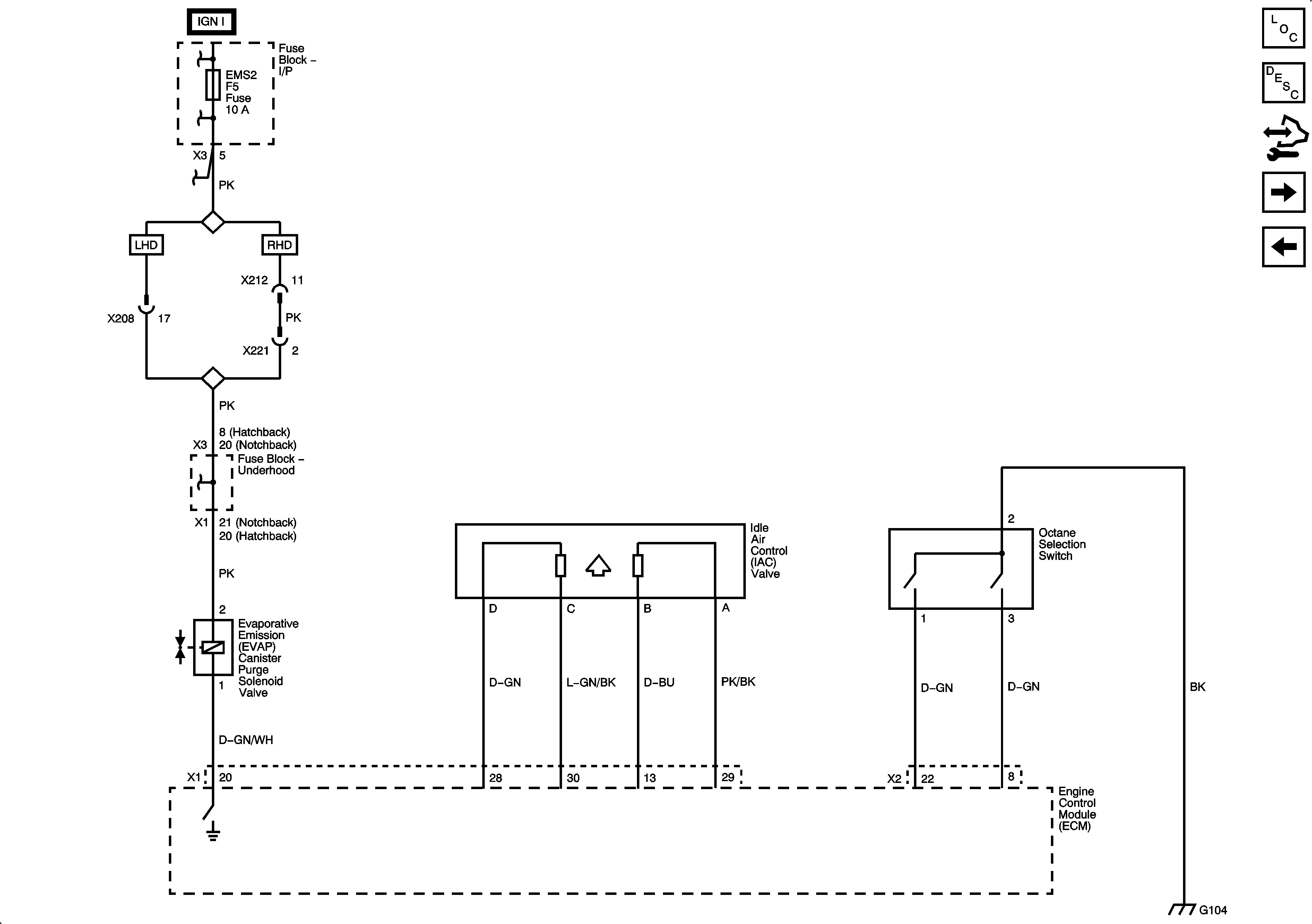
Figure 7:

Fuel EVAP Controls, IAC, Octane Selector Switch


Object Number: 2045005  Size: FS
Figure 8:

Controlled/Monitored Subsystem References


Object Number: 2045006  Size: FS