GM Service Manual Online
For 1990-2009 cars only

Special Tools

EN-49078 Piston Installer

Removal Procedure

  1. Remove the cylinder head. Refer to Cylinder Head Replacement.
  2. Remove the oil pan. Refer to Oil Pan Replacement.

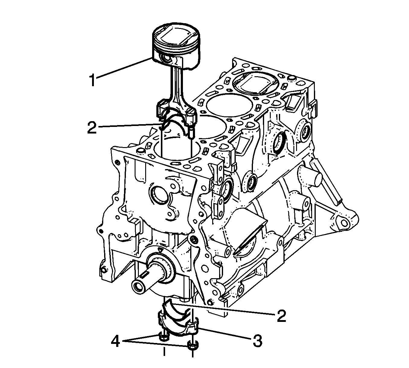
  3. Object Number: 2033833  Size: SH

    Note: Check and confirm the piston assembly sequence and the connecting rod bearing sequence.

  4. Remove the connecting rod cap nuts (4) and rod cap (3).
  5. Remove the piston and rod assembly (1).

  6. Object Number: 2033834  Size: SH
  7. Separate the piston pin from the piston.
  8. Separate the piston rings from the piston.

Installation Procedure


    Object Number: 2033834  Size: SH

    Note: Take extreme care to prevent any scratches or damage to the inner side of the cylinder, piston, and connecting rod cap bearings.

  1. Install the piston pin to the piston.
  2. Install the piston rings to the piston.

  3. Object Number: 2033833  Size: SH

    Note: Check and confirm the piston assembly sequence and the connecting rod bearing sequence.

  4. Install the piston assembly (1) using the EN-49078 installer .
  5. Install the connecting rod cap (3) with bearings (2).
  6. Caution: Refer to Fastener Caution in the Preface section.

  7. Install the connecting rod cap nuts (4).
  8. Tighten
    Tighten the connecting rod caps nuts to 33 N·m(24.3 lb ft).

  9. Install the oil pan. Refer to Oil Pan Replacement.
  10. Install the cylinder head. Refer to Cylinder Head Replacement.