GM Service Manual Online
For 1990-2009 cars only
Figure 1:

Power, Ground, MIL, Serial Data


Object Number: 2132344  Size: FS
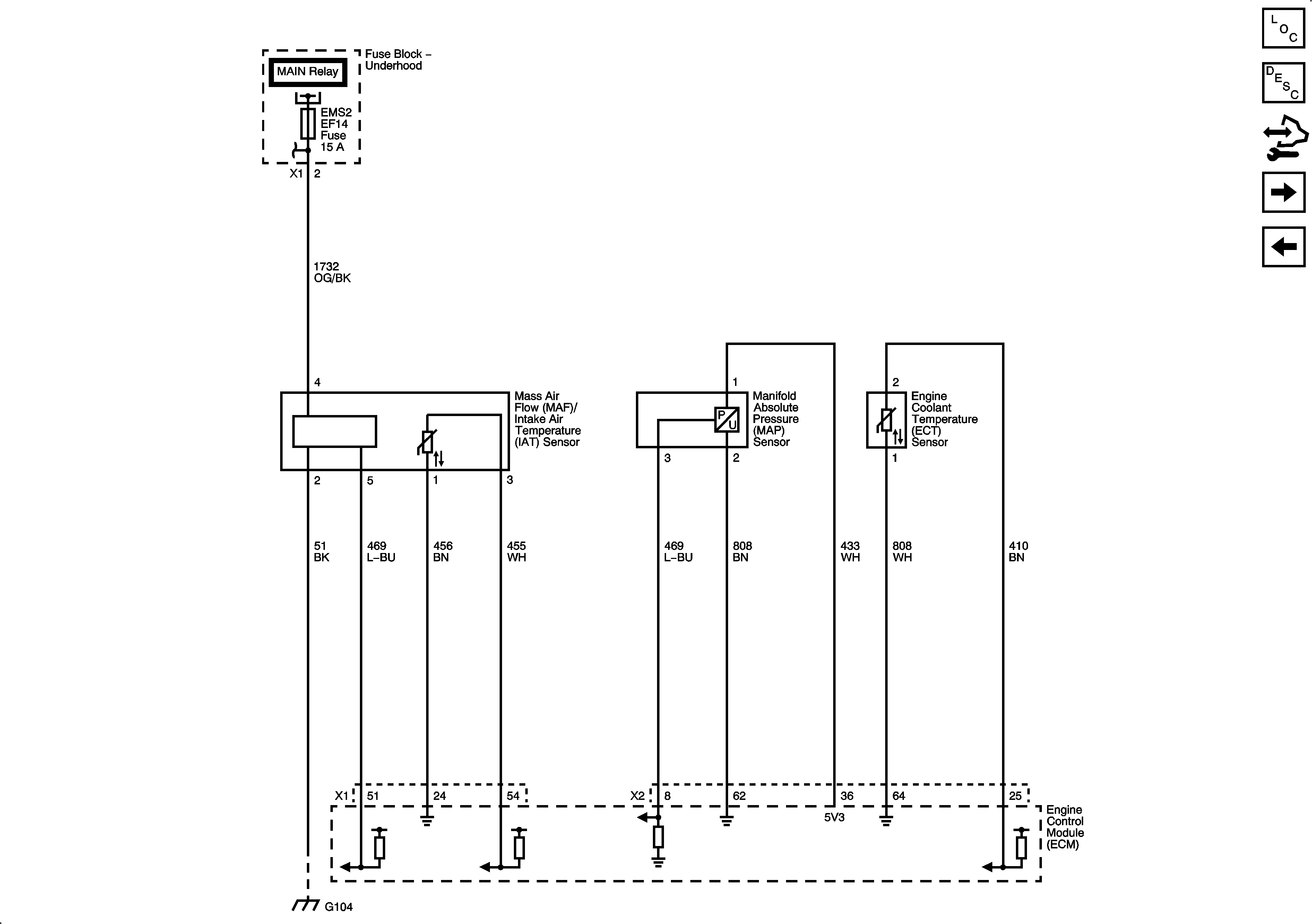
Figure 2:

Engine Data Sensors - Pressure and Temperature, Stop Lamp, VSS


Object Number: 2132358  Size: FS
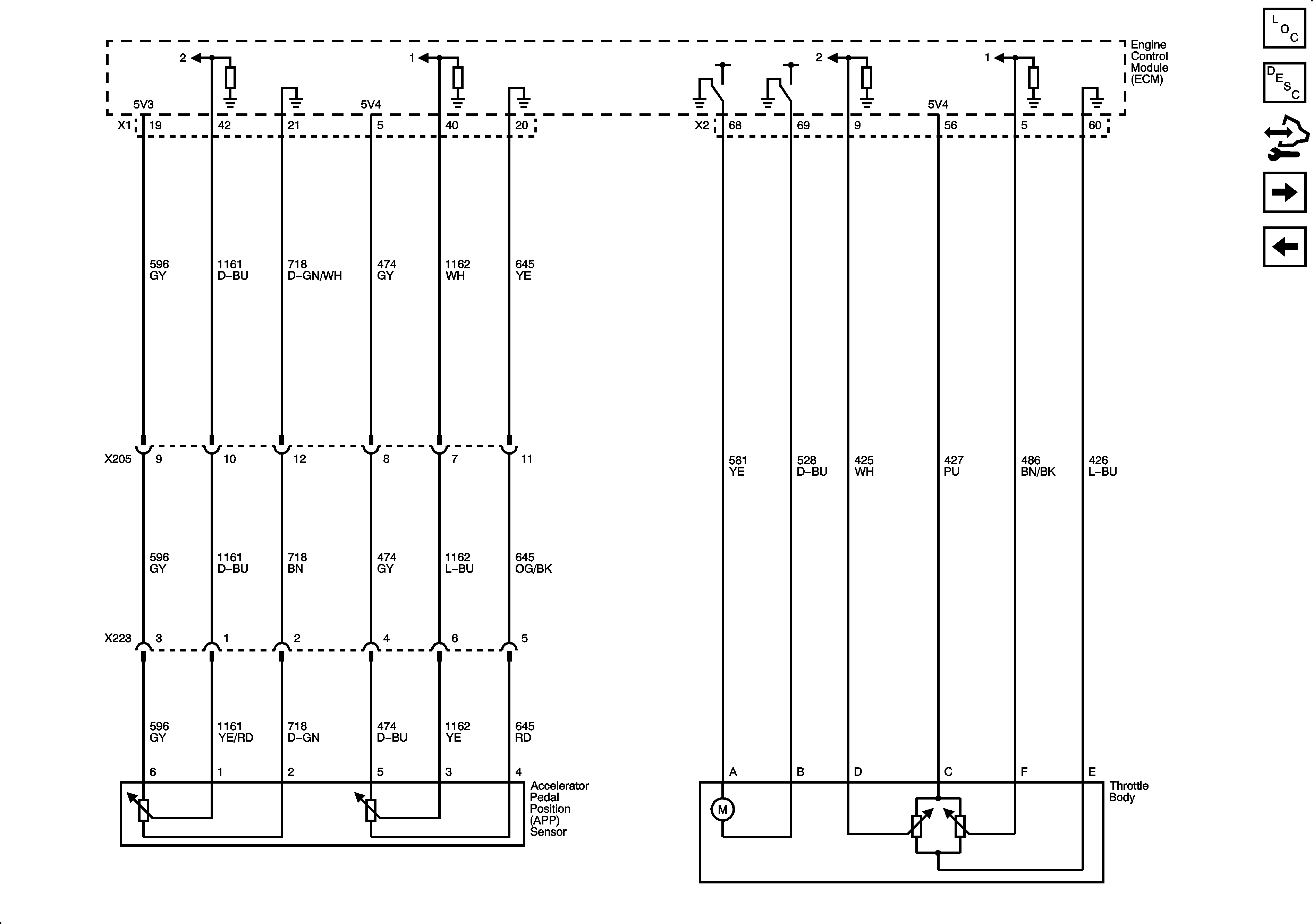
Figure 3:

Engine Data Sensors - Electronic Throttle Controls


Object Number: 2132366  Size: FS
Figure 4:

Engine Data Sensors - Oxygen Sensors


Object Number: 2132374  Size: FS
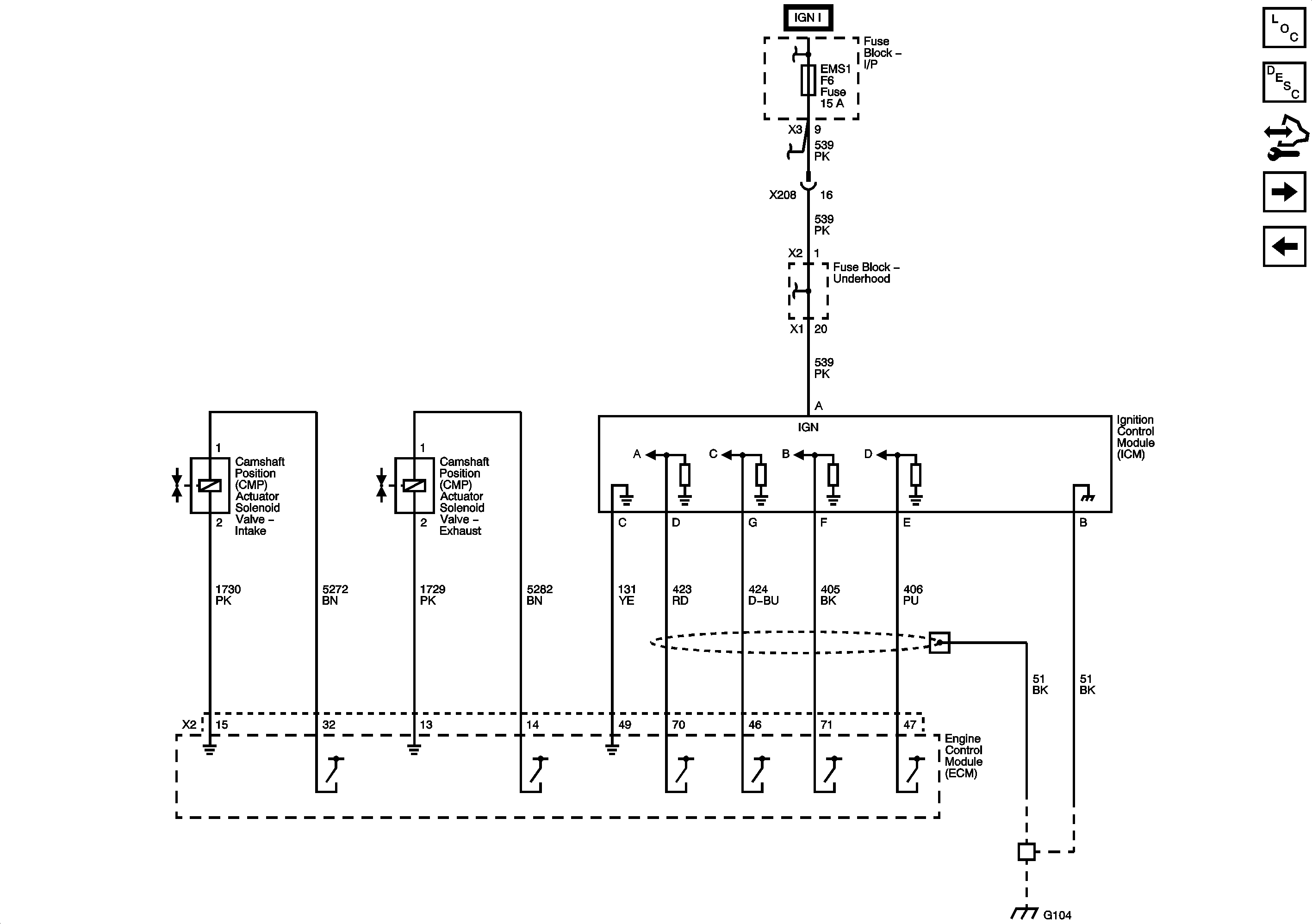
Figure 5:

Ignition Controls System, CMP Solenoid Valves


Object Number: 2132381  Size: FS
Figure 6:

Ignition Controls - Sensors


Object Number: 2132392  Size: FS
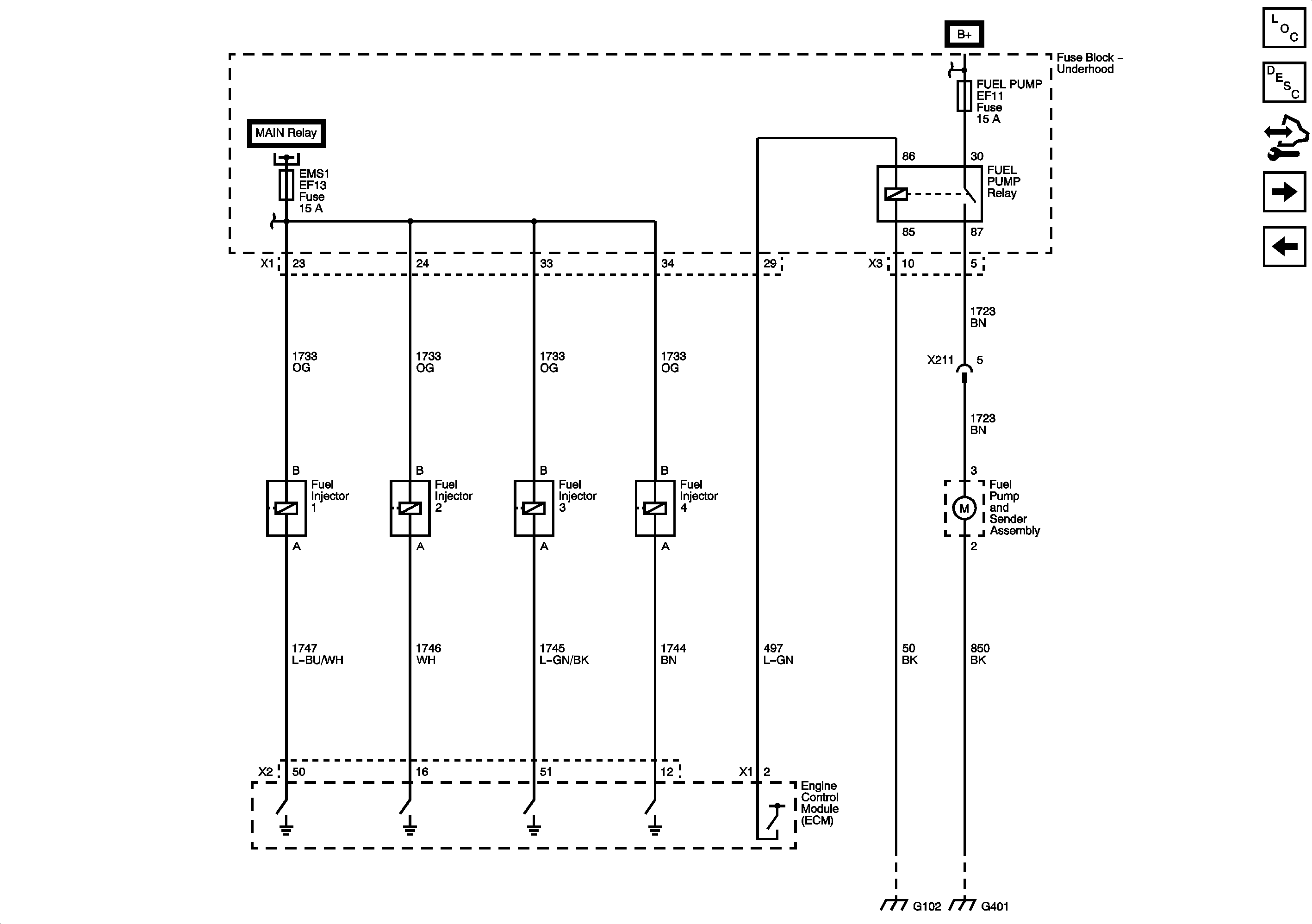
Figure 7:

Fuel Pump Controls, Injectors


Object Number: 2132404  Size: FS
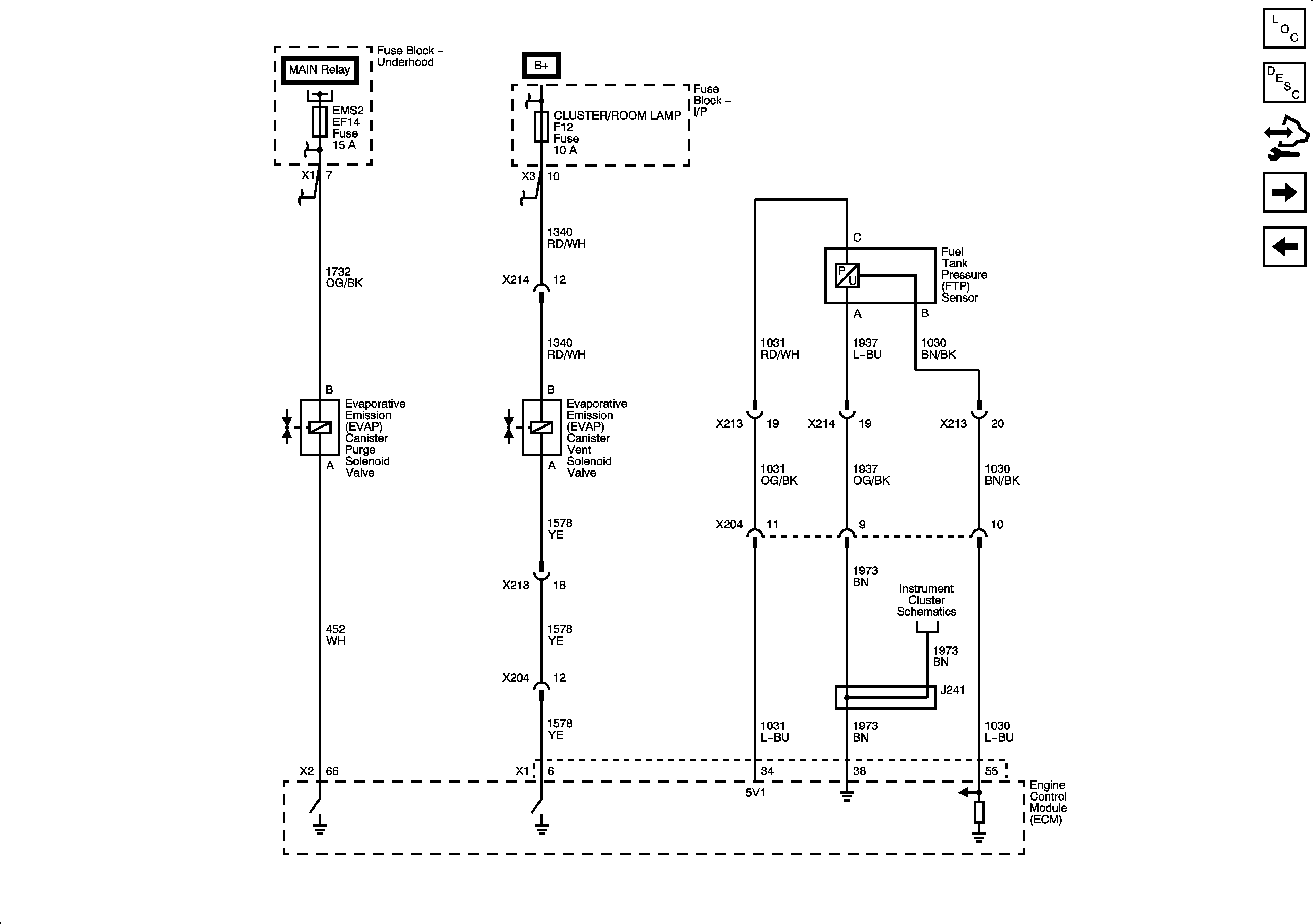
Figure 8:

Fuel EVAP Controls and Rough Road Sensor


Object Number: 2132408  Size: FS
Figure 9:

Controlled/Monitored Subsystem References


Object Number: 2132416  Size: FS