GM Service Manual Online
For 1990-2009 cars only
Makes
🢒
Pontiac
🢒
2009
🢒
Wave
🢒
Diagnostic Navigation
🢒
Vehicle Diagnostic Information
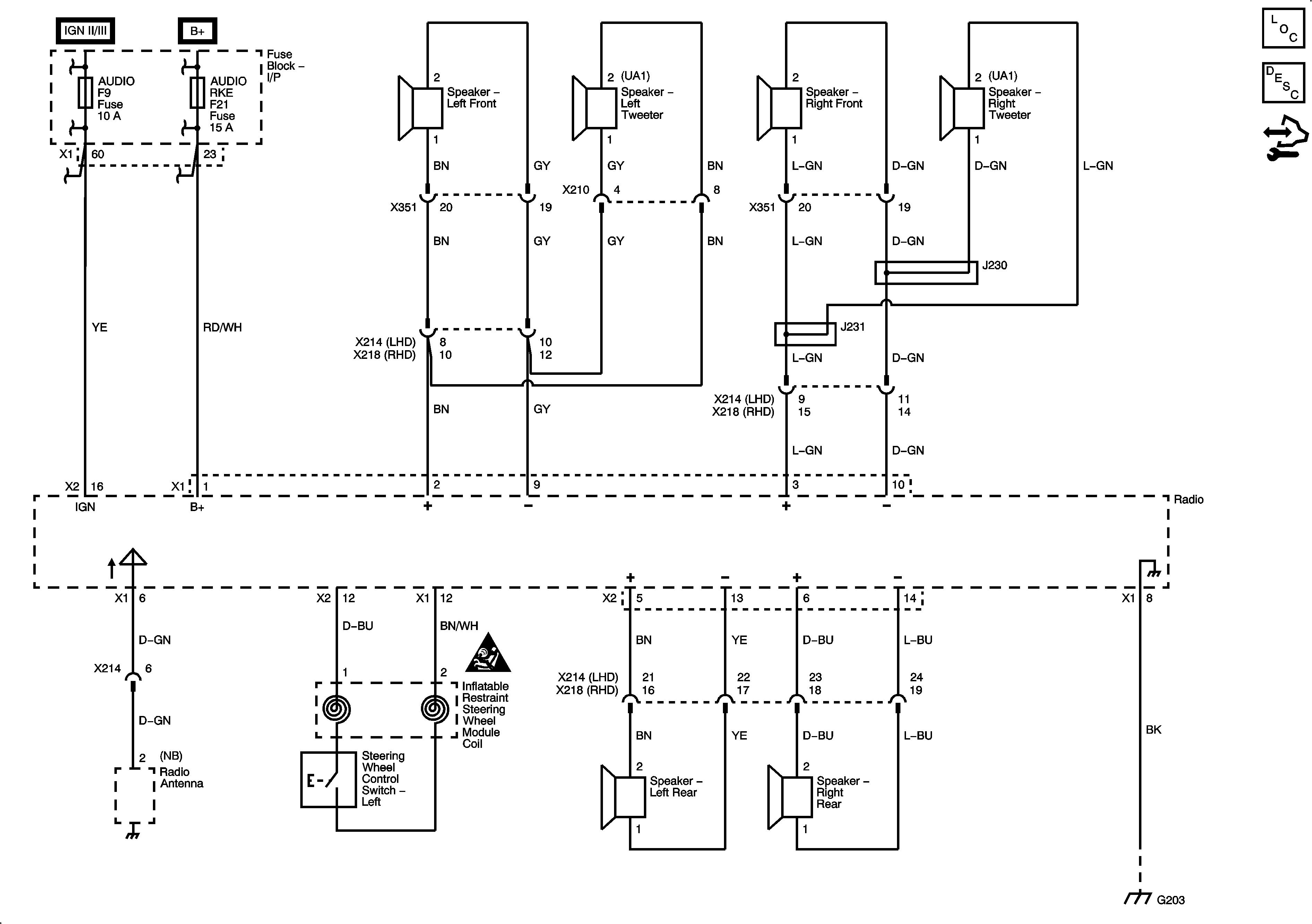
🢒 Radio/Navigation System Schematics
Radio