GM Service Manual Online
For 1990-2009 cars only
Makes
🢒
Pontiac
🢒
2009
🢒
Wave
🢒
Suspension
🢒
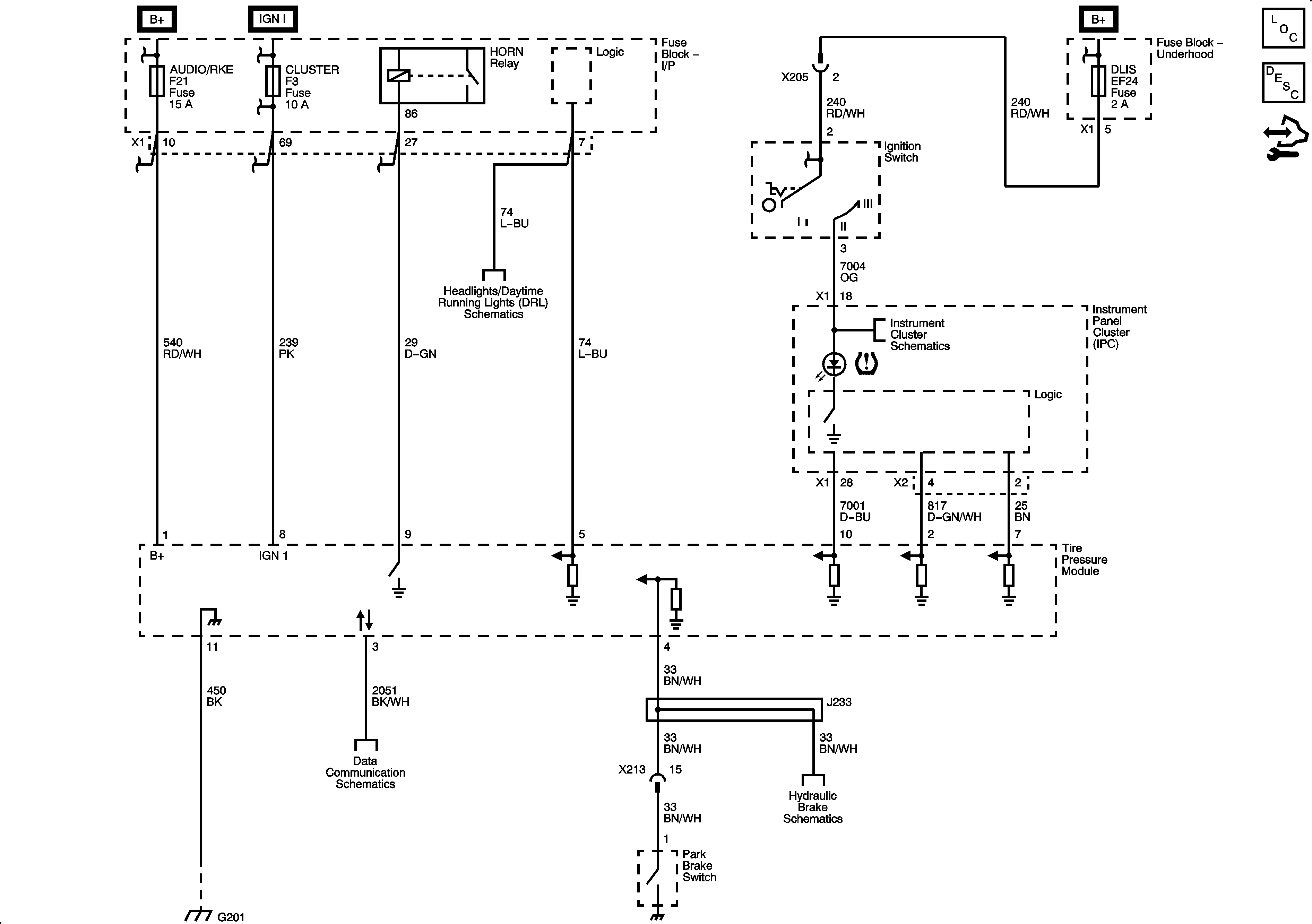
Tire Pressure Monitoring
🢒 Tire Pressure Monitoring System Schematics