GM Service Manual Online
For 1990-2009 cars only
Makes
🢒
Pontiac
🢒
2009
🢒
Wave
🢒
Body Systems
🢒
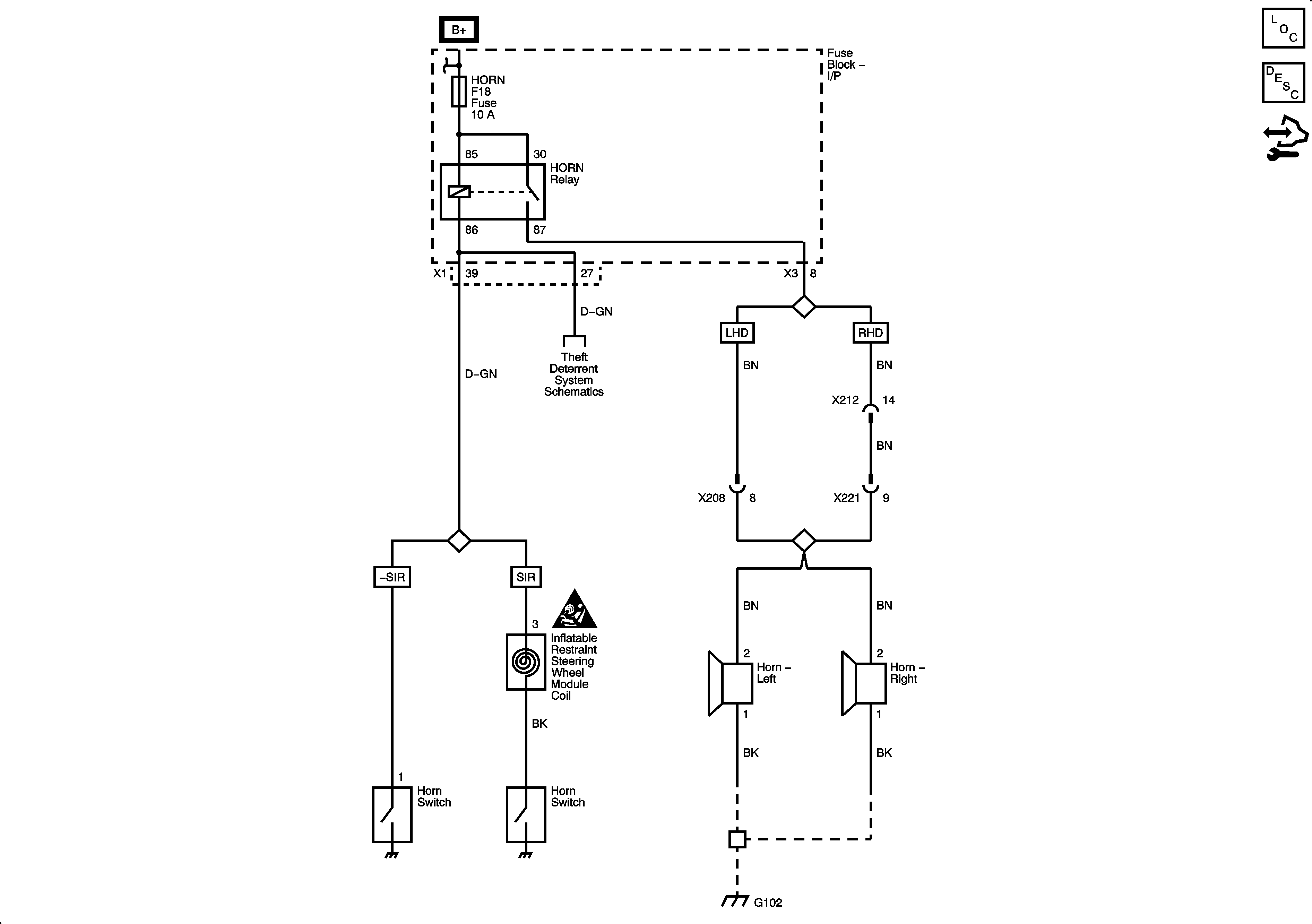
Horns
🢒 Horn Schematics