GM Service Manual Online
For 1990-2009 cars only
Makes
🢒
Pontiac
🢒
2009
🢒
Wave
🢒
Body Systems
🢒
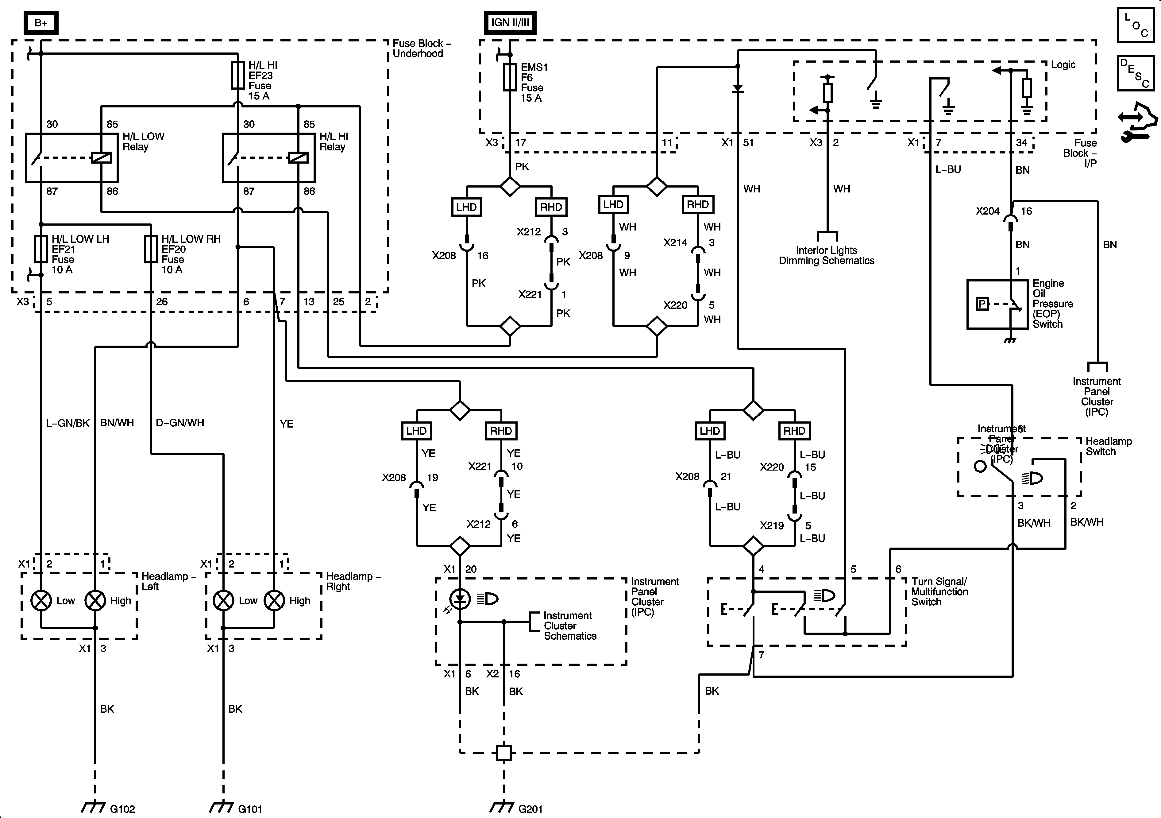
Lighting
🢒 Headlights/Daytime Running Lights (DRL) Schematics
Headlights - Notchback