GM Service Manual Online
For 1990-2009 cars only
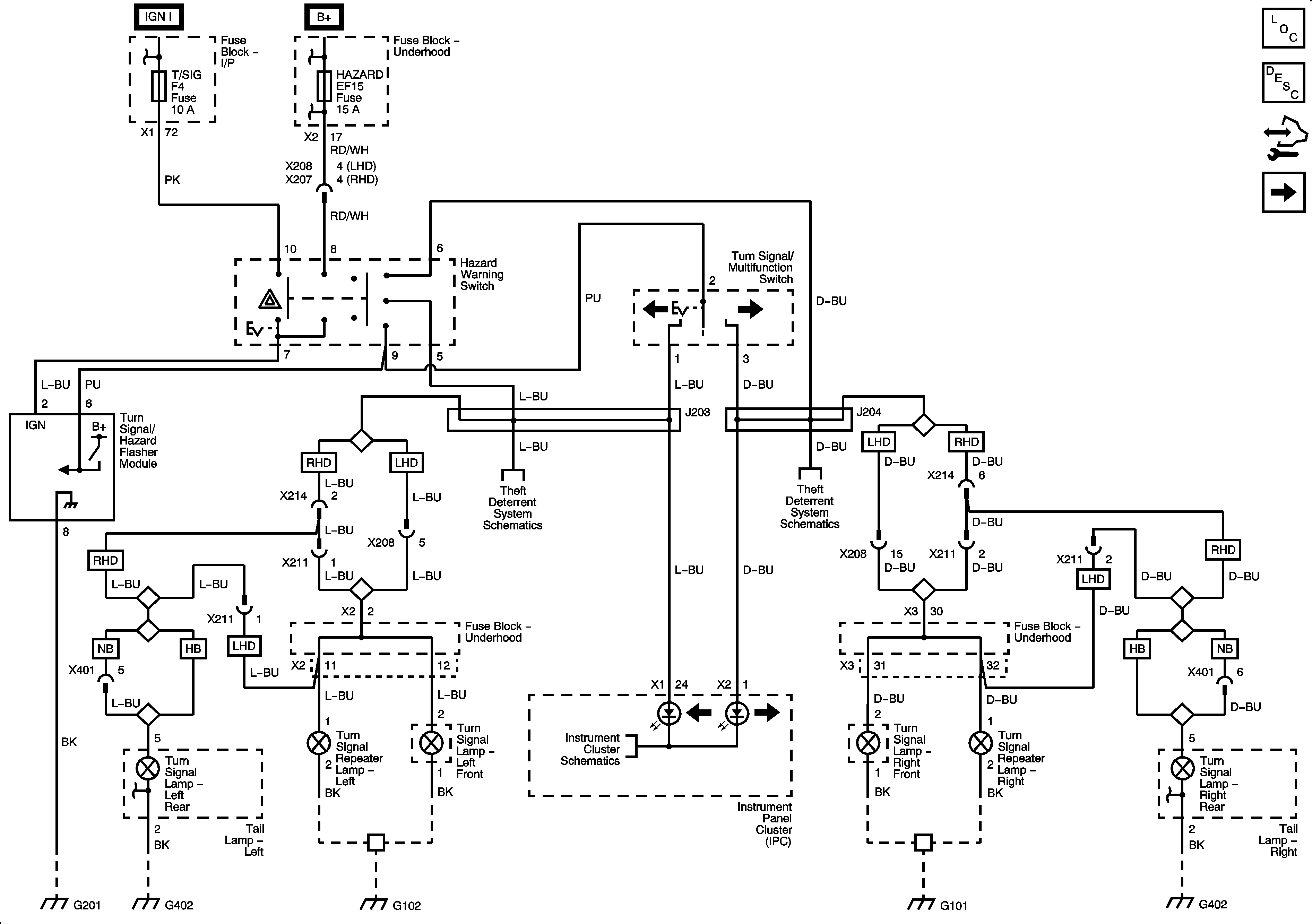
Figure 1:

Turn Signals


Object Number: 2052710  Size: FS
Figure 2:

Park and Turn Indicator Lamps


Object Number: 2052708  Size: FS
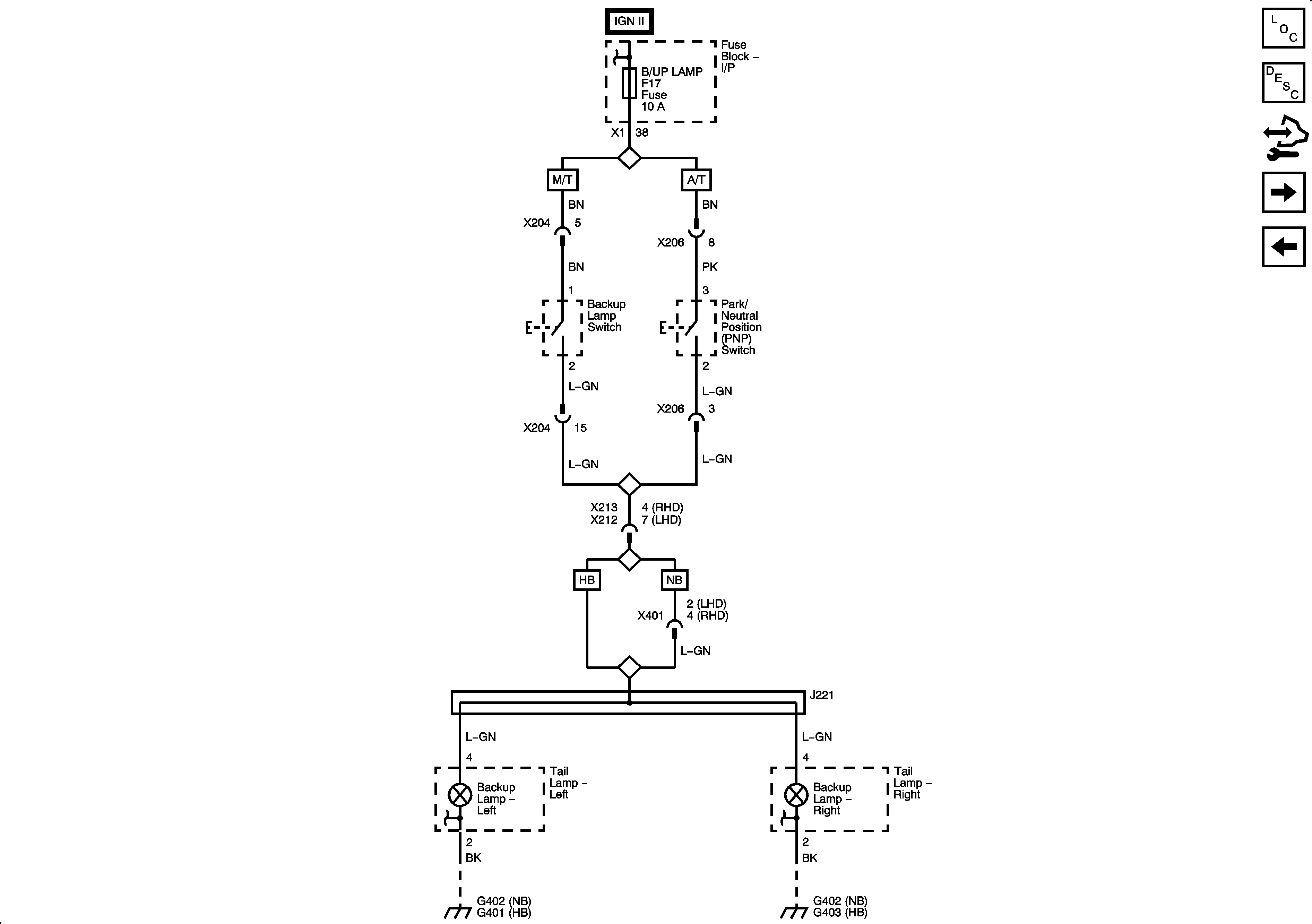
Figure 3:

Backup Lamps


Object Number: 2052701  Size: FS
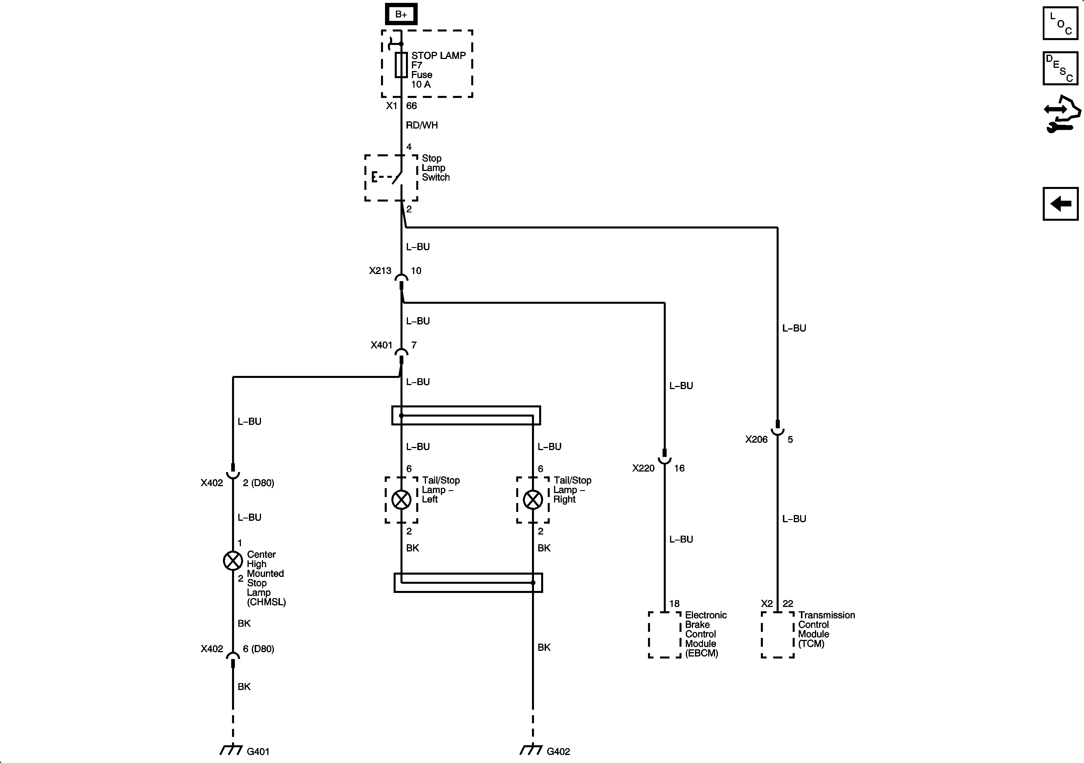
Figure 4:

Stoplamps (Hatchback)


Object Number: 2052601  Size: FS
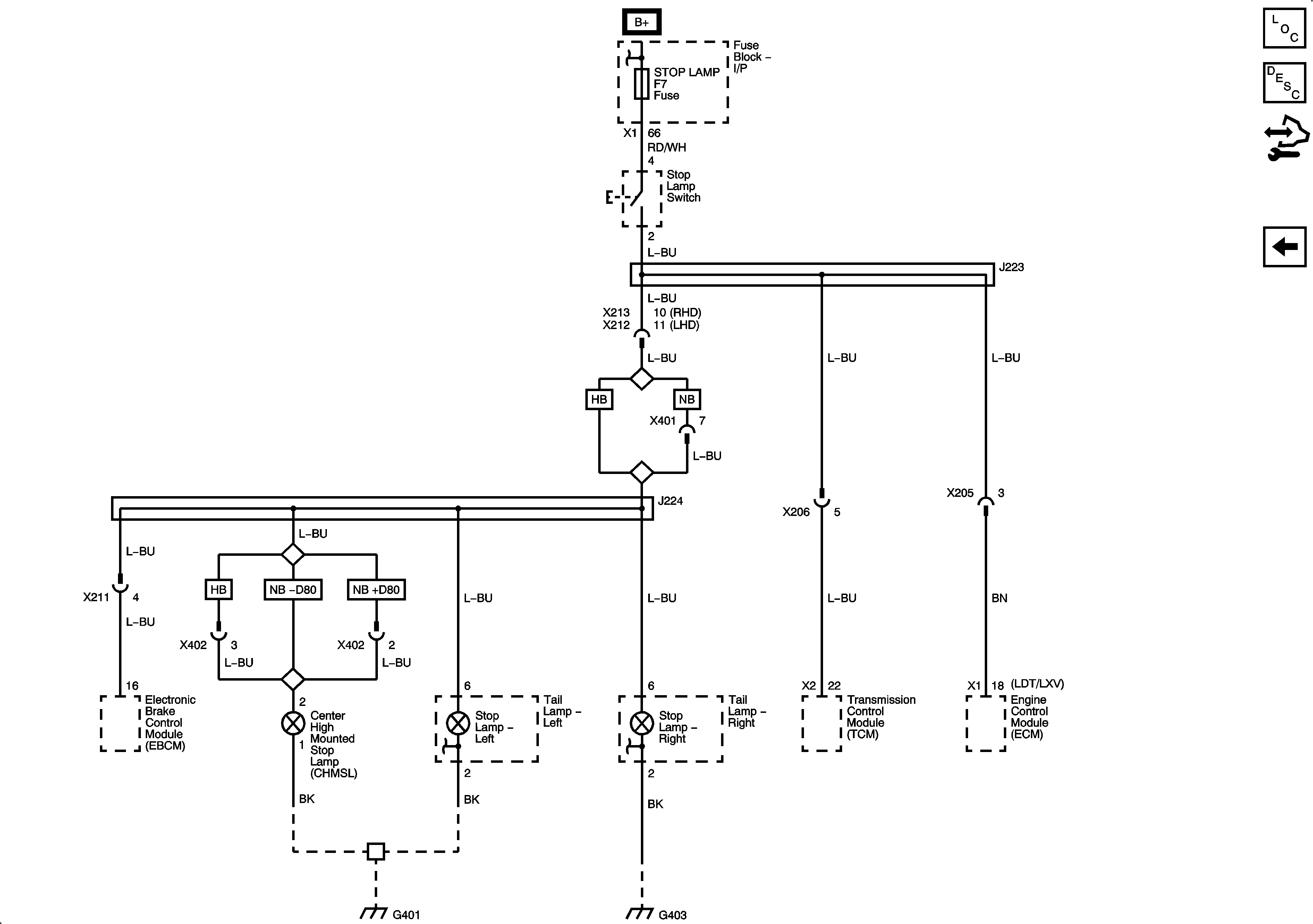
Figure 5:

Stoplamps (Notchback)


Object Number: 2052649  Size: FS