GM Service Manual Online
For 1990-2009 cars only
Makes
🢒
Pontiac
🢒
2009
🢒
Wave
🢒
Body Systems
🢒
Vehicle Access
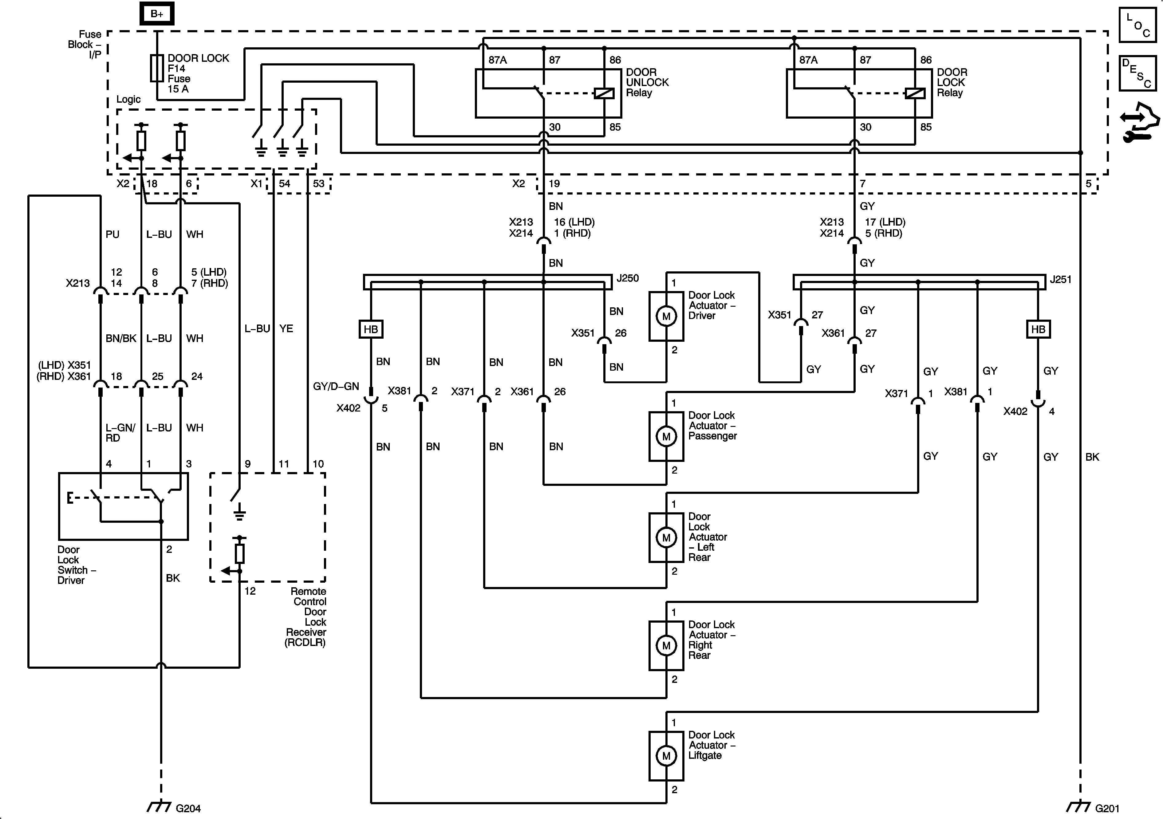
🢒 Door Lock/Indicator Schematics
Master Electrical Component List
Fuel Fill Door Description and Operation
Control Module References