GM Service Manual Online
For 1990-2009 cars only
Makes
🢒
Pontiac
🢒
2009
🢒
Wave
🢒
Brakes
🢒
Antilock Brake System
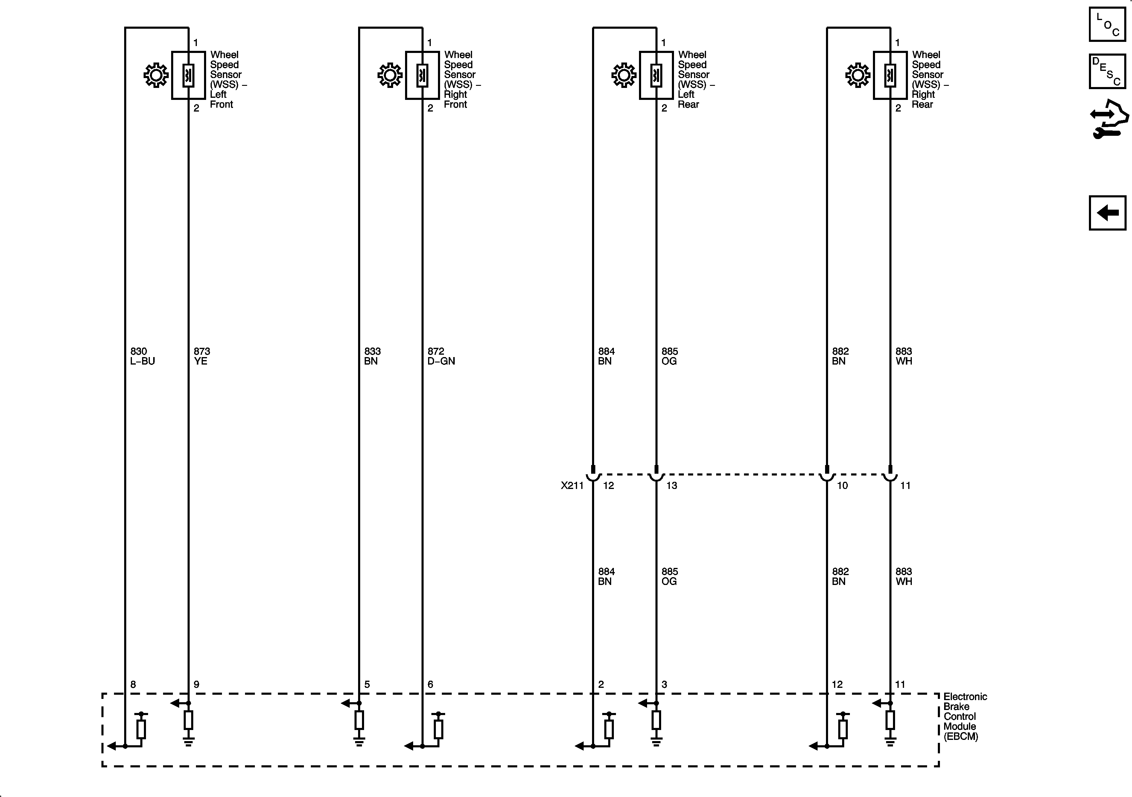
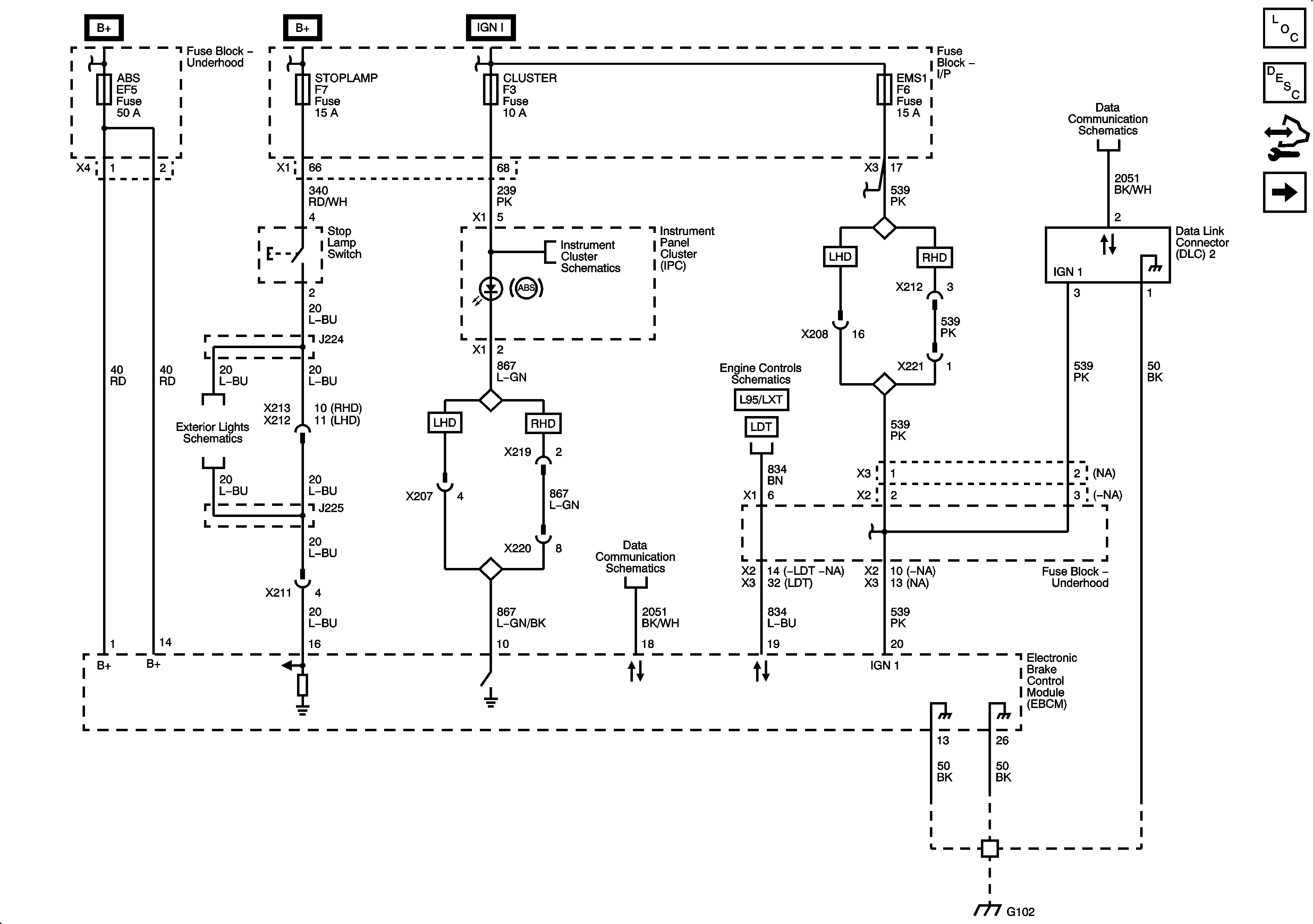
🢒 Antilock Brake System Schematics
Figure
1:
Power, Ground, Serial Data, Stop Lamp, Indicator (Hatchback)
Figure
2:
Wheel Speed Sensors