GM Service Manual Online
For 1990-2009 cars only

Data Communication Schematics without North America


Object Number: 2161348  Size: FS
Master Electrical Component List

Data Communication Schematics North America

Figure 1:

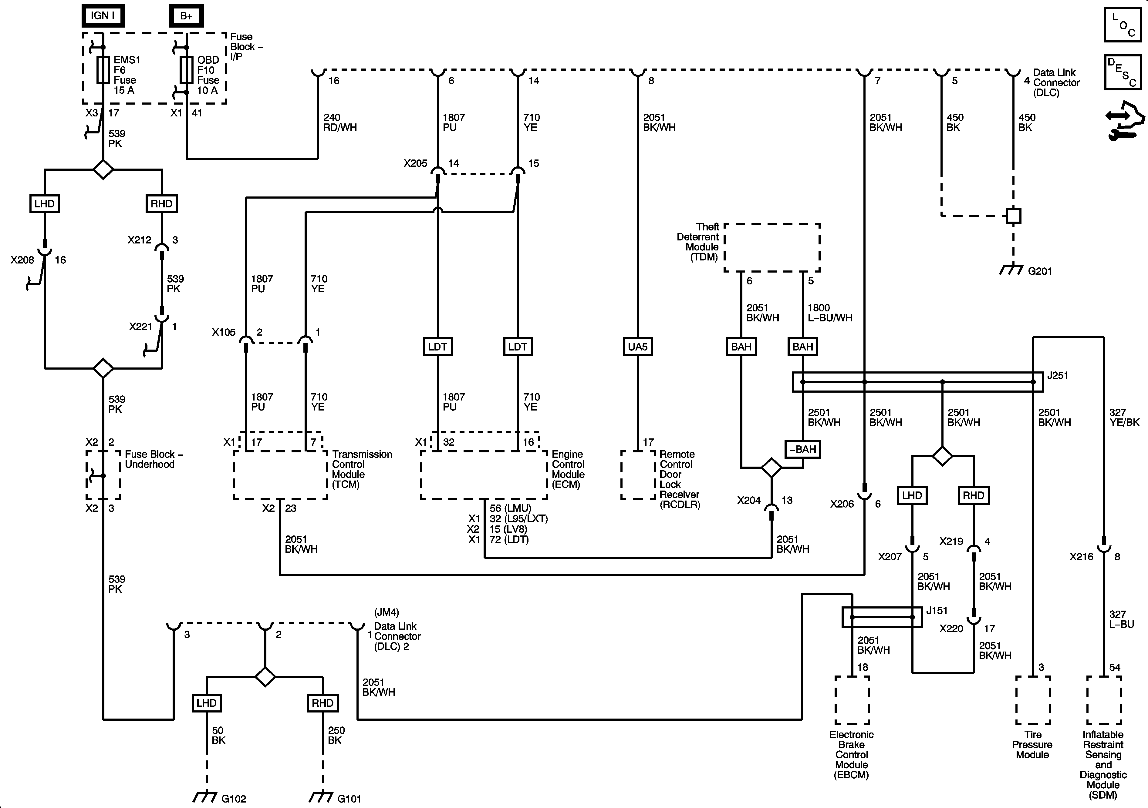
Power, Ground, Data Link Connector, Low Speed GMLAN


Object Number: 2161352  Size: FS
Master Electrical Component List
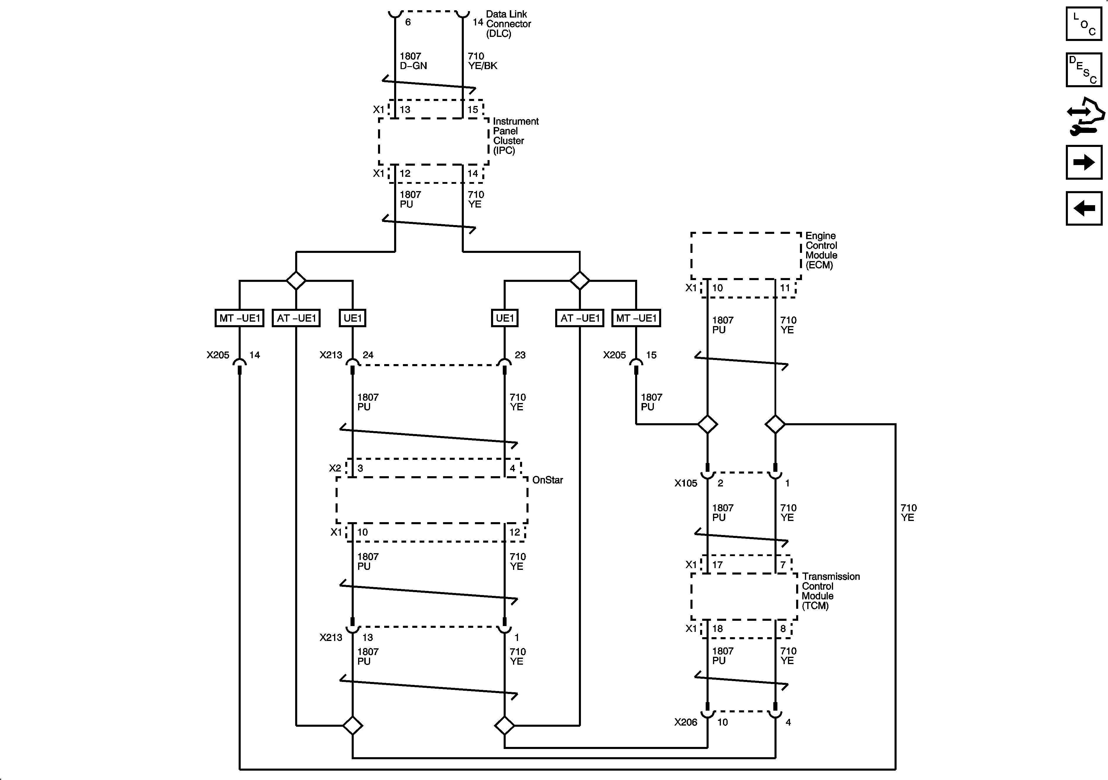
Figure 2:

High Speed GMLAN


Object Number: 2161354  Size: FS
Master Electrical Component List
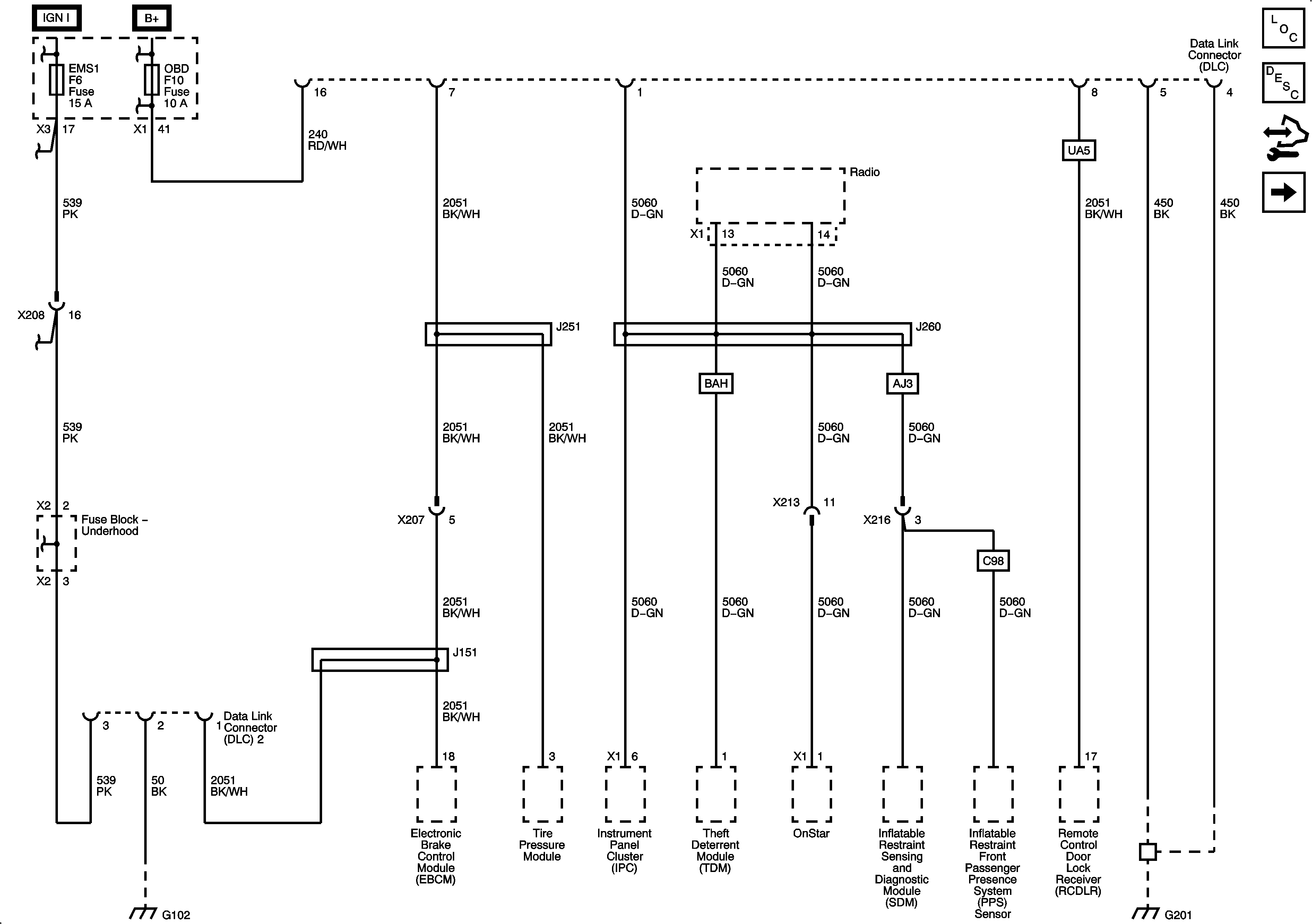
Figure 3:

Accesory Wake Up


Object Number: 2161356  Size: FS
Master Electrical Component List