GM Service Manual Online
For 1990-2009 cars only
Figure 1:

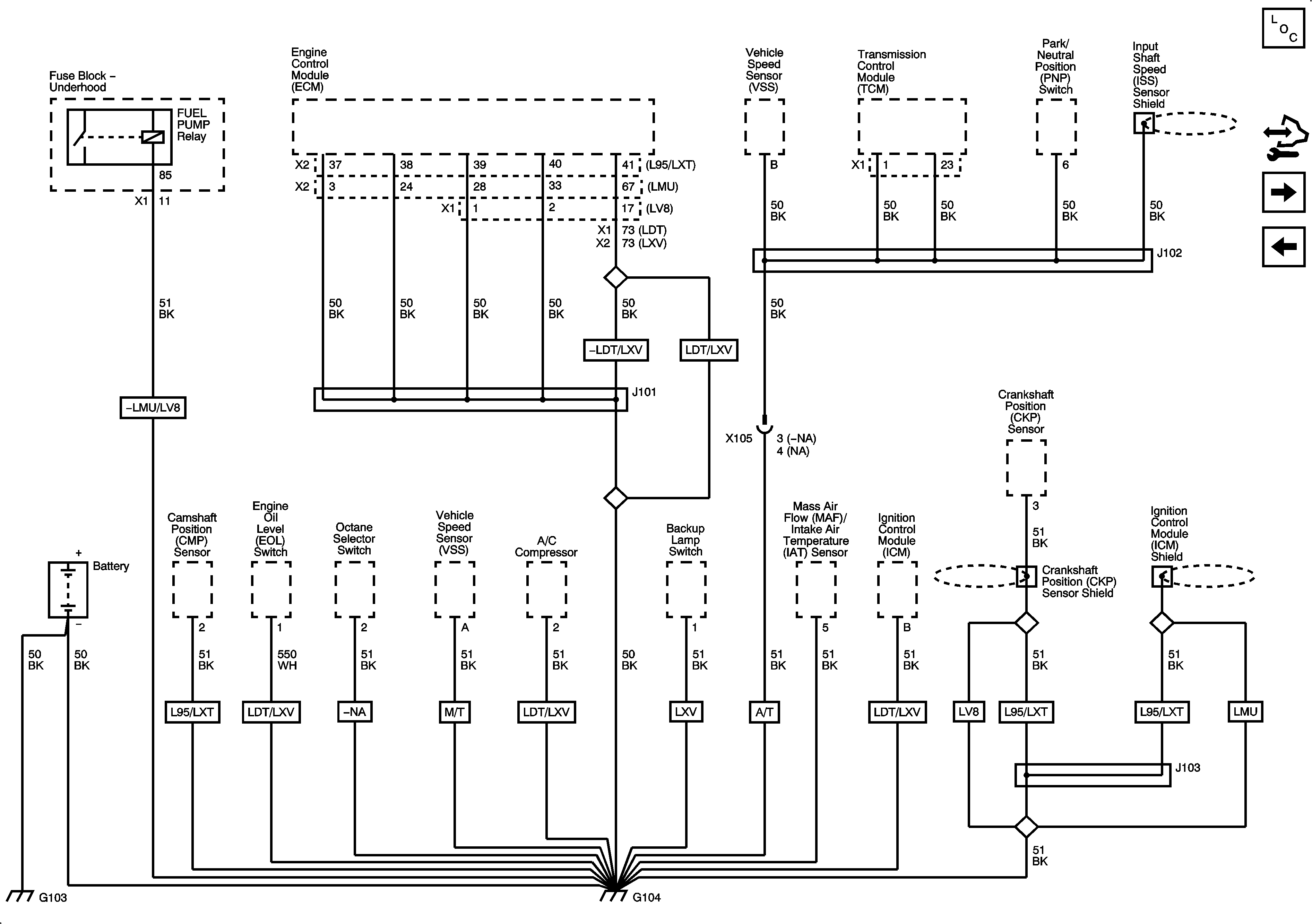
G101, G103, G104


Object Number: 2095470  Size: FS
Master Electrical Component List
Control Module References
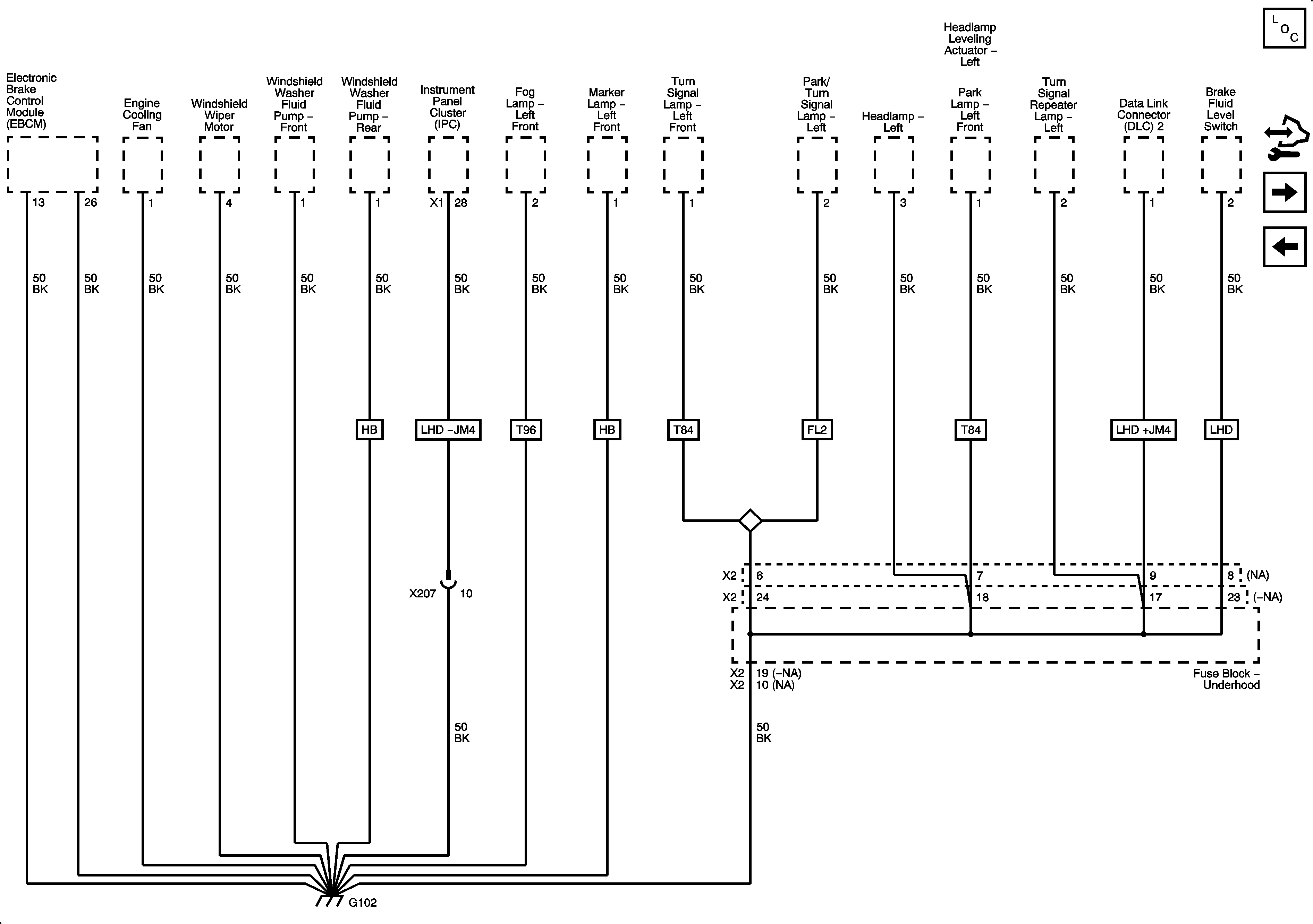
G102
Figure 2:

G102


Object Number: 2095472  Size: FS
Master Electrical Component List
Control Module References
G103, G104
G101
Figure 3:

G104


Object Number: 2095477  Size: FS
Master Electrical Component List
Control Module References
G201 - 1 of 2
G102
Figure 4:

G201 - 1 of 2


Object Number: 2095481  Size: FS
Master Electrical Component List
Control Module References
G201 2 of 2
G103, G104
Figure 5:

G201 - 2 of 2


Object Number: 2095483  Size: FS
Master Electrical Component List
Control Module References
G202, G203
G201 - 1 of 2
Figure 6:

G202, G203


Object Number: 2095486  Size: FS
Master Electrical Component List
Control Module References
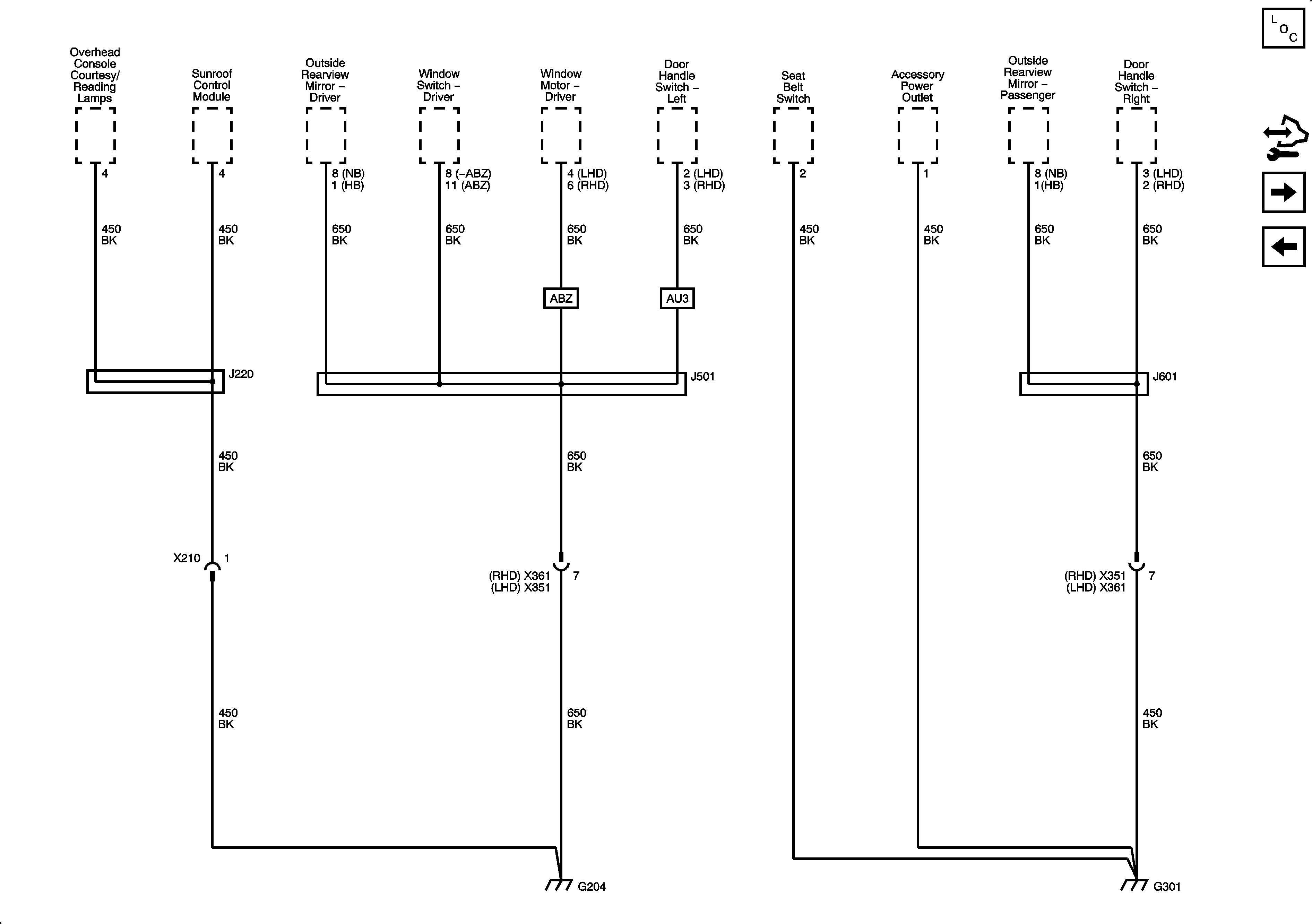
G204, G301
G201 2 of 2
Figure 7:

G204, G301


Object Number: 2095490  Size: FS
Master Electrical Component List
Control Module References
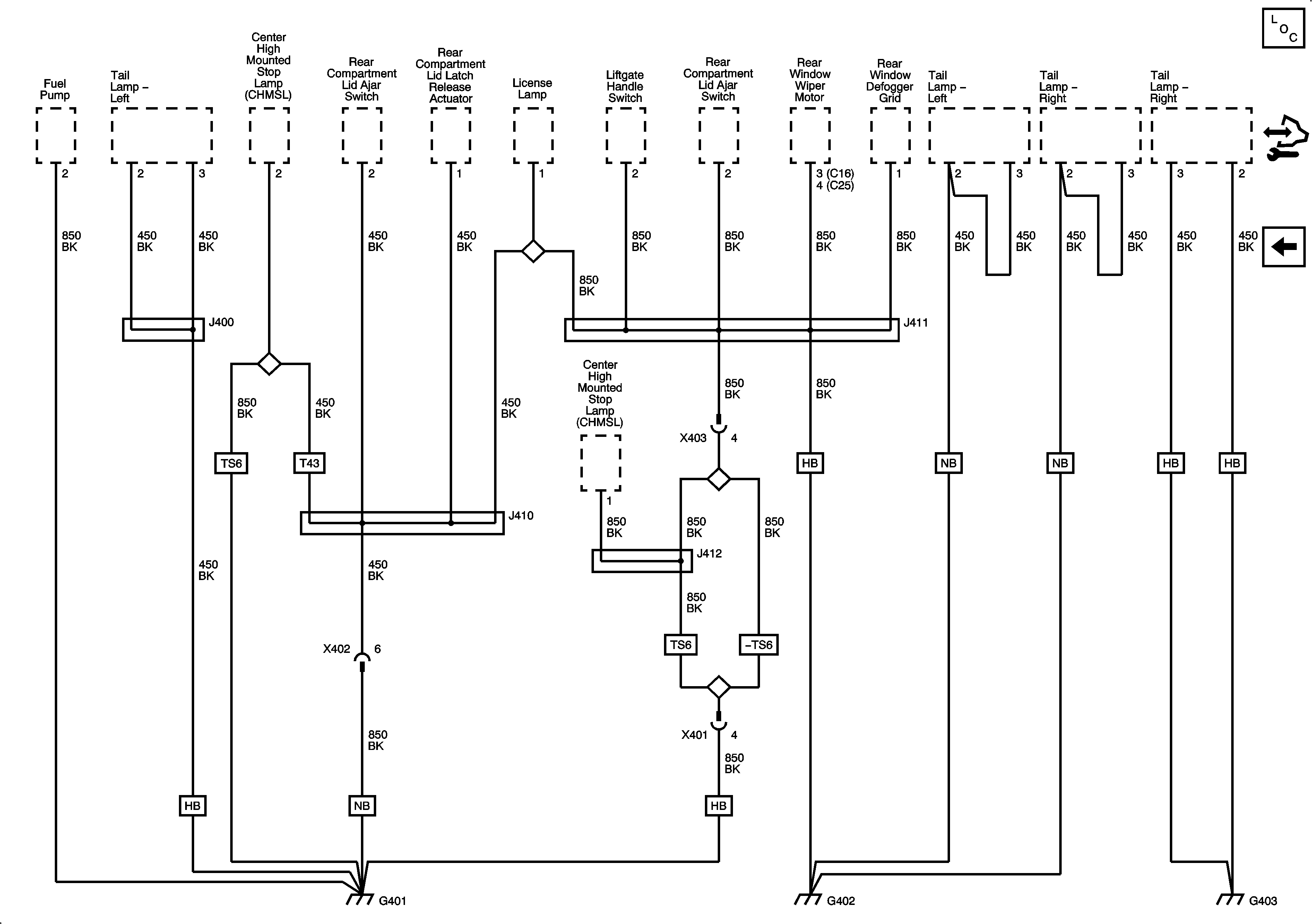
G401, G402, G403
G202, G203
Figure 8:

G401, G402


Object Number: 2095494  Size: FS
Master Electrical Component List
Control Module References
G204, G301