GM Service Manual Online
For 1990-2009 cars only
Figure 1:

Power, Ground, Air Delivery, Subsystem References


Object Number: 2041607  Size: FS
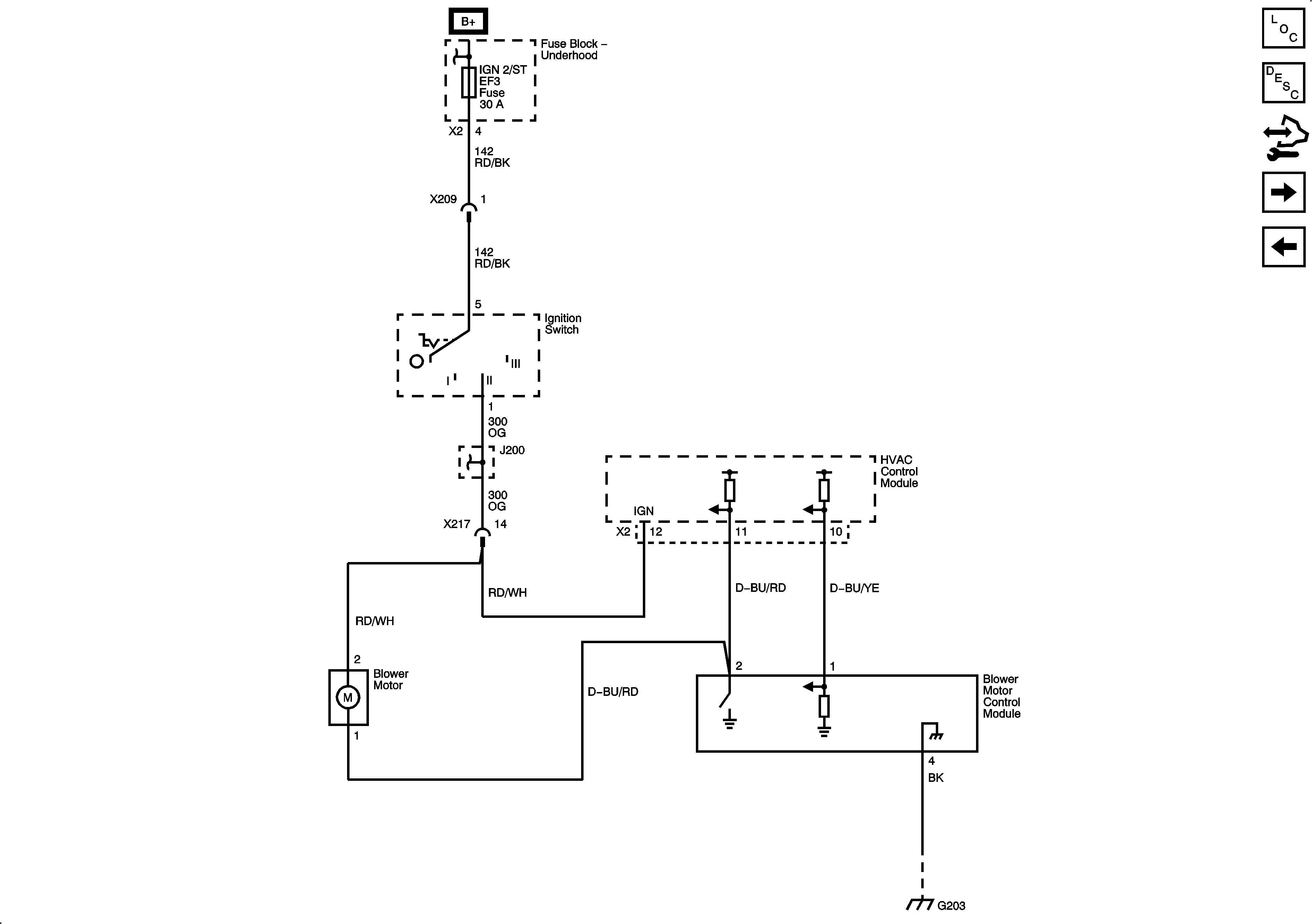
Figure 2:

Blower Control


Object Number: 2041608  Size: FS
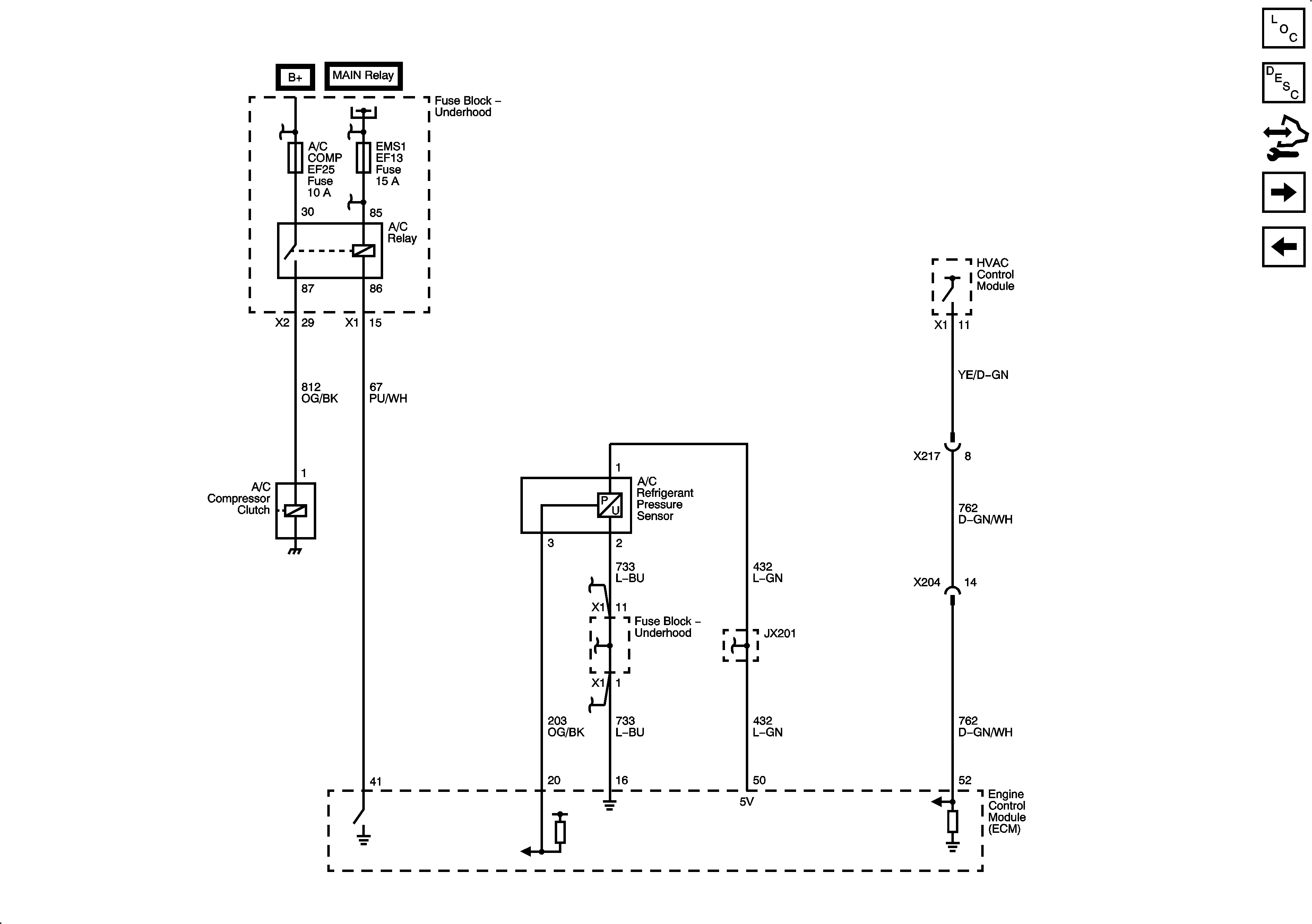
Figure 3:

Compressor Control (1.2L)


Object Number: 2041610  Size: FS
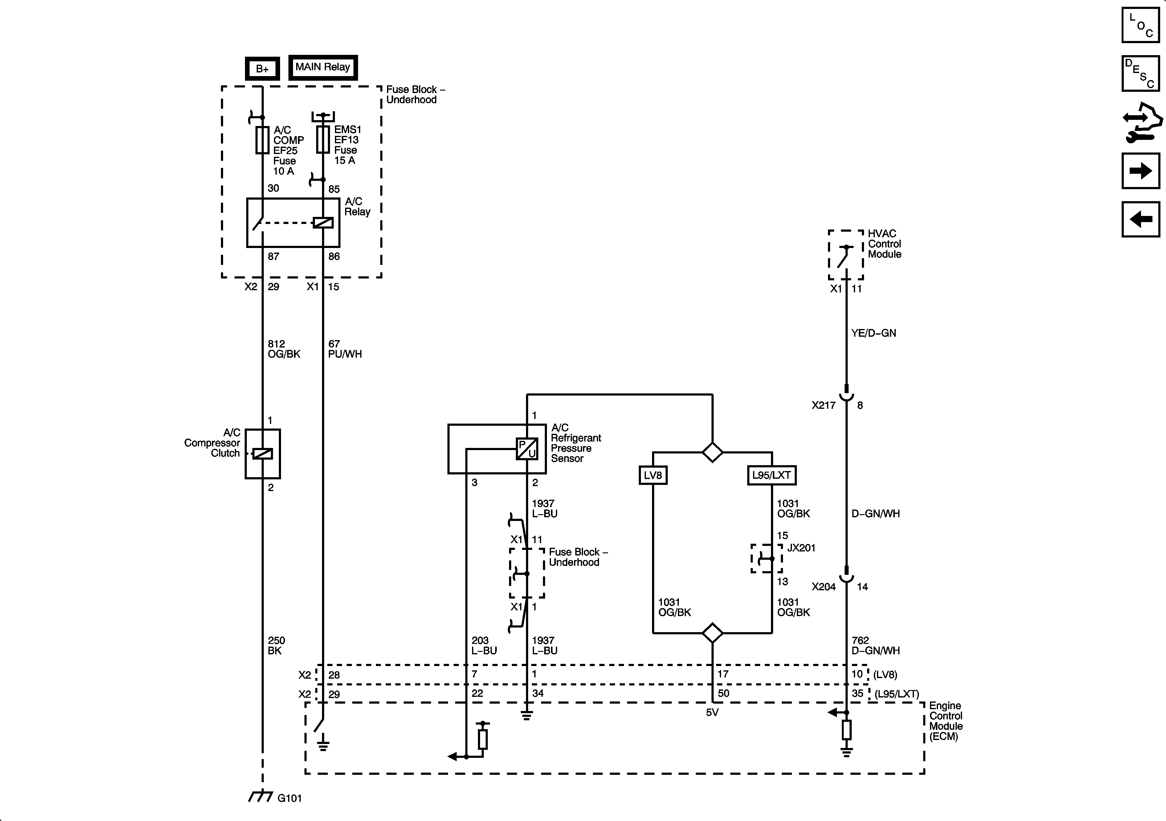
Figure 4:

Compressor Control (1.4L, 1.5L, 1.6L)


Object Number: 2041611  Size: FS
Figure 5:

Compressor Controls 1.4L (LDT), 1.6L (LXV)


Object Number: 2049169  Size: FS
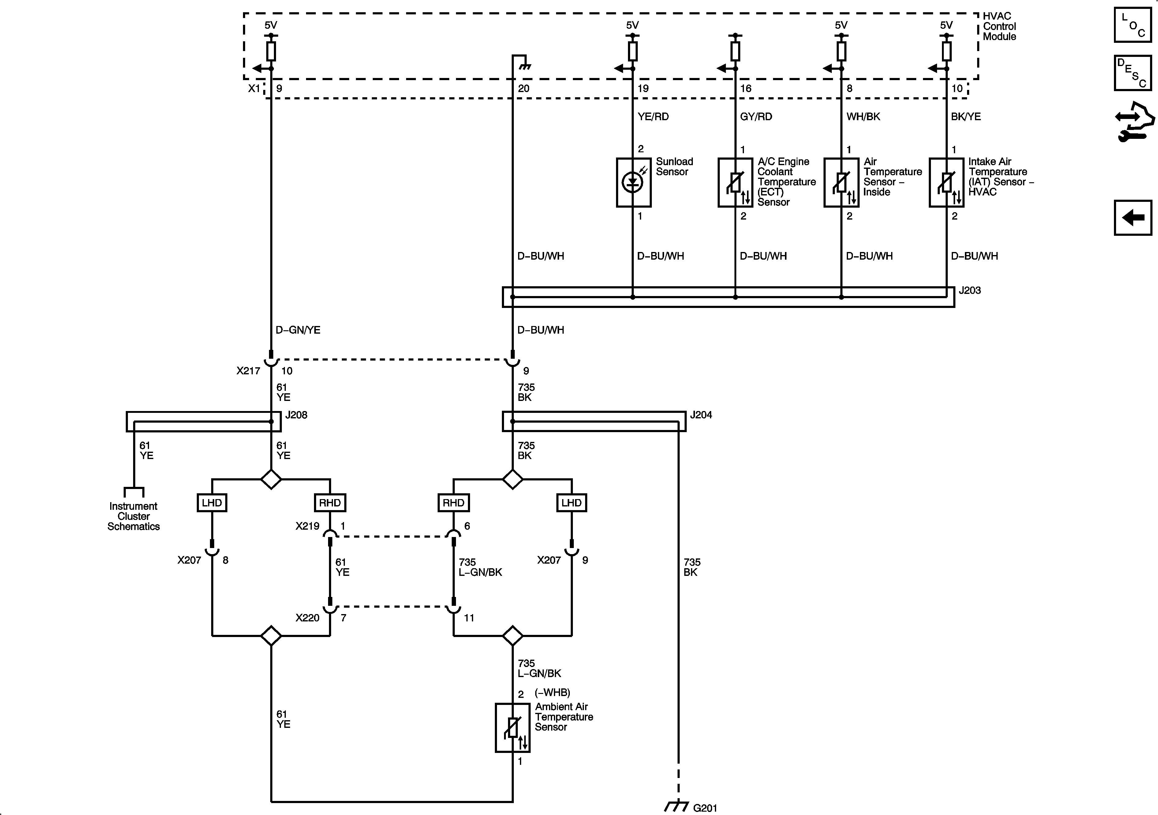
Figure 6:

Sensors


Object Number: 2041612  Size: FS