GM Service Manual Online
For 1990-2009 cars only

Removal Procedure

  1. Raise the vehicle. Refer to Lifting and Jacking the Vehicle .

  2. Object Number: 1297873  Size: SH
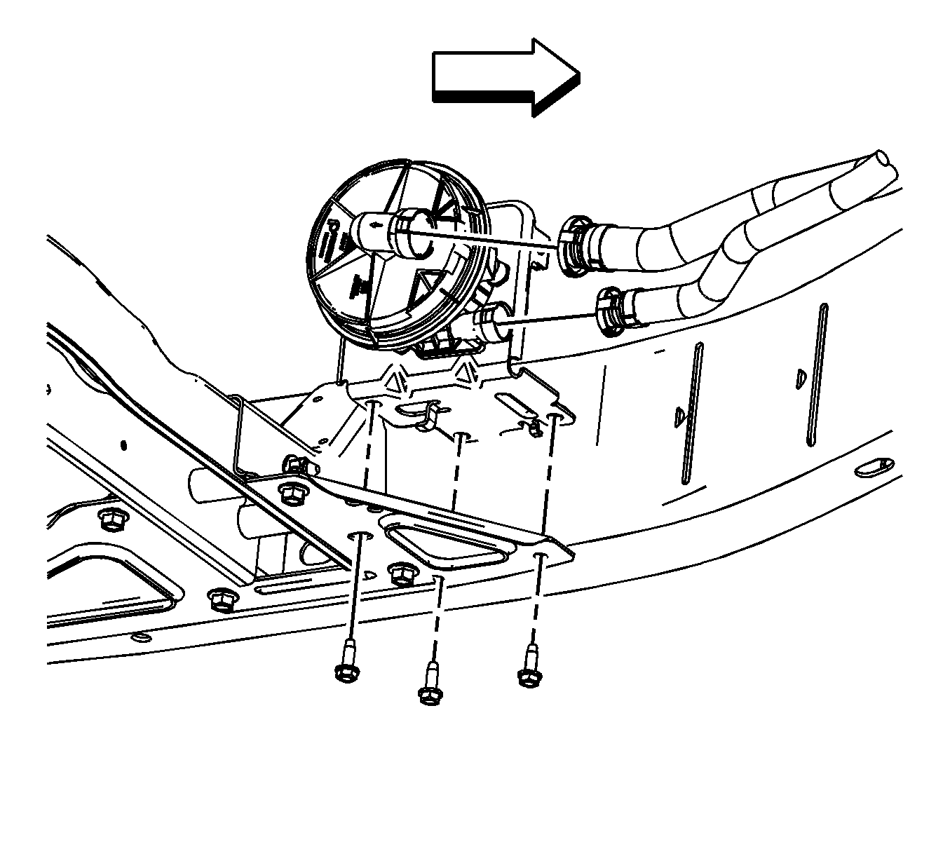
  3. Disconnect both the air inlet and air outlet pipes from the secondary air injection (AIR) reaction pump.
  4. Remove the electrical relay from the AIR pump bracket.
  5. Disconnect the electrical connector from the AIR pump.
  6. Remove the 3 bolts securing the AIR pump bracket to the vehicle frame.
  7. Remove the AIR pump from the vehicle.

Installation Procedure


    Object Number: 1297873  Size: SH
  1. Install the AIR pump to the vehicle.
  2. Notice: Refer to Fastener Notice in the Preface section.

  3. Install the 3 bolts securing the AIR pump bracket to the vehicle frame.
  4. Tighten
    Tighten the bolts to 20 N·m (15 lb ft).

  5. Connect the electrical connector to the AIR pump.
  6. Install the electrical relay to the AIR pump bracket.
  7. Important: Ensure the air inlet and air outlet pipes are clean and clear of any debris before connecting to the AIR pump.

  8. Connect both the air inlet and air outlet pipe to the AIR pump.
  9. Lower the vehicle.