GM Service Manual Online
For 1990-2009 cars only

Removal Procedure


    Object Number: 898326  Size: SH
  1. Disconnect the manifold absolute pressure (MAP) sensor electrical connector (3).

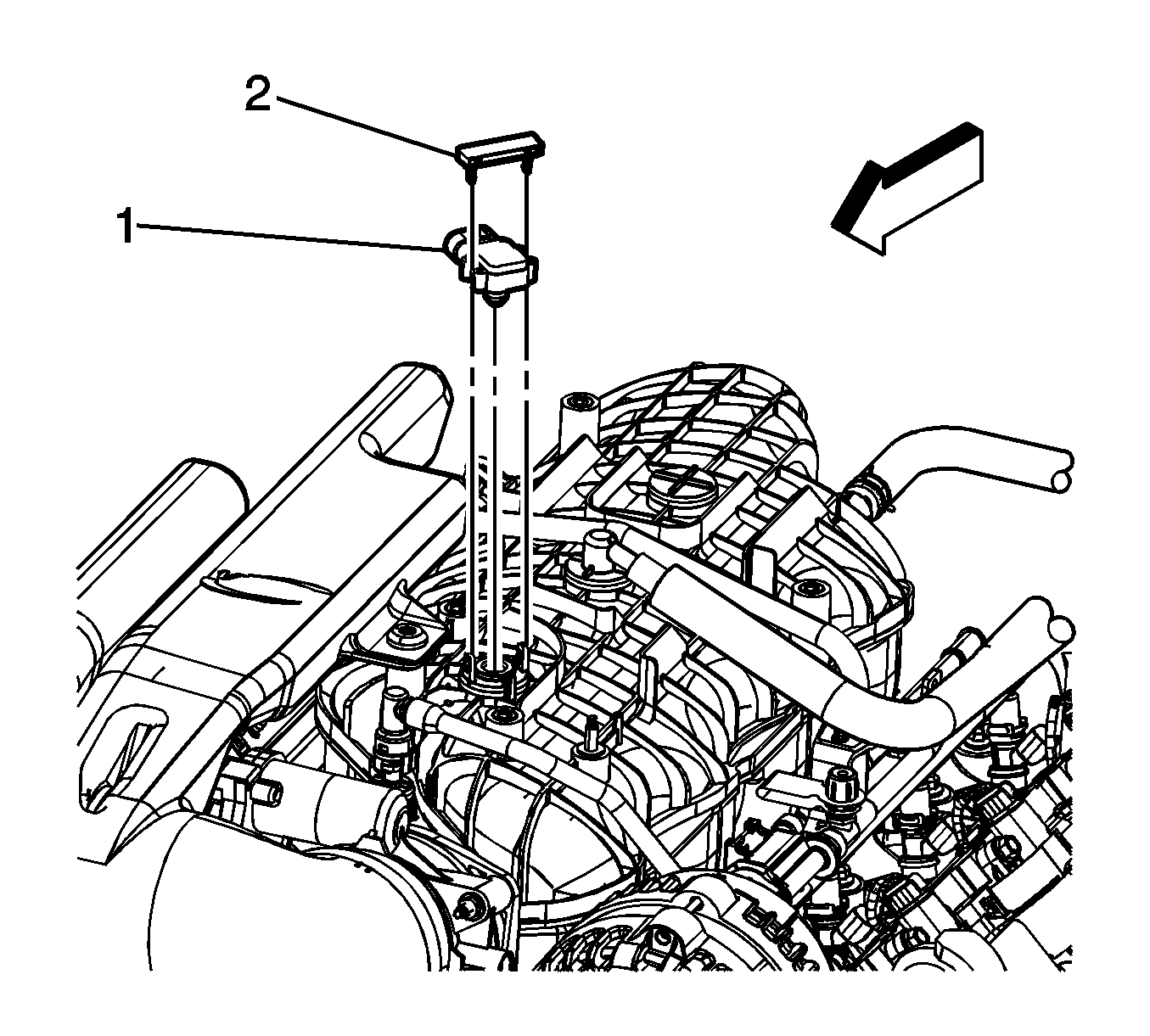
  2. Object Number: 1509706  Size: SH
  3. Remove the MAP sensor retaining clip (2) from the intake manifold.
  4. Remove the MAP sensor (1) from the intake manifold.

Installation Procedure

Important: Lightly coat the MAP sensor seal with clean engine oil before installing the sensor.


    Object Number: 1509706  Size: SH
  1. Install the MAP sensor (1). Push the MAP sensor into the intake manifold.
  2. Install the MAP sensor retainer (2) to the intake manifold.

  3. Object Number: 898326  Size: SH
  4. Connect the MAP sensor electrical connector (3).