GM Service Manual Online
For 1990-2009 cars only

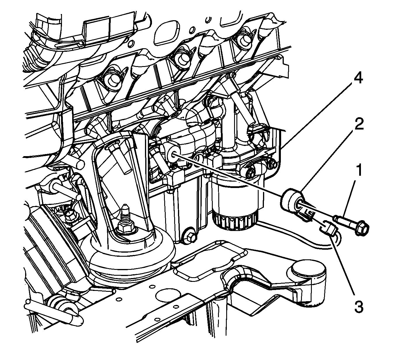
Knock Sensor Replacement Left Side

Removal Procedure


    Object Number: 1480894  Size: SH
  1. Remove the mounting bolt for the knock sensor 1.
  2. Disconnect the electrical connector of the knock sensor from the engine harness (3).
  3. Remove the knock sensor (2) from the engine block (4).

Installation Procedure


    Object Number: 1480894  Size: SH
  1. Reconnect the engine harness (3) and the knock sensor (2) electrical connectors.
  2. Position the knock sensor 2 on the engine block (4).
  3. Install the mounting bolt (1) for the knock sensor 2.
  4. Notice: Refer to Fastener Notice in the Preface section.

  5. Tighten the knock sensor mounting bolt (1).
  6. Tighten
    Tighten the knock sensor mounting bolt to 20 N·m (15 lb ft).

Knock Sensor Replacement Right Side

Removal Procedure


    Object Number: 1528397  Size: SH
  1. Disconnect the electrical connector (3) from the knock sensor (2).
  2. Remove the knock sensor bolt (1).
  3. Remove the knock sensor (2) from the engine block.

Installation Procedure


    Object Number: 1528397  Size: SH
  1. Position the knock sensor (2) on the engine block.
  2. Notice: Refer to Fastener Notice in the Preface section.

  3. Install the knock sensor bolt (1).
  4. Tighten
    Tighten the bolt (1) to 20 N·m (15 lb ft).

  5. Connect the electrical connector (3) to the knock sensor (2).