GM Service Manual Online
For 1990-2009 cars only
Makes
🢒
Saab
🢒
2005
🢒
9-7x
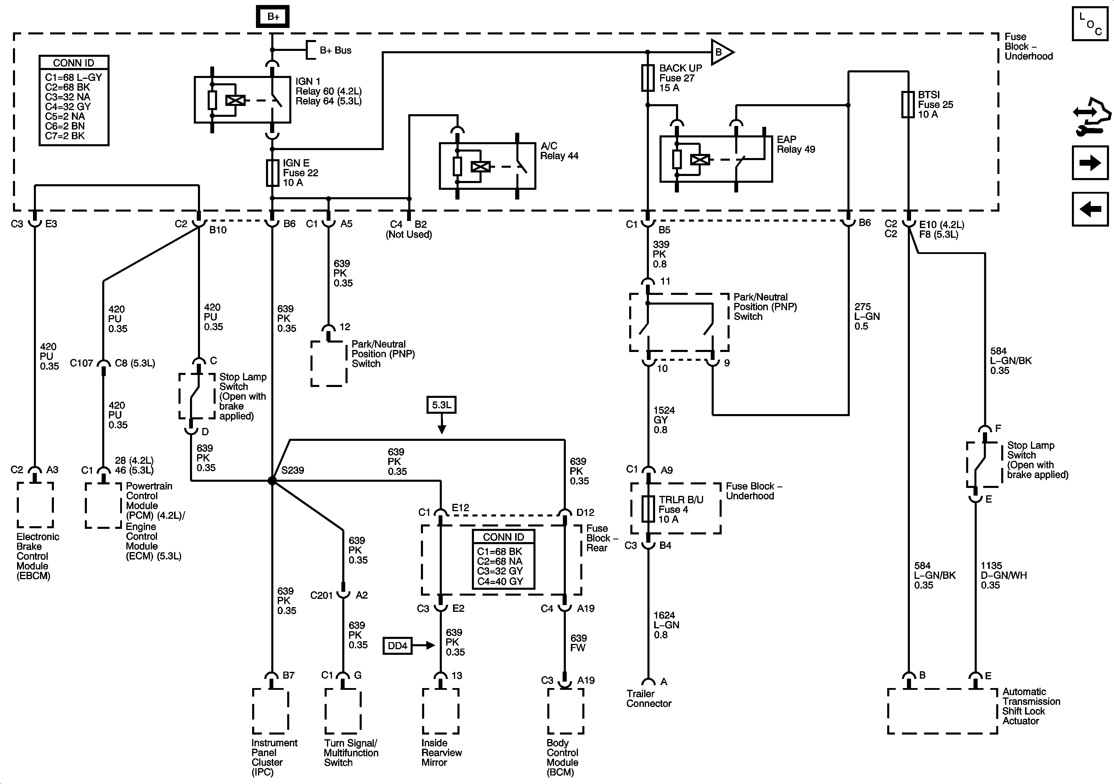
🢒 BACK UP, BTSI, IGN E, and TRLR B/U Fuses
BACK UP, BTSI, IGN E, and TRLR B/U Fuses
BACK UP, BTSI, IGN E, and TRLR B/U Fuses
Master Electrical Component List
Control Module References
AIR SOL and PCMI Fuses
Ignition Switch - ACCY/RUN, RUN/START Bus Bars and IGNB1 Fuse
AIR SOL and PCMI Fuses
B+ Bus - Underhood Fuse Block - 2 of 2