GM Service Manual Online
For 1990-2009 cars only
Makes
🢒
Saab
🢒
2005
🢒
9-7x
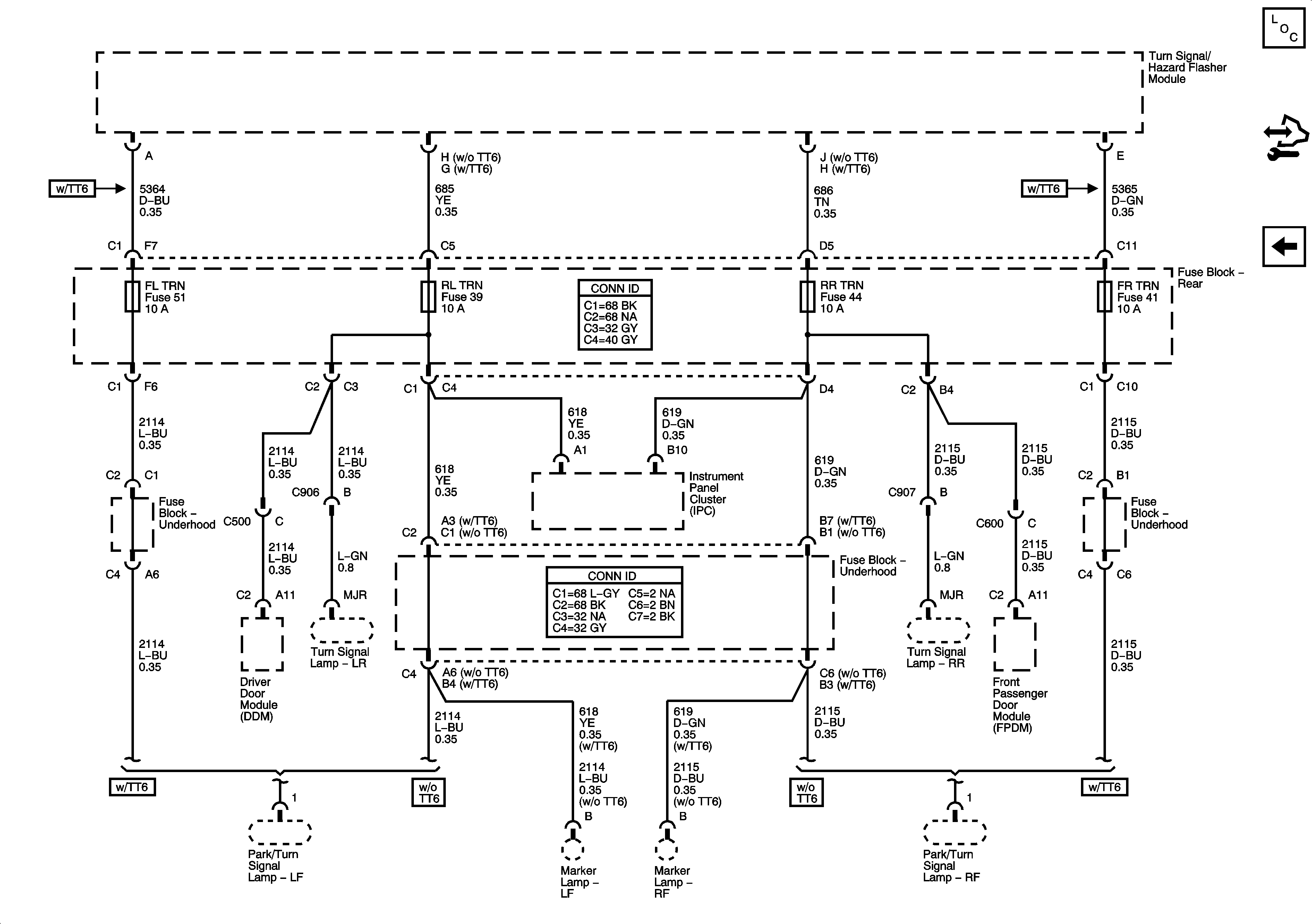
🢒 FL TRN, FR TRN, RL TRN,and RR TRN Fuses
FL TRN, FR TRN, RL TRN,and RR TRN Fuses
FL TRN, FR TRN, RL TRN, and RR TRN Fuses
Master Electrical Component List
Control Module References
COILS, HDM, HI HDLP-LT, HI HDLP-RT, LH HDLP, LOW HDLP-LT, LOW HDLP-RT, RH HDLP, TRL L TRN, and TRL R TRN