GM Service Manual Online
For 1990-2009 cars only
Makes
🢒
Saab
🢒
2005
🢒
9-7x
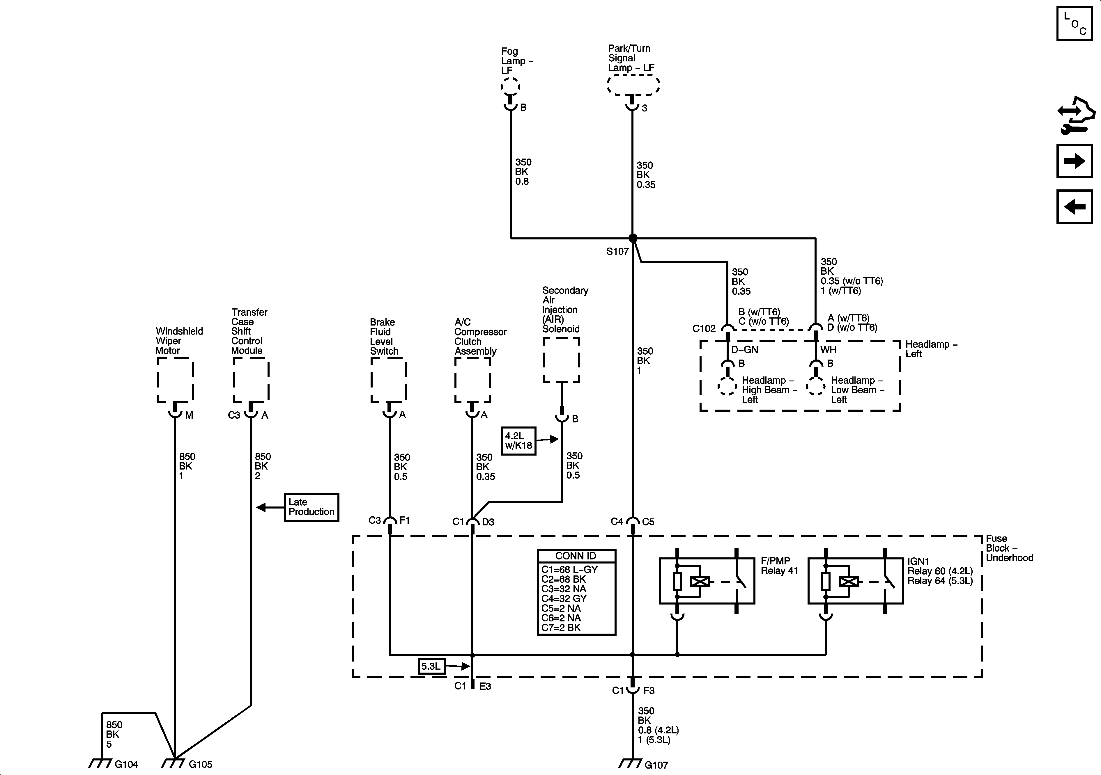
🢒 G104, G105 and G107
G104, G105 and G107
G104, G105, and G107
Master Electrical Component List
Control Module References
G108
G102