GM Service Manual Online
For 1990-2009 cars only
Makes
🢒
Saab
🢒
2005
🢒
9-7x
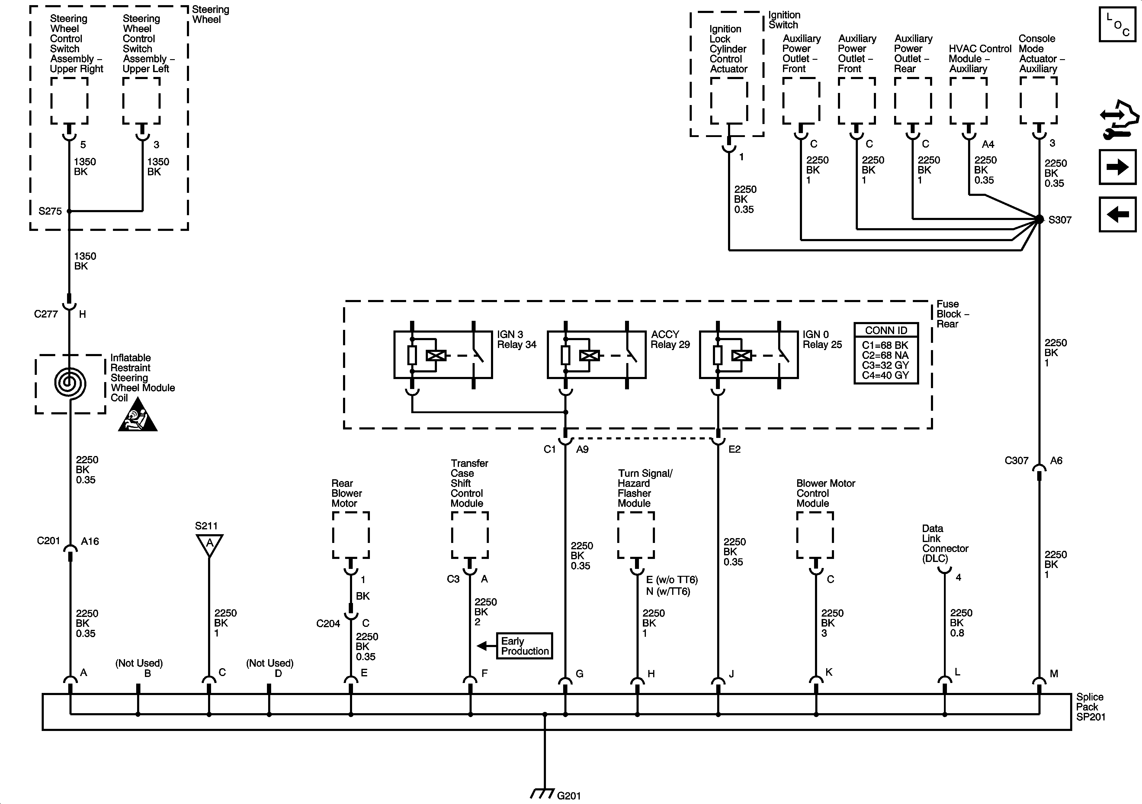
🢒 G201 - 1 of 2
G201 - 1 of 2
G201 - 1 of 2
Master Electrical Component List
Control Module References
G201 - 2 of 2 and G305
G109
SIR Caution for Zoning
G201 - 2 of 2 and G305