GM Service Manual Online
For 1990-2009 cars only
Makes
🢒
Saab
🢒
2005
🢒
9-7x
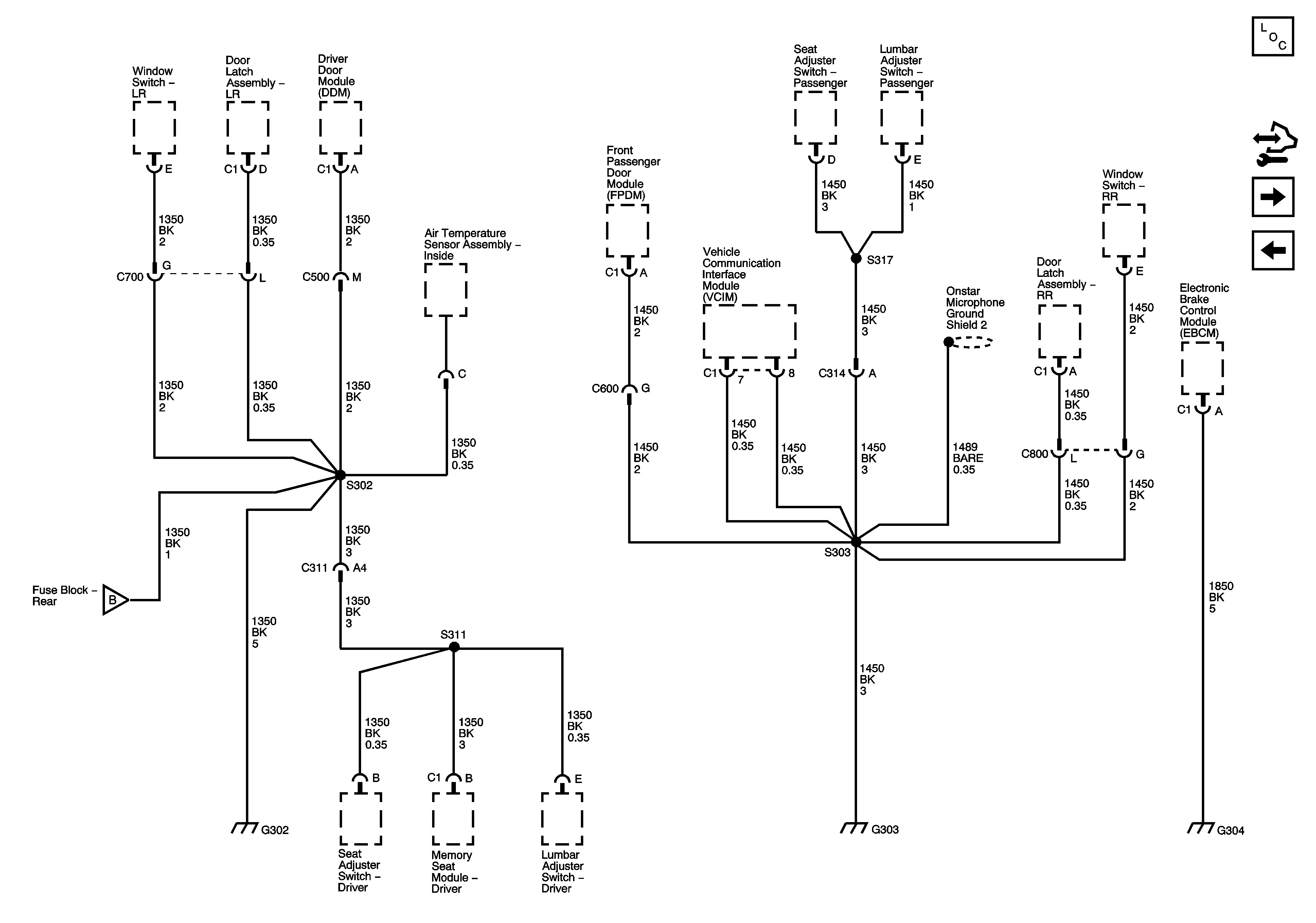
🢒 G302 - 1 of 2, G303, and G304
G302 - 1 of 2, G303, and G304
G302 - 1 of 2, G303 and G304
Master Electrical Component List
Control Module References
G302 - 2 of 2 and G306
G201 - 2 of 2 and G305