GM Service Manual Online
For 1990-2009 cars only

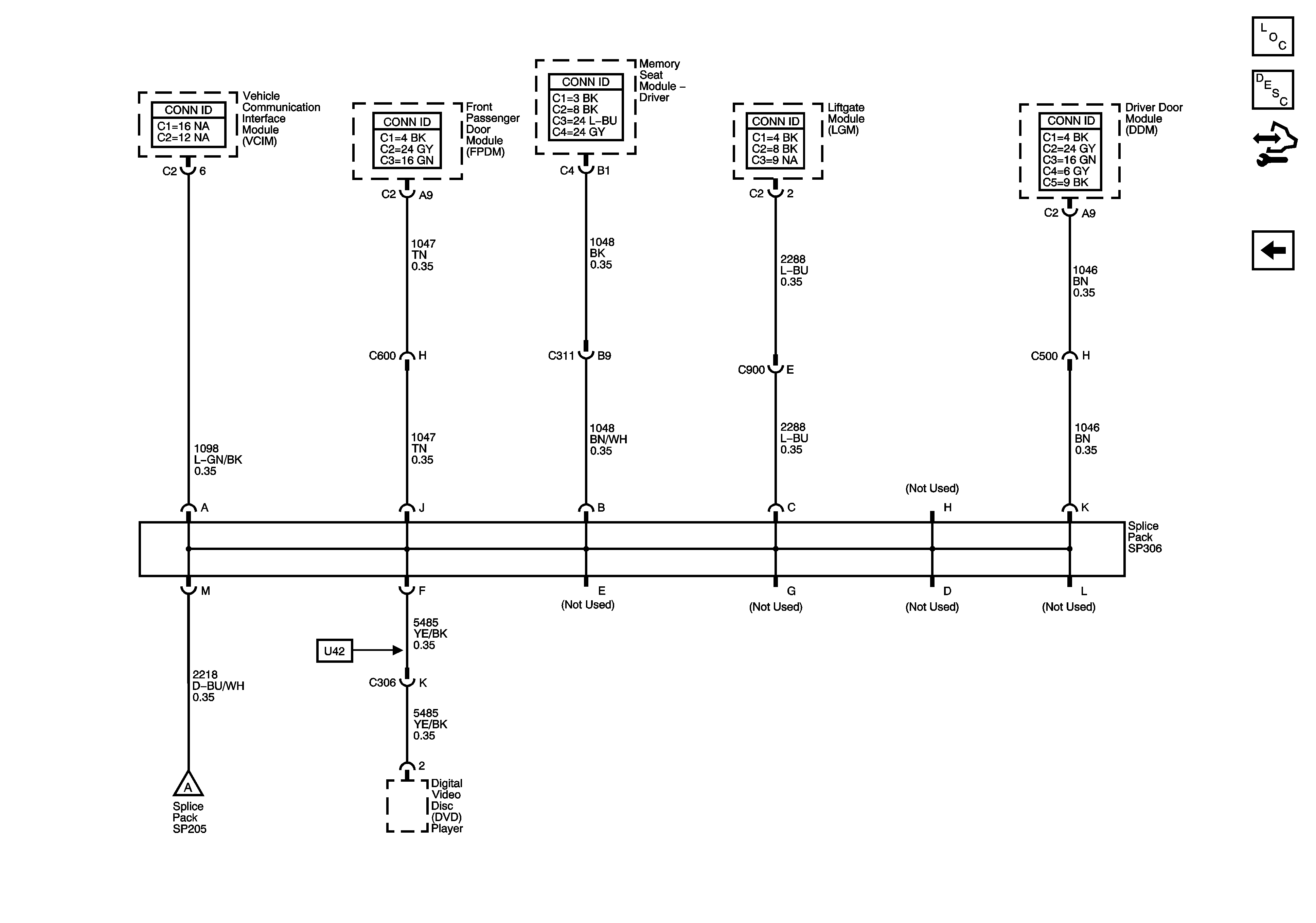
SP306

SP306


Object Number: 1533111  Size: FS
Master Electrical Component List
Exhaust System Inspection
Control Module References
SP 205
SP 205