GM Service Manual Online
For 1990-2009 cars only
Makes
🢒
Saab
🢒
2005
🢒
9-7x
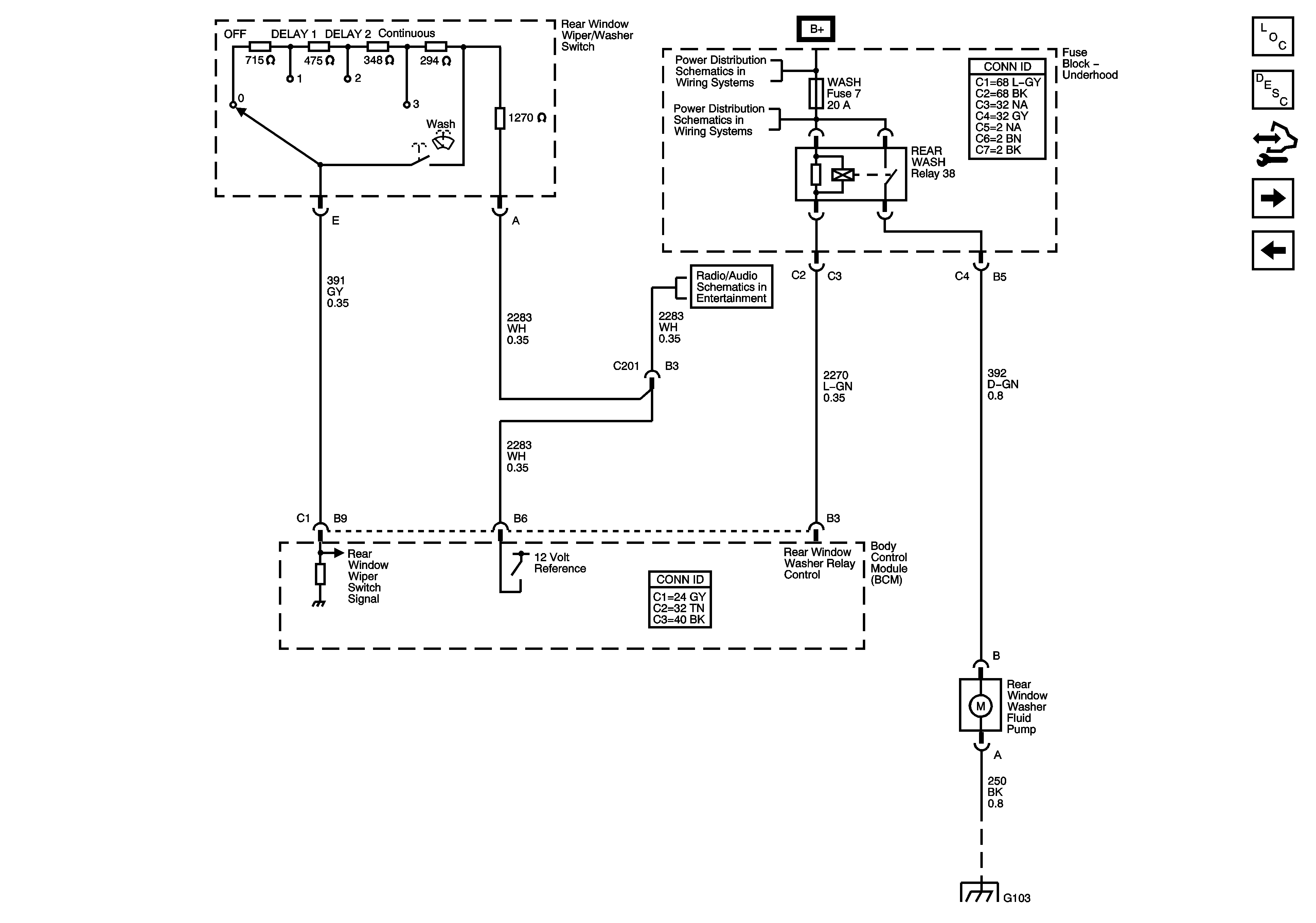
🢒 Rear Wiper/Washer Controls (CD6)
Rear Wiper/Washer Controls (CD6)
Rear Wiper/Washer Controls (CD6)
Master Electrical Component List
Rear Wiper/Washer System Description and Operation
Control Module References
Rear Window Wiper Motor (CD6)
Headlamp Washer (CE4)
B+ Bus - Underhood Fuse Block - 2 of 2
B+ Bus - Underhood Fuse Block - 2 of 2
Steering Wheel Controls
G101, G103, G106, and G110