GM Service Manual Online
For 1990-2009 cars only
Makes
🢒
Saab
🢒
2005
🢒
9-7x
🢒 Power Sunroof
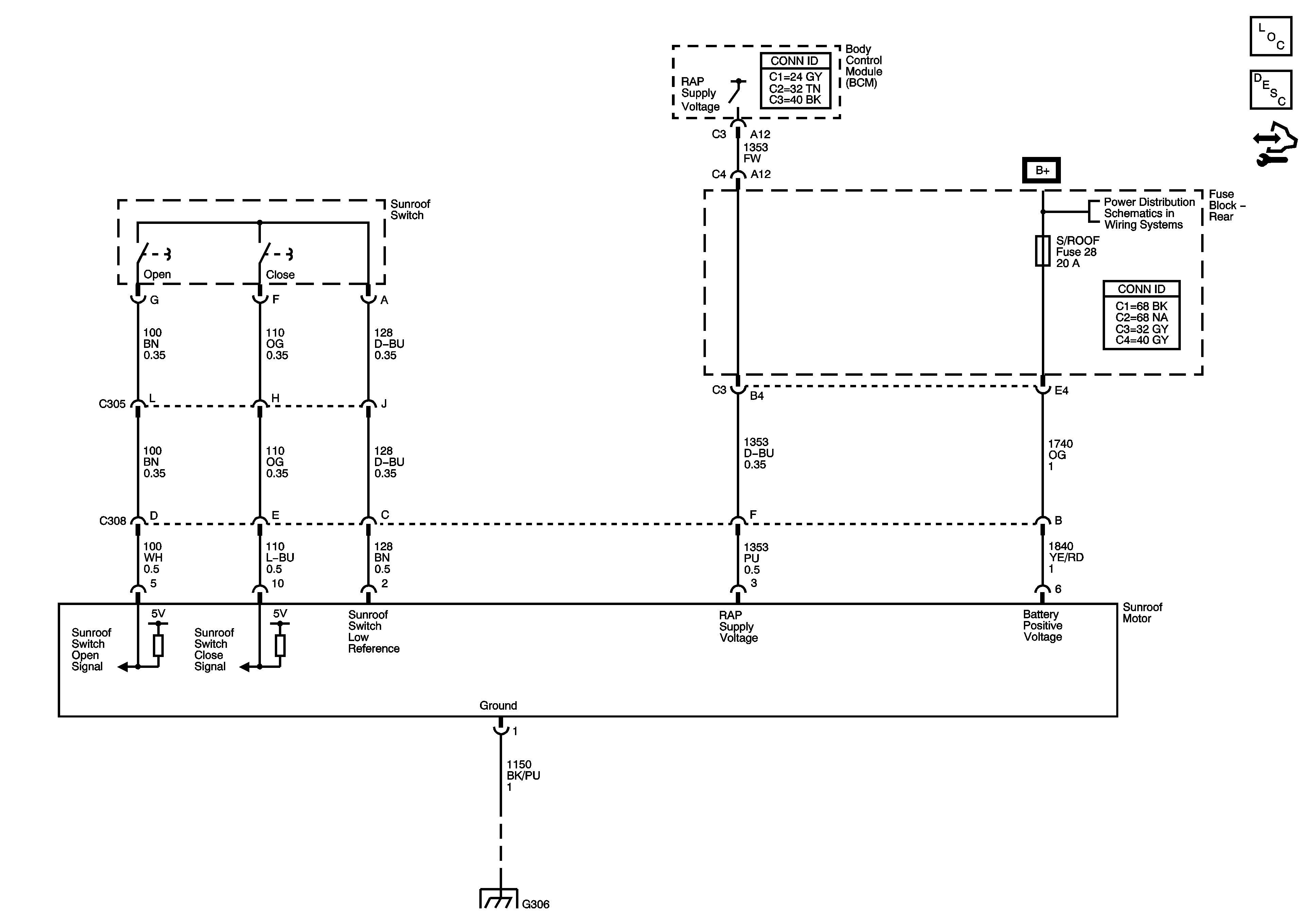
Power Sunroof
Master Electrical Component List
Sunroof Description and Operation
Control Module References
G302 - 2 of 2 and G306
B+ Bus - Rear Fuse Block