GM Service Manual Online
For 1990-2009 cars only
Makes
🢒
Saab
🢒
2005
🢒
9-7x
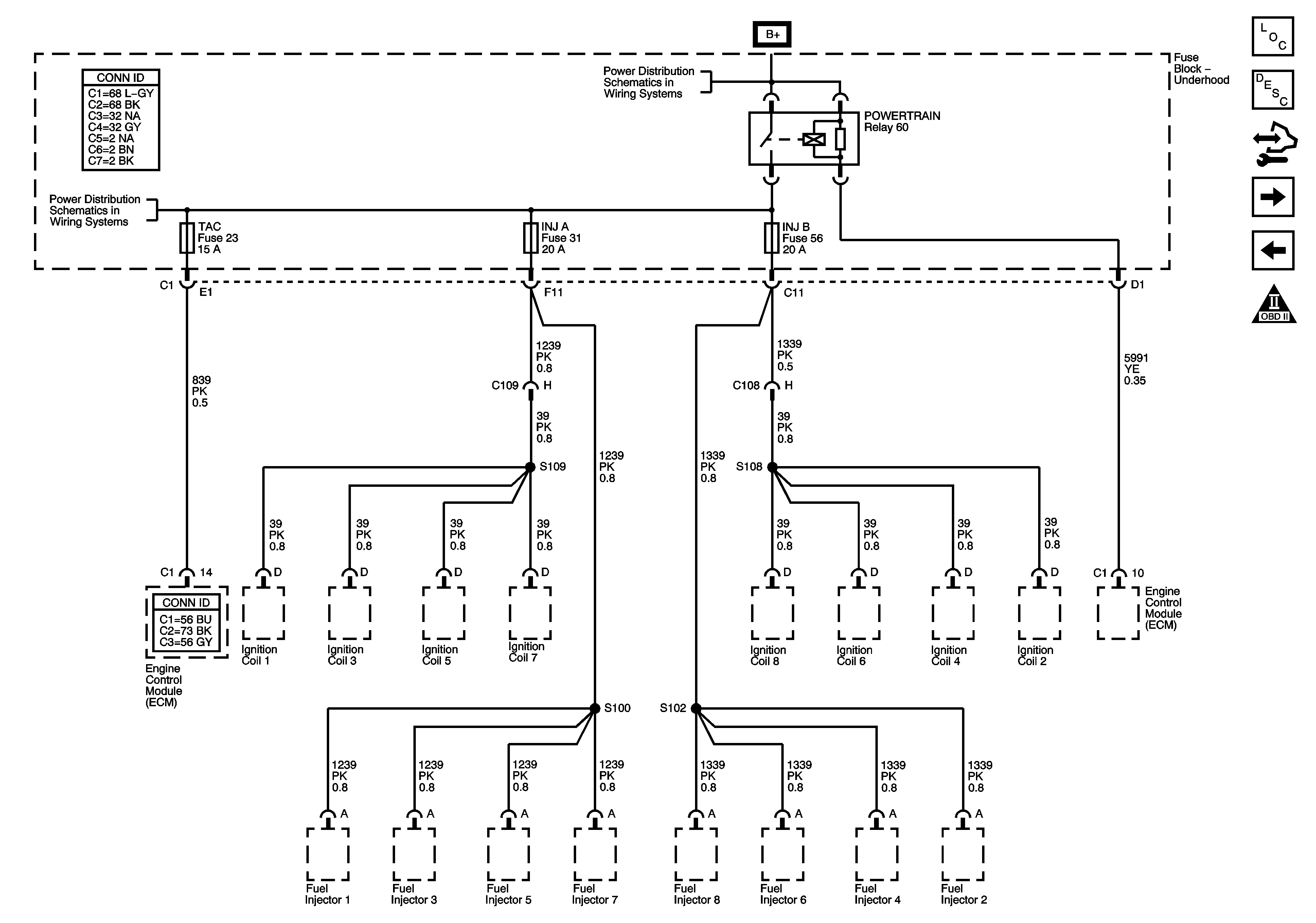
🢒 Fuse Block Underhood - Powertrain Relay - 1 of 2
Fuse Block Underhood - Powertrain Relay - 1 of 2
Fuse Block - Underhood Powertrain Relay - 1 of 2
Master Electrical Component List
Engine Control Module Description
Control Module References
Fuse Block Underhood - Powertrain Relay - 2 of 2
Module Power, Ground, Serial Data and MIL
OBD II Symbol Description Notice
B+ Bus - Underhood Fuse Block - 2 of 2
Ignition Switch - ACCY/RUN, RUN/START Bus Bars and IGNB1 Fuse