GM Service Manual Online
For 1990-2009 cars only
Makes
🢒
Saab
🢒
2005
🢒
9-7x
🢒 Charging System
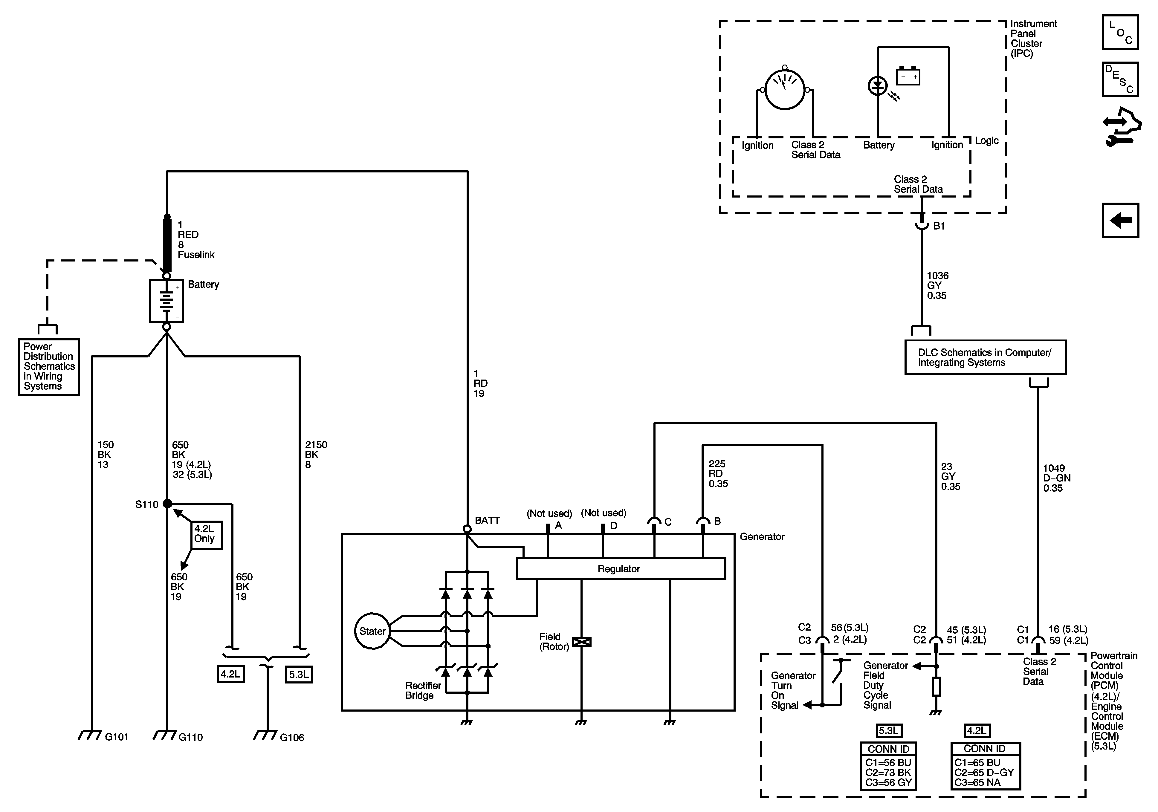
Charging System
Charging System
Master Electrical Component List
Charging System Description and Operation
Control Module References
Starting System
B+ Bus - Underhood Fuse Block - 1 of 2
G101, G103, G106, and G110
G101, G103, G106, and G110
G101, G103, G106, and G110
SP 205