GM Service Manual Online
For 1990-2009 cars only
Makes
🢒
Saab
🢒
2005
🢒
9-7x
🢒 Seat Belts
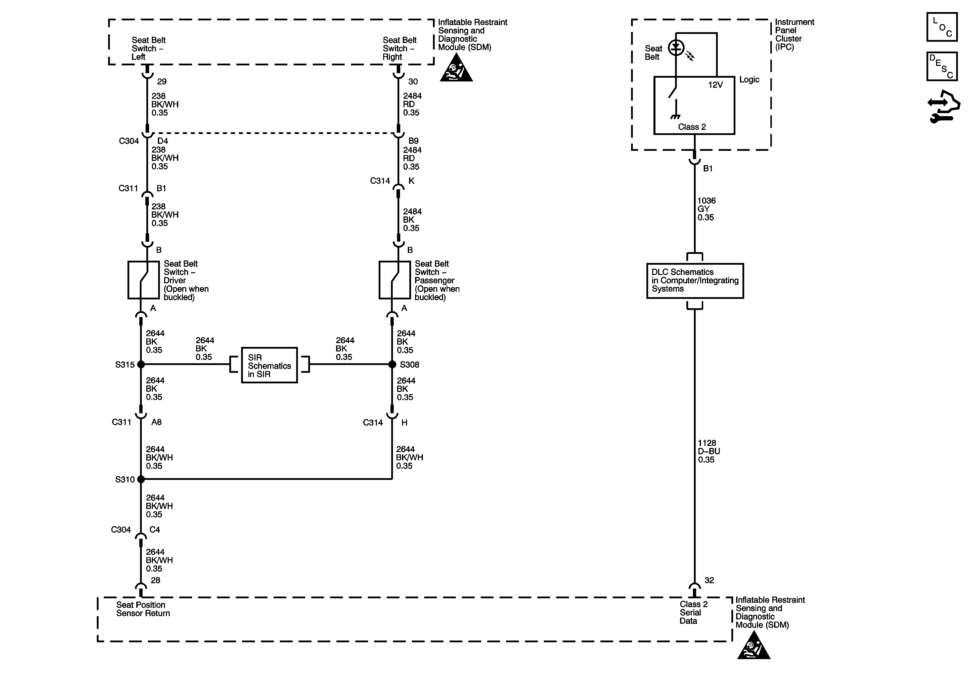
Seat Belts
Master Electrical Component List
Seat Belt System Description and Operation
Control Module References
SP 205
Seat Position Sensors, Rollover Sensor, and PPS Module
SIR Caution for Zoning
SIR Caution for Zoning