GM Service Manual Online
For 1990-2009 cars only
Makes
🢒
Saab
🢒
2006
🢒
9-7x
🢒
Accessories
🢒
Adjustable Pedals
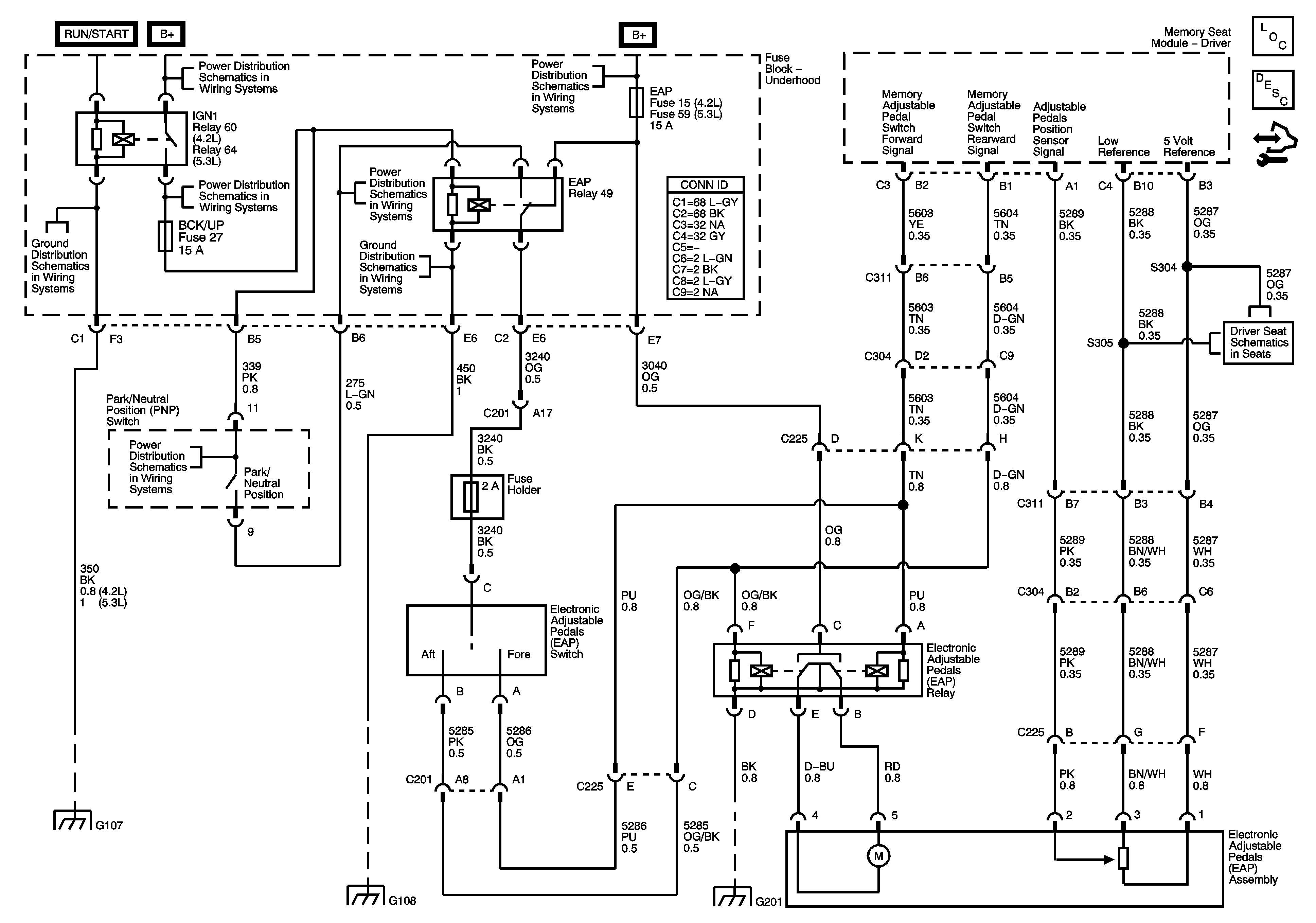
🢒 Adjustable Pedal Schematics
Master Electrical Component List
Adjustable Pedals Description and Operation
Control Module References
B+ Bus - Underhood Fuse Block - 2 of 2
B+ Bus - Underhood Fuse Block - 1 of 2
G104, G105 and G107
BCK/UP, BTSI, IGN E, and TRLR BCK/UP Fuses
BCK/UP, BTSI, IGN E, and TRLR BCK/UP Fuses
G108
BCK/UP, BTSI, IGN E, and TRLR BCK/UP Fuses
G104, G105 and G107
G108
G201 - 1 of 2
Lumbar Controls