GM Service Manual Online
For 1990-2009 cars only

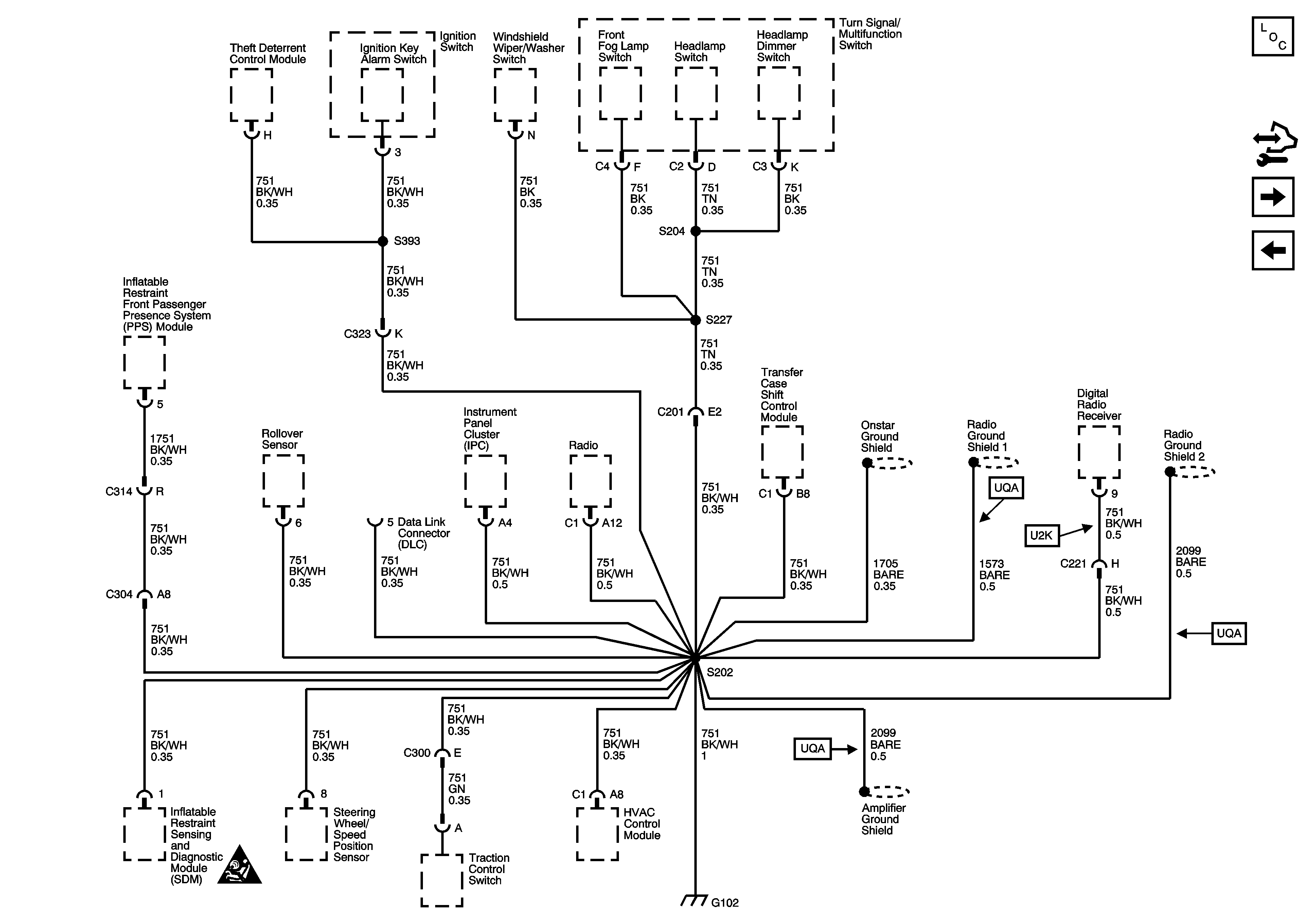
G102

G102


Object Number: 1614305  Size: FS
Master Electrical Component List
Control Module References
G104, G105 and G107
G101, G103, G106, and G110
Power and Grounding Schematic Icons