GM Service Manual Online
For 1990-2009 cars only

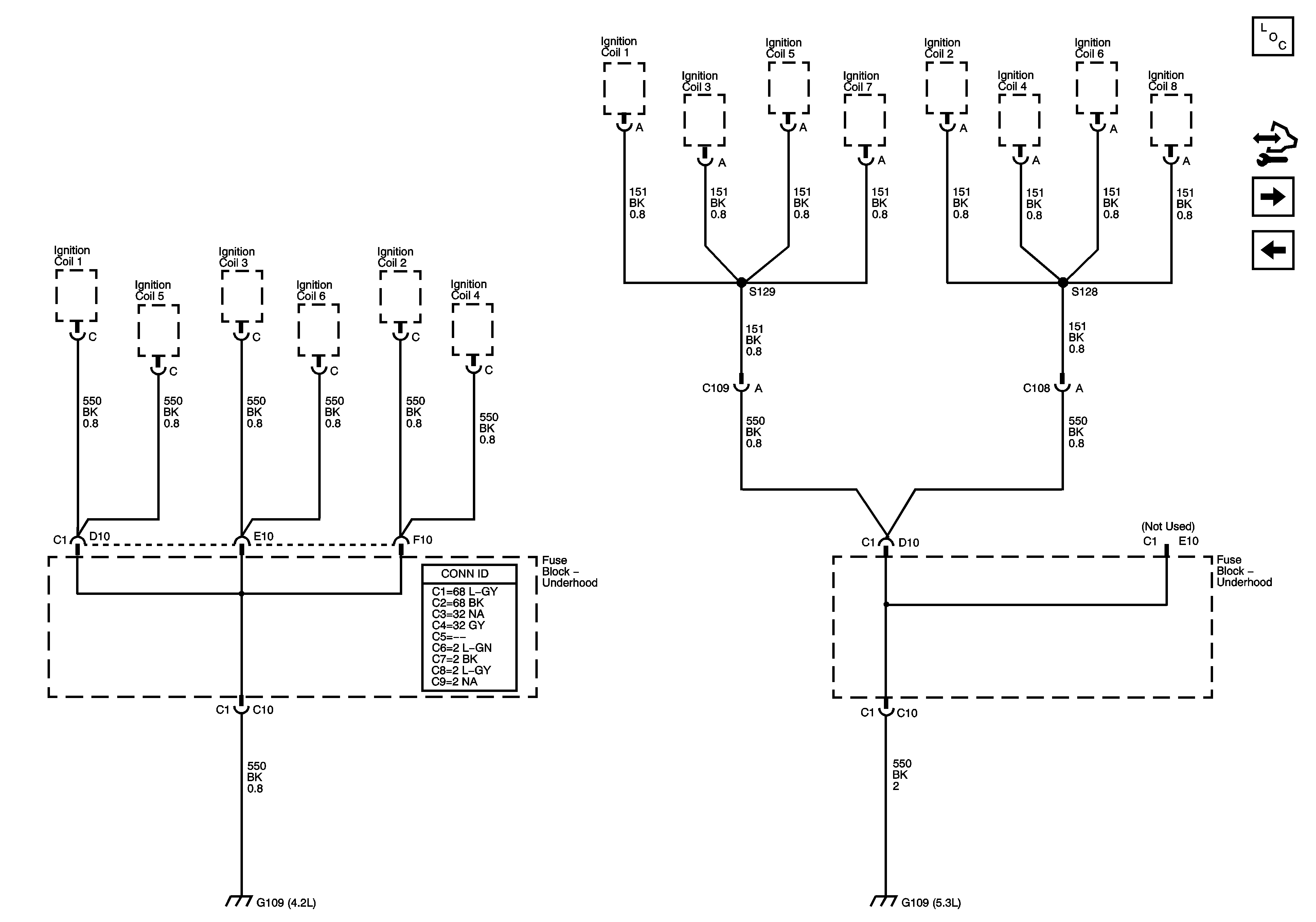
G109

G109


Object Number: 1614315  Size: FS
Master Electrical Component List
Control Module References
G201 - 1 of 2
G108