GM Service Manual Online
For 1990-2009 cars only
Makes
🢒
Saab
🢒
2006
🢒
9-7x
🢒 Engine Data Sensors - Oxygen Sensors
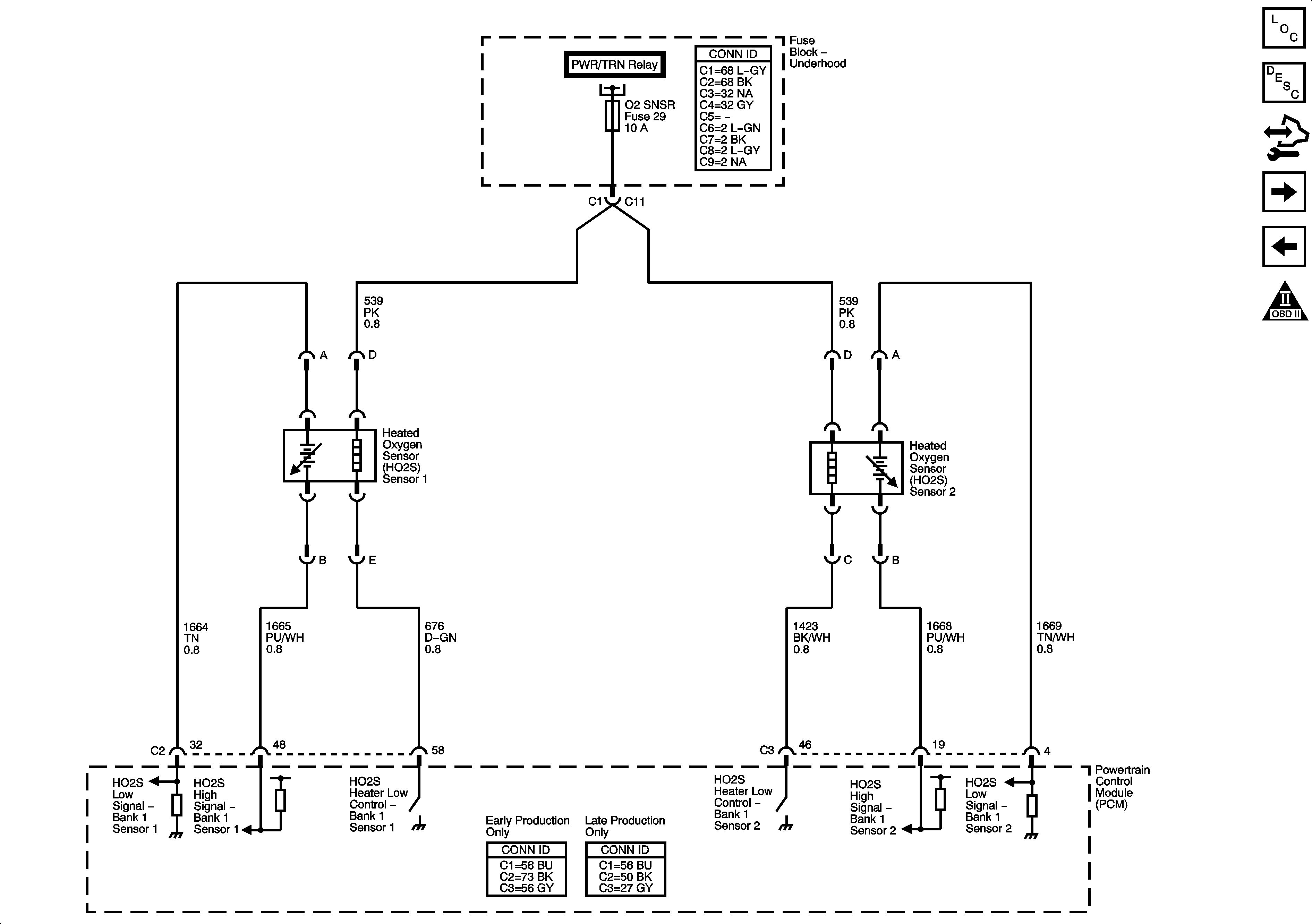
Engine Data Sensors - Oxygen Sensors
Engine Data Sensors - Oxygen Sensors
Master Electrical Component List
Powertrain Control Module Description
Control Module References
Engine Data Sensors - Throttle Actuator Controls and VSS
Engine Data Sensors - Pressure and Temperature
Engine Controls Schematic Icons
Fuse Block Underhood - Powertrain Relay