GM Service Manual Online
For 1990-2009 cars only
Makes
🢒
Saab
🢒
2006
🢒
9-7x
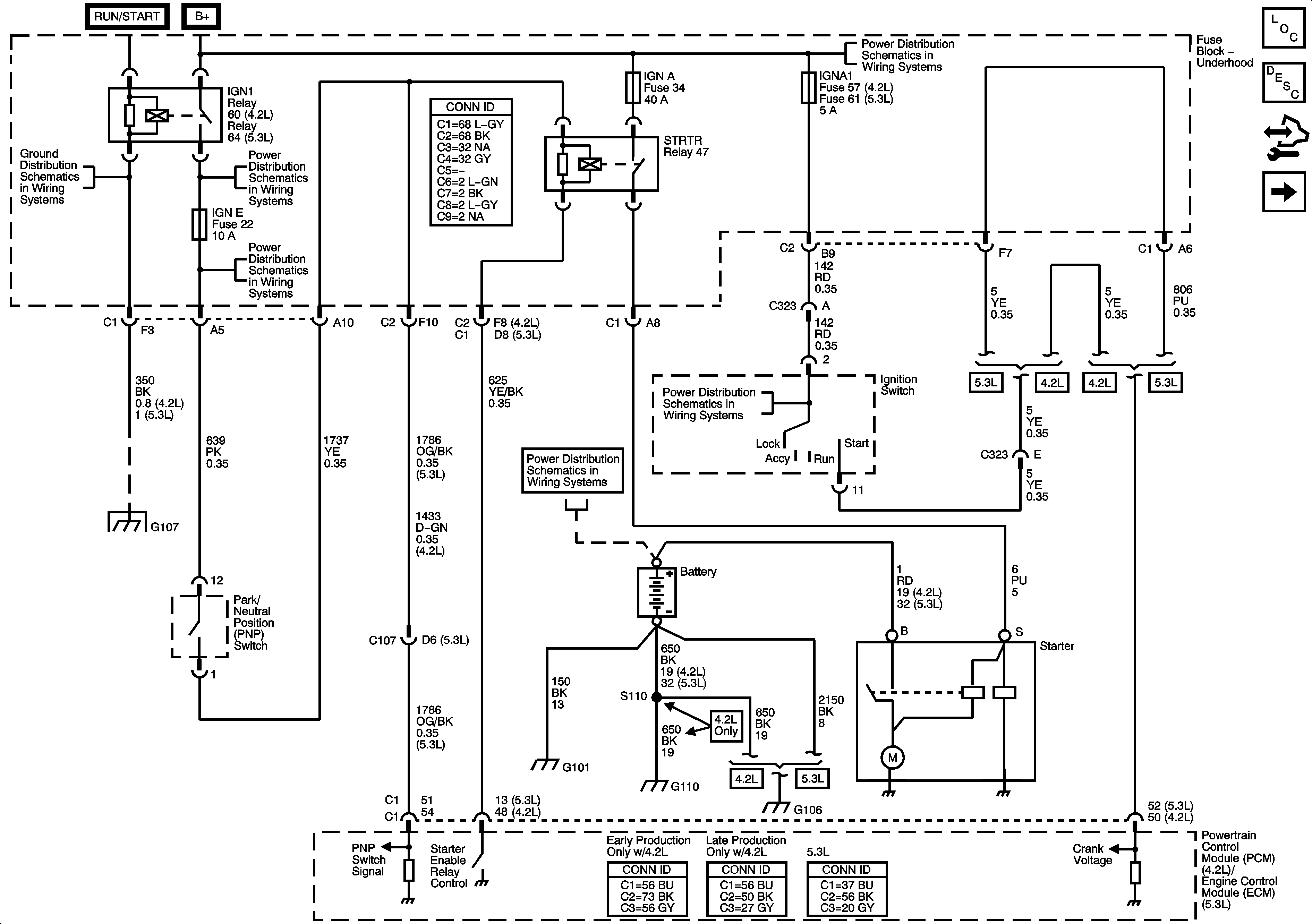
🢒 Starting System
Starting System
Starting System
Master Electrical Component List
Starting System Description and Operation
Control Module References
Charging System
G104, G105 and G107
BCK/UP, BTSI, IGN E, and TRLR BCK/UP Fuses
BCK/UP, BTSI, IGN E, and TRLR BCK/UP Fuses
G104, G105 and G107
B+ Bus - Underhood Fuse Block - 1 of 2
Ignition Switch - ACCY/RUN/START, RUN, START Bus Bars and IGNA1 Fuse
B+ Bus - Underhood Fuse Block - 2 of 2