GM Service Manual Online
For 1990-2009 cars only

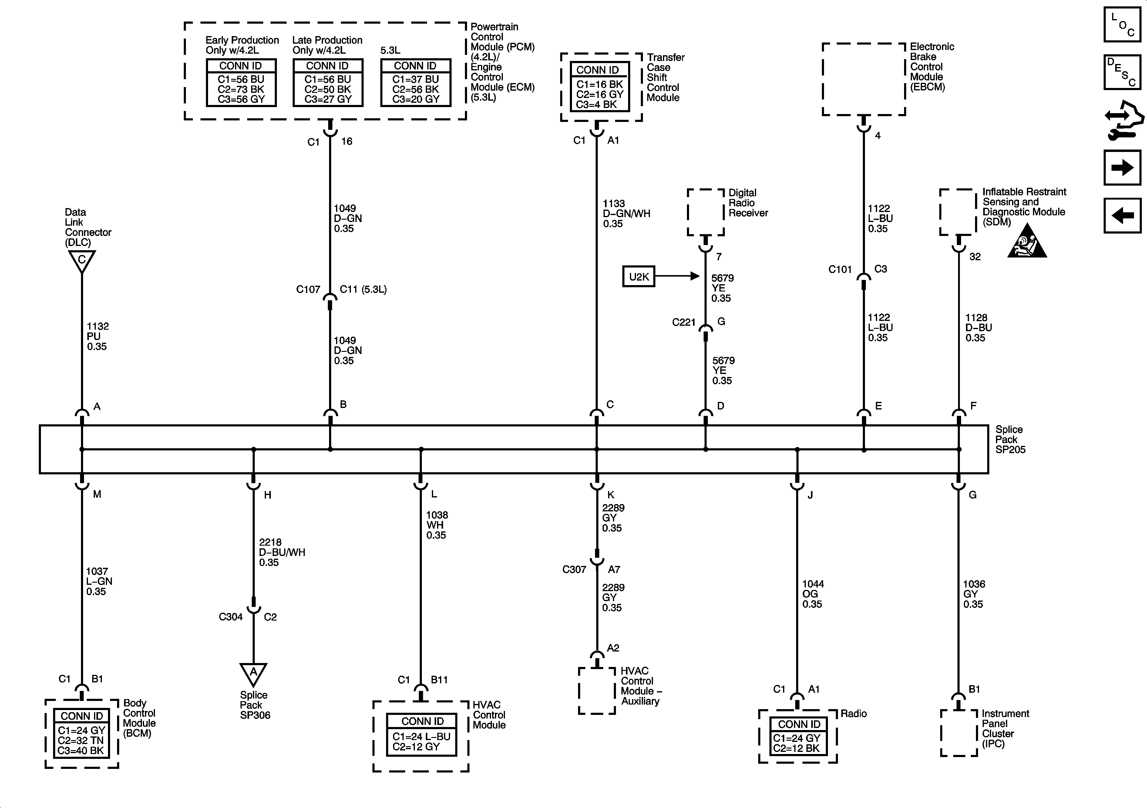
SP 205

SP205


Object Number: 1620866  Size: FS
Master Electrical Component List
Data Link Communications Description and Operation
Control Module References
SP306
Power, Ground, Data Link Connector
Power, Ground, Data Link Connector
Computer/Integrating Systems Schematic Icons