GM Service Manual Online
For 1990-2009 cars only
Makes
🢒
Saab
🢒
2006
🢒
9-7x
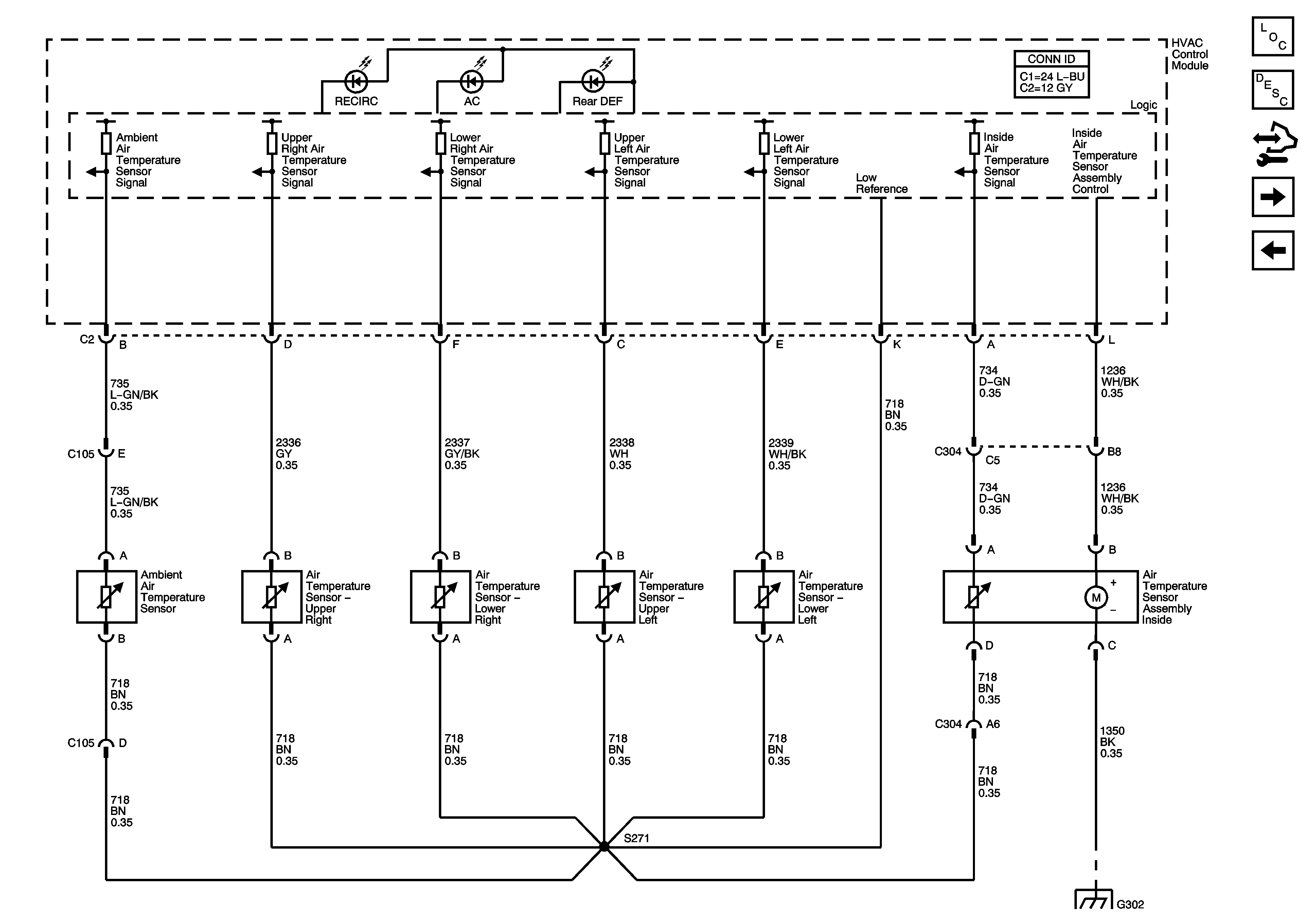
🢒 Air Temperature Sensors
Air Temperature Sensors
Air Temperature Sensors
Master Electrical Component List
Air Temperature Description and Operation
Control Module References
Ambient Light/Sunload Sensors
Air Delivery/Temperature Actuators
G302 - 1 of 2, G303, and G304