GM Service Manual Online
For 1990-2009 cars only
Makes
🢒
Saab
🢒
2006
🢒
9-7x
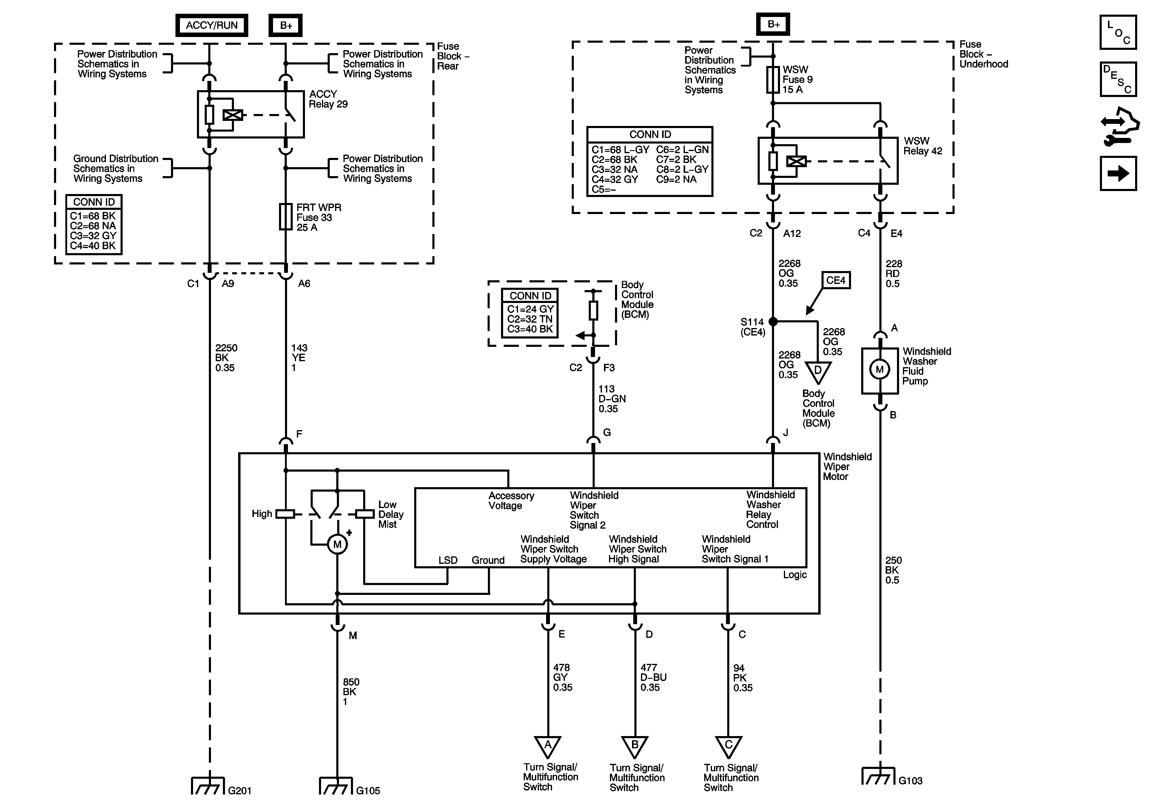
🢒 Outside Moisture Sensor and Front Wiper/Washer Motor
Outside Moisture Sensor and Front Wiper/Washer Motor
Outside Moisture Sensor and Front Wiper/Washer Motor
Master Electrical Component List
Wiper/Washer System Description and Operation
Control Module References
Wiper/Washer Switch and Washer Fluid Level Switch
Ignition Switch - ACCY/RUN, RUN/START Bus Bars and IGNB1 Fuse
B+ Bus - Rear Fuse Block
G201 - 1 of 2
4WD, BRK, FRT WPR, HVAC I, IGN 0, and TCM Fuses
G201 - 1 of 2
G104, G105 and G107
B+ Bus - Underhood Fuse Block - 1 of 2
Headlamp Washer - CE4
Wiper/Washer Switch and Washer Fluid Level Switch
Wiper/Washer Switch and Washer Fluid Level Switch
Wiper/Washer Switch and Washer Fluid Level Switch
G101, G103, G106, and G110