GM Service Manual Online
For 1990-2009 cars only
Makes
🢒
Saab
🢒
2006
🢒
9-7x
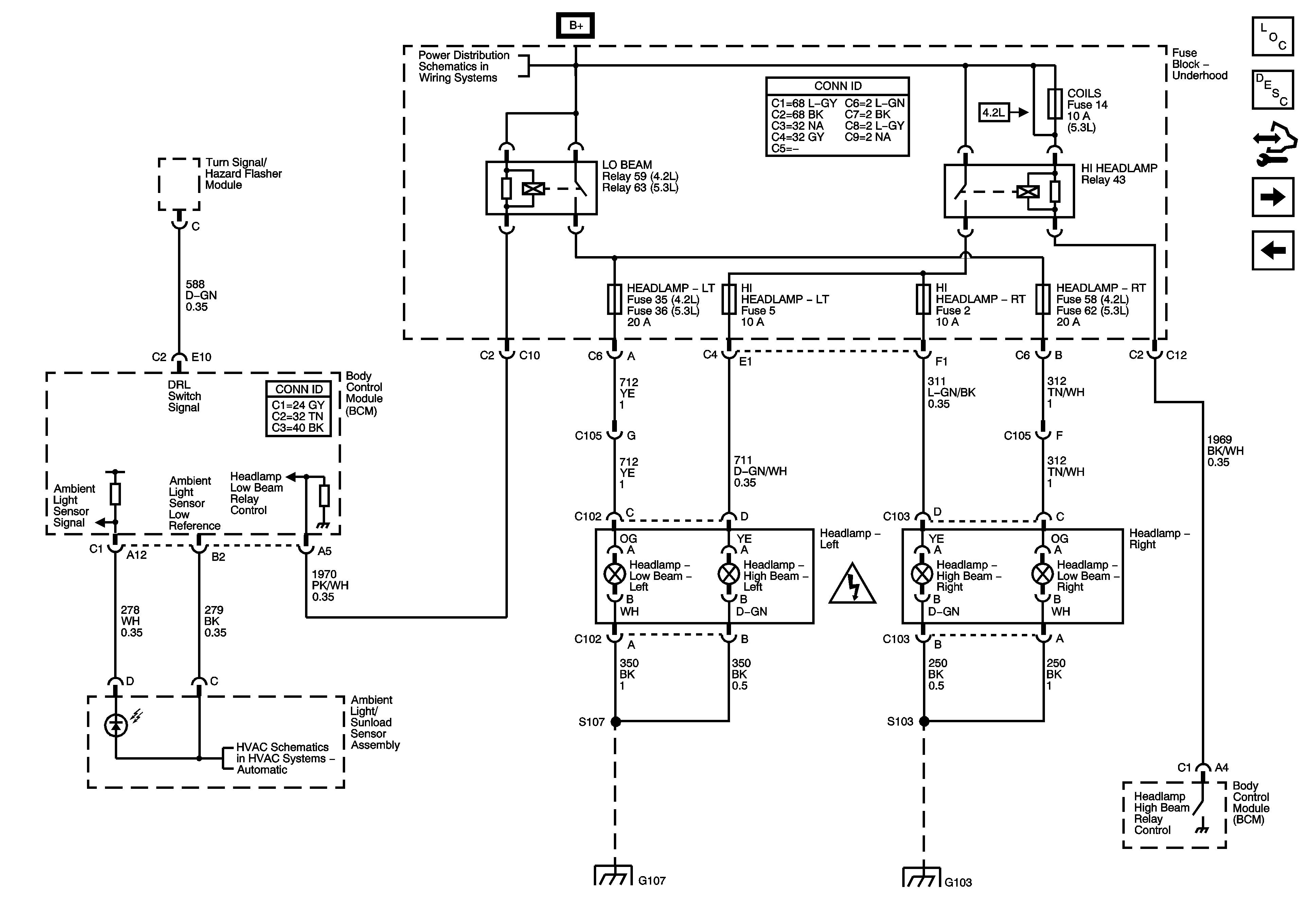
🢒 Headlamps (w/ TT6)
Headlamps (w/ TT6)
Headlamps (w/ TT6)
Master Electrical Component List
Exterior Lighting Systems Description and Operation
Control Module References
Headlamp Switch
Headlamps (w/o TT6)
B+ Bus - Underhood Fuse Block - 1 of 2
Ambient Light/Sunload Sensors
G104, G105 and G107
G101, G103, G106, and G110
Lighting Systems Schematic Icons