GM Service Manual Online
For 1990-2009 cars only
Makes
🢒
Saab
🢒
2006
🢒
9-7x
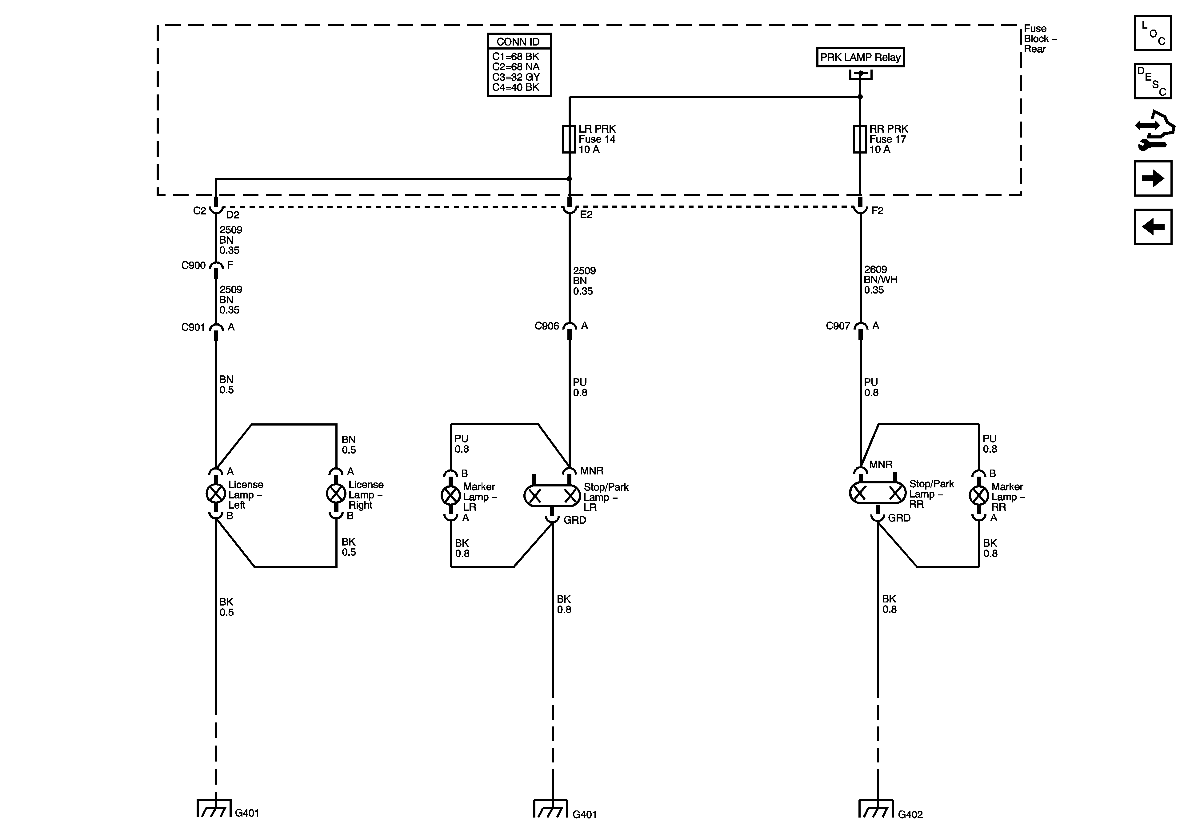
🢒 Rear Park, Marker, and License Lamps
Rear Park, Marker, and License Lamps
Rear Park, Marker, and License Lamps
Master Electrical Component List
Exterior Lighting Systems Description and Operation
Control Module References
Stop Lamps
Marker and Front Park Lamps
G401, G402, and G403
G401, G402, and G403
G401, G402, and G403
Park Lamp Relay