GM Service Manual Online
For 1990-2009 cars only

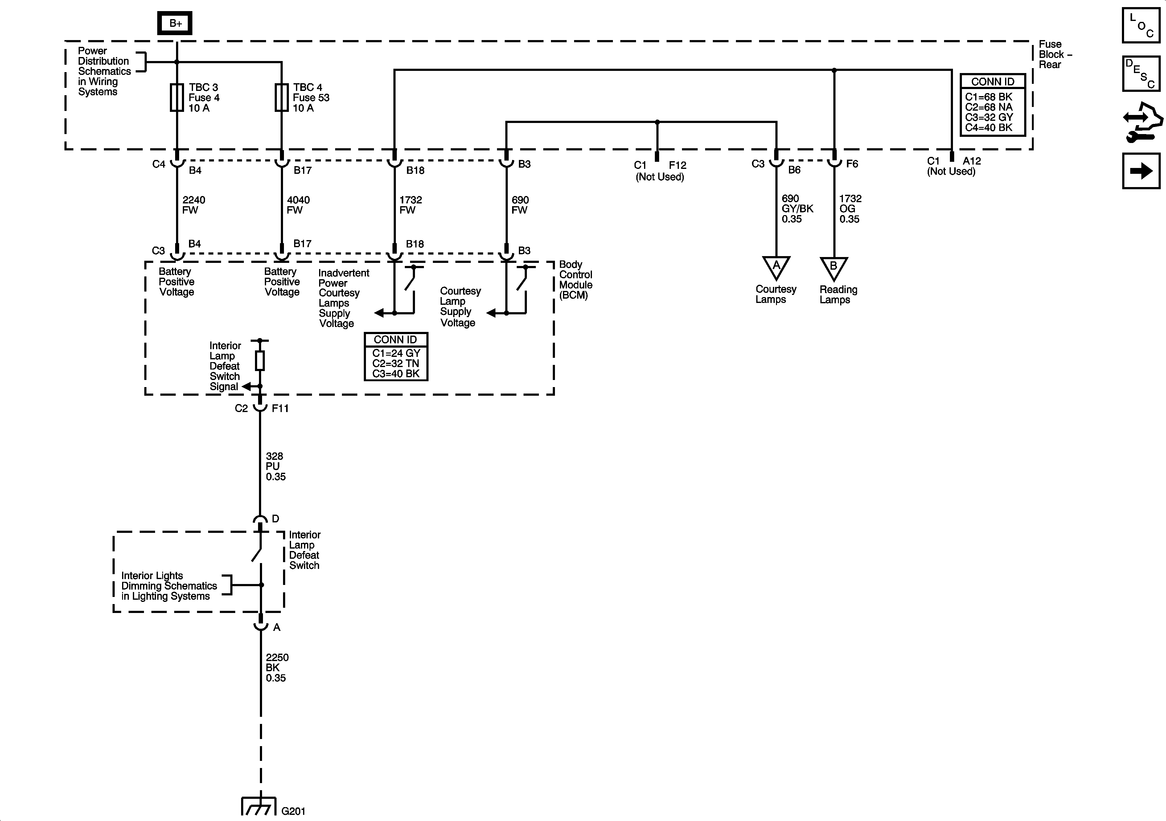
Interior Lamps Controls

Interior Lamps Controls


Object Number: 1627446  Size: FS
Master Electrical Component List
Interior Lighting Systems Description and Operation
Control Module References
Interior Lamps
B+ Bus - Rear Fuse Block
I/P Dimming Supply - 1 of 2
G201 - 1 of 2
Interior Lamps
Interior Lamps