GM Service Manual Online
For 1990-2009 cars only

Removal Procedure


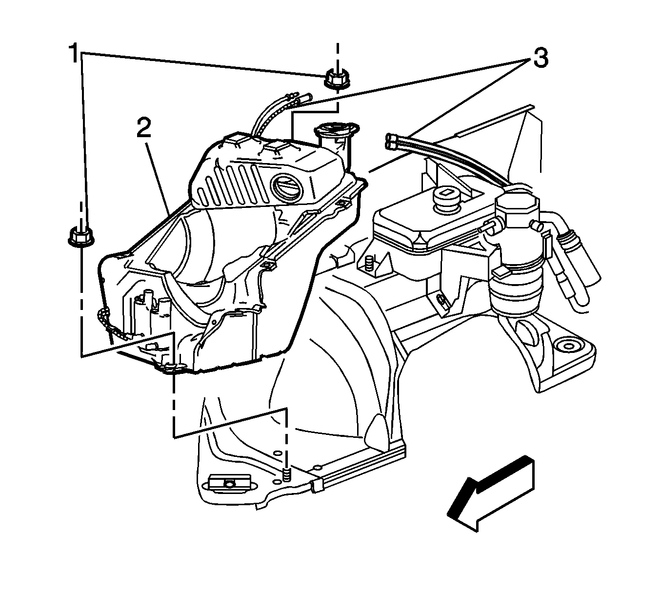
    Object Number: 1217755  Size: SH
  1. Remove the following components from the lower air cleaner housing/washer solvent tank assembly (4). Refer to Air Cleaner Element Replacement .
  2. • The air cleaner cover (2)
    • The filter element (6)
    • The mass air flow (MAF)/intake air temperature (IAT) sensor (3)
    • The air inlet duct (5)

    Object Number: 907812  Size: SH
  3. Disconnect the following electrical connectors:
  4. • The windshield washer pump (1)
    • The headlamp washer pump (2), if equipped
    • The low solvent level sensor (4)
    • The lift gate washer pump (6), if equipped
  5. Remove the wire harness to the washer solvent level sensor from the retaining clips (3, 5).

  6. Object Number: 1362808  Size: SH
  7. If applicable, disconnect the headlamp washer hose from the headlamp washer pump located on the lower air cleaner housing/washer solvent tank. Cap the headlamp washer pump outlet fitting to prevent loss of washer solvent.

  8. Object Number: 1361746  Size: SH
  9. Disconnect the washer pump hoses (3) and plug the outlet ports to prevent loss of washer solvent.
  10. Remove the 2 retaining nuts (1) from the mounting studs on the air cleaner housing/washer solvent tank assembly.
  11. Lift the lower air filter housing/washer solvent tank assembly (2) off of the studs and remove the assembly.

Installation Procedure


    Object Number: 1361746  Size: SH
  1. Install the lower air filter housing/washer solvent tank assembly (2) onto the mounting studs.
  2. Connect the washer pump hoses (3) to the washer pumps.
  3. Notice: Refer to Fastener Notice in the Preface section.

  4. Install the 2 retaining nuts (1) to the mounting studs on the air cleaner housing/washer solvent tank assembly.
  5. Tighten
    Tighten the nuts to 15 N·m (11 lb ft).


    Object Number: 1362808  Size: SH
  6. If applicable, connect the washer hose to the headlamp washer pump located on the lower air cleaner housing/washer solvent tank.

  7. Object Number: 907812  Size: SH
  8. Connect the following electrical connectors:
  9. • The windshield washer pump (1)
    • The headlamp washer pump (2)
    • The low solvent level sensor (4)
    • The lift gate washer pump (6)
  10. Install the wire harness for the washer solvent level sensor to the wire harness retaining clips (3, 5).

  11. Object Number: 1217755  Size: SH
  12. Install the following components to the lower air cleaner housing/washer solvent tank assembly (4). Refer to Air Cleaner Element Replacement .
  13. • The air cleaner cover (2)
    • The filter element (6)
    • The mass air flow (MAF)/intake air temperature (IAT) sensor (3)
    • The air inlet duct (5)