GM Service Manual Online
For 1990-2009 cars only
Figure 1:

Upper Left Side of the Engine - Front


Object Number: 1708917  Size: MF
(1)Powertrain Control Module (PCM)
(2)Powertrain Control Module (PCM) C3
(3)Powertrain Control Module (PCM) C2
(4)Generator
Figure 2:

Lower Left Side of the Engine


Object Number: 1492075  Size: MF
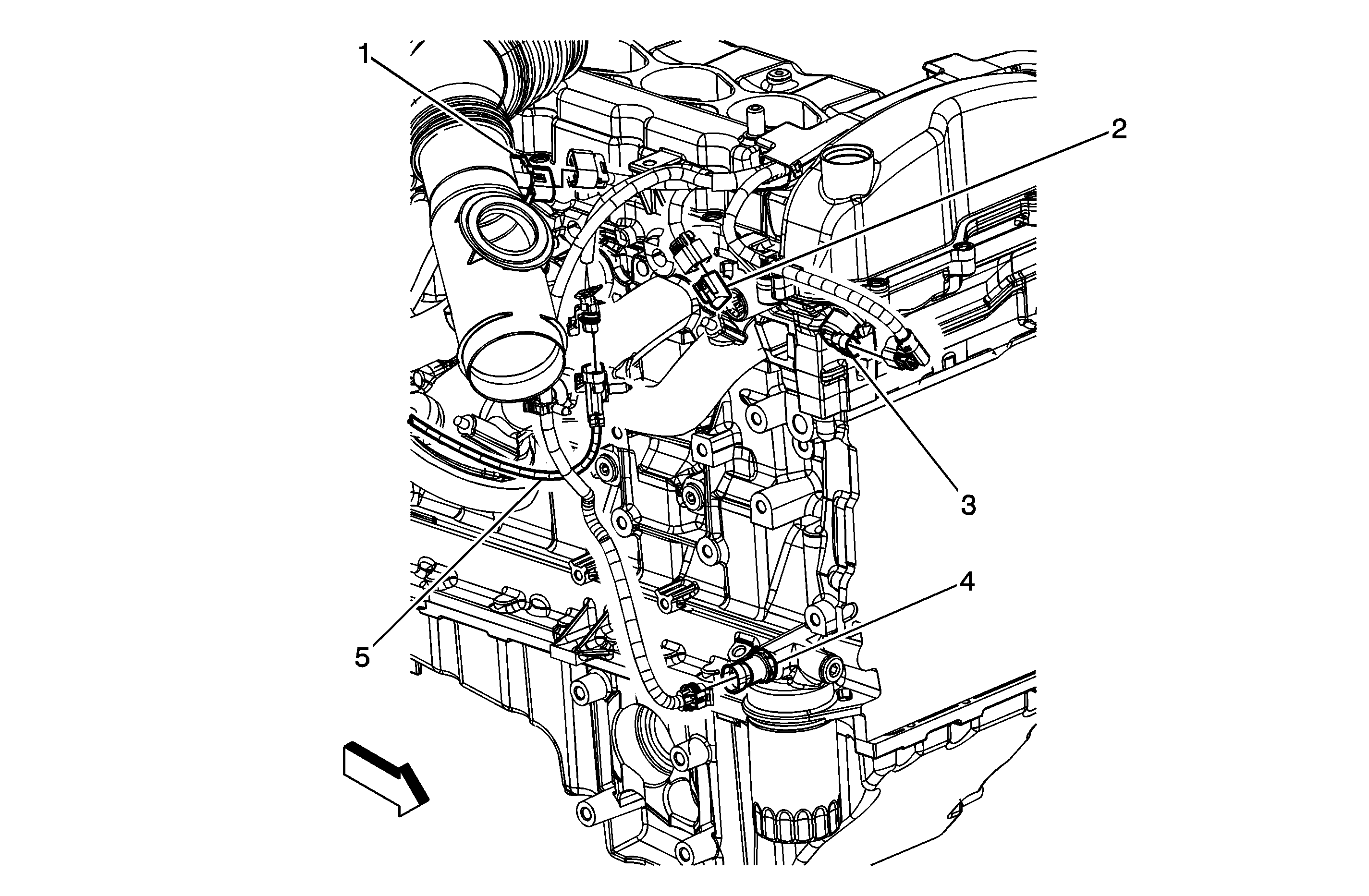
(1)Evaporative Emission (EVAP) Canister Purge Solenoid
(2)Starter
(3)Crankshaft Position (CKP) Sensor
(4)Knock Sensor (KS) 2 - Rear
(5)Knock Sensor (KS) 1 - Front
Figure 3:

Right Side of the Engine - Front


Object Number: 1708918  Size: MF
(1)Mass Air Flow (MAF) / Intake Air Temperature (IAT) Sensor
(2)Camshaft Actuator Solenoid Assembly
(3)Camshaft Position (CMP) Sensor
(4)Engine Oil Pressure (EOP) Switch
(5)Heated Oxygen Sensor (HO2S) Sensor 1
Figure 4:

Upper Right Side of the Engine


Object Number: 1708919  Size: MF
(1)Secondary Air Injection (AIR) Solenoid
Figure 5:

Upper Right Side of the Engine - Rear


Object Number: 1708922  Size: MF
(1)Manifold Absolute Pressure (MAP) Sensor
(2)Throttle Body
(3)Engine Coolant Temperature (ECT) Sensor
Figure 6:

Top of Engine


Object Number: 1550688  Size: MF
(1)Ignition Coil 1
(2)Ignition Coil 2
(3)Ignition Coil 3
(4)Ignition Coil 4
(5)Ignition Coil 5
(6)Ignition Coil 6
(7)Fuel Injector 6
(8)Fuel Injector 5
(9)Fuel Injector 4
(10)Fuel Injector 3
(11)Fuel Injector 2
(12)Fuel Injector 1
Figure 7:

Right Side of the Transmission


Object Number: 747453  Size: MF
(1)Heated Oxygen Sensor (HO2S) Sensor 2
Figure 8:

Accelerator and Brake Pedals


Object Number: 1488336  Size: MF
(1)Instrument Panel Harness
(2)Accelerator Pedal Position (APP) Sensor
(3)Accelerator Pedal
(4)Brake Pedal
(5)Stop Lamp Switch
Figure 9:

Left Front of Chassis


Object Number: 1550751  Size: MF
(1)Secondary Air Injection (AIR) Pump
(2)Secondary Air Injection (AIR) Pump Relay
Figure 10:

Fuel Tank


Object Number: 1490767  Size: MF
(1)Fuel Tank Pressue (FTP) Sensor
(2)Fuel Pump and Sender Assembly
(3)Chassis Harness
(4)Fuel Tank
(5)Evaporative Emission (EVAP) Canister Vent Solenoid